GTM-ATOM
此模块有几种模式。产生PWM的模式重点

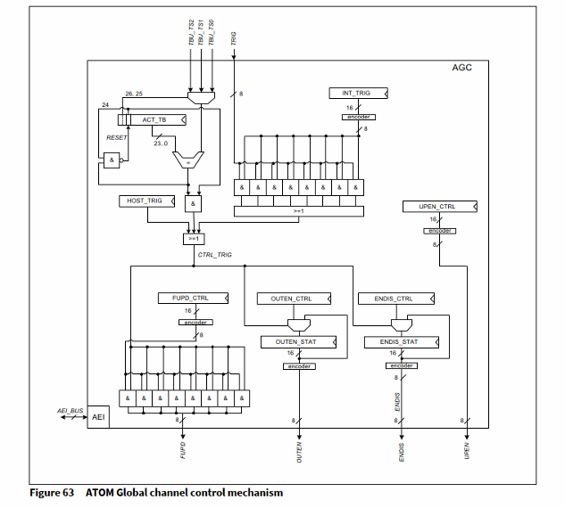
架构图

对于ATOM0组,其channel7的trigout输出为 channel0的输入信号-trig
代码中配置UVW 为ATOM0 channel1 2 3,参考通道为7,1,2,3是链接在一起的,7是分开
当7通道

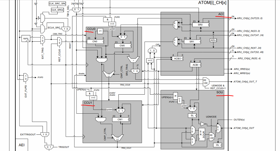
每个通道的架构图,里面是包含 CCU0 和CCU1

此模块下的影子寄存器的更新可由CPU或者ARU

24 bit 宽寄存器,计数寄存器,比较寄存器CM0/CM1, 影子寄存器SR0/SR1

时钟来源于CMU模块

可以同步或者异步更新,同步是在PWM周期结束时更新,异步是马上更新


输出的初始极性由SL 位定义,初始时的极性是SL定义的反,即SL定义位高,初始为低
当值大于占空比值时为SL极性
工作模式UDMODE定义:增计数和增减计数模式定义寄存器

100%和0%,占空比由CM1定义 周期由CM0定义

可以通过ARU来更新影子寄存器,更新的格式有要求

连续向上计数模式-CN0

当CN0的复位由其它通道来决定时,特性变为如下
CM0定义SL的极性,即当CN0大于CM0时,输出波形极性为SL,大于CM1时,输出极性为!SL
CM0=0,CM1=MAX,输出为SL,100%占空比
CM0>max,输出为0%占空比
Max为周期
CM0 的值由SR0 更新
CM1的值由SR1 更新

连续上下计数模式

当周期不变时,对应的SR0影子寄存器可以用来做trigger信号,动作也可由相应的bit位来控制
当影子寄存器的值与计数器的值相等时触发,即在周期值时触发
对于中心对称波形来说,在中心处触发

浙公网安备 33010602011771号