代码改变世界

晶体管放大电路设计:静态工作点的设置

2012-06-18 09:25  AseoRoy  阅读(2015)  评论(0)    收藏  举报

 

 

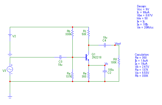
一 基本电路

image

 

二  设计时决定的参数

从问题出发,我们需要选择合适的晶体管,主要是hFE满足要求。wT要远大于问题中的频率要求。

下面需要选择适当的Vcc和Ic,然后可以在数据手册中找出Vbe和hFE,以此为条件,我们认为

Ie = Ic

Ia = 10Ib

Ve = 20%Vcc

 

三 电路参数计算

Re = 20% × Vcc / Ic

Ib = Ic / hFE

Ia = 10Ib

Va = Vbe + Ve

Ra = Va / Ia

Vb = Vcc - Va

Rb = Vb / Ib