第三次Blog作业
一:前言
本次Bolg内容主要是对最近三次PTA题目集中·移动业务资费问题的总结,内容量适中,主要考察代码逻辑和细心及对正则表达式的运用。
二:设计与分析
1.PTA 题目集09-7-1 电信计费系列1-座机计费
要求:
实现一个简单的电信计费程序:
假设南昌市电信分公司针对市内座机用户采用的计费方式:
月租20元,接电话免费,市内拨打电话0.1元/分钟,省内长途0.3元/分钟,国内长途拨打0.6元/分钟。不足一分钟按一分钟计。
南昌市的区号:0791,江西省内各地市区号包括:0790~0799以及0701。
输入格式:
输入信息包括两种类型
1、逐行输入南昌市用户开户的信息,每行一个用户,
格式:u-号码 计费类型 (计费类型包括:0-座机 1-手机实时计费 2-手机A套餐)
例如:u-079186300001 0
座机号码除区号外由是7-8位数字组成。
本题只考虑计费类型0-座机计费,电信系列2、3题会逐步增加计费类型。
2、逐行输入本月某些用户的通讯信息,通讯信息格式:
座机呼叫座机:t-主叫号码 接听号码 起始时间 结束时间
t-079186330022 058686330022 2022.1.3 10:00:25 2022.1.3 10:05:11
以上四项内容之间以一个英文空格分隔,
时间必须符合"yyyy.MM.dd HH:mm:ss"格式。提示:使用SimpleDateFormat类。
以上两类信息,先输入所有开户信息,再输入所有通讯信息,最后一行以“end”结束。
注意:
本题非法输入只做格式非法的判断,不做内容是否合理的判断(时间除外,否则无法计算),比如:
1、输入的所有通讯信息均认为是同一个月的通讯信息,不做日期是否在同一个月还是多个月的判定,直接将通讯费用累加,因此月租只计算一次。
2、记录中如果同一电话号码的多条通话记录时间出现重合,这种情况也不做判断,直接 计算每条记录的费用并累加。
3、用户区号不为南昌市的区号也作为正常用户处理。
输出格式:
根据输入的详细通讯信息,计算所有已开户的用户的当月费用(精确到小数点后2位,
单位元)。假设每个用户初始余额是100元。
每条通讯信息单独计费后累加,不是将所有时间累计后统一计费。
格式:号码+英文空格符+总的话费+英文空格符+余额
每个用户一行,用户之间按号码字符从小到大排序。
错误处理:
输入数据中出现的不符合格式要求的行一律忽略。
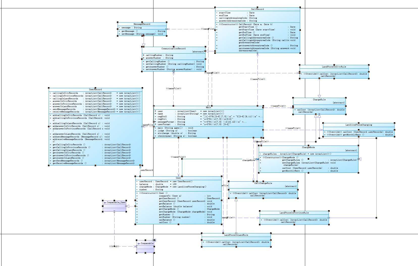
建议类图:
参见图1、2、3,可根据理解自行调整:

图1

图2

图3
解释与心得:
图1中User是用户类,包括属性: userRecords (用户记录)、balance(余额)、chargeMode(计费方式)、number(号码)。 ChargeMode是计费方式的抽象类: chargeRules是计费方式所包含的各种计费规则的集合,ChargeRule类的定义见图3。 getMonthlyRent()方法用于返回月租(monthlyRent)。 UserRecords是用户记录类,保存用户各种通话、短信的记录, 各种计费规则将使用其中的部分或者全部记录。 其属性从上到下依次是: 市内拨打电话、省内(不含市内)拨打电话、省外拨打电话、 市内接听电话、省内(不含市内)接听电话、省外接听电话的记录 以及发送短信、接收短信的记录。
图2中CommunicationRecord是抽象的通讯记录类:
包含callingNumber拨打号码、answerNumber接听号码两个属性。
CallRecord(通话记录)、MessageRecord(短信记录)是它的子类。
CallRecord(通话记录类)包含属性:
通话的起始、结束时间以及
拨号地点的区号(callingAddressAreaCode)、接听地点的区号(answerAddressAreaCode)。
区号用于记录在哪个地点拨打和接听的电话。座机无法移动,就是本机区号,如果是手机号,则会有差异。图3是计费规则的相关类,这些类的核心方法是:
calCost(ArrayList<CallRecord> callRecords)。
该方法针根据输入参数callRecords中的所有记录计算某用户的某一项费用;如市话费。
输入参数callRecords的约束条件:必须是某一个用户的符合计费规则要求的所有记录。
LandPhoneInCityRule、LandPhoneInProvinceRule、LandPhoneInLandRule三个类分别是
座机拨打市内、省内、省外电话的计费规则类,用于实现这三种情况的费用计算。
(提示:可以从UserRecords类中获取各种类型的callRecords)。
除此之外还我还添加了User类的链表用来存储用户,方便查找和对用户的一些判断操作。
部分代码如下:
class User implements Comparable<User>{//用户类 private UserRecord userRecord = new UserRecord(); private double balance = 100; private ChargeMode chargeMode = new LandlinePhoneCharging(); private String number; public User(){ } public int compareTo(User a) { return this.number.compareTo(a.getNumber()); } public UserRecord getUserRecord() { return userRecord; } public void setUserRecord(UserRecord userRecord) { this.userRecord = userRecord; } public double getBalance() { return balance; } public void setBalance(double balance) { this.balance = balance; } public ChargeMode getChargeMode() { return chargeMode; } public void setChargeMode(ChargeMode chargeMode) { this.chargeMode = chargeMode; } public String getNumber() { return number; } public void setNumber(String number) { this.number = number; } public double calBalance(){ balance = balance-chargeMode.calCost(userRecord)-chargeMode.getMonthlyRent(); return balance; } public double calCost(){ return chargeMode.calCost(userRecord); } }
class UserRecord{//用户记录类 private ArrayList<CallRecord> callingInCityRecords = new ArrayList<>(); private ArrayList<CallRecord> callingInProvinceRecords = new ArrayList<>(); private ArrayList<CallRecord> callingInLandRecords = new ArrayList<>(); private ArrayList<CallRecord> answerInCityRecords = new ArrayList<>(); private ArrayList<CallRecord> answerInProvinceRecords = new ArrayList<>(); private ArrayList<CallRecord> answerInLandRecords = new ArrayList<>(); private ArrayList<MessageRecord> sendMessageRecords = new ArrayList<>(); private ArrayList<MessageRecord> receiveMessageRecords = new ArrayList<>(); public void addcallingInCityRecords(CallRecord c){ callingInCityRecords.add(c); } public void addcallingInProvinceRecords(CallRecord c){ callingInProvinceRecords.add(c); } public void addcallingInLandRecords(CallRecord c){ callingInLandRecords.add(c); } public void addanswerInCityRecords(CallRecord c){ answerInCityRecords.add(c); } public void addanswerInProvinceRecords(CallRecord c){ answerInProvinceRecords.add(c); } public void addanswerInLandRecords(CallRecord c){ answerInLandRecords.add(c); } public void addsendMessageRecords(MessageRecord c){ sendMessageRecords.add(c); } public void addreceiveMessageRecords(MessageRecord c){ receiveMessageRecords.add(c); } public ArrayList<CallRecord> getCallingInCityRecords() { return callingInCityRecords; } public ArrayList<CallRecord> getCallingInProvinceRecords() { return callingInProvinceRecords; } public ArrayList<CallRecord> getCallingInLandRecords() { return callingInLandRecords; } public ArrayList<CallRecord> getAnswerInCityRecords() { return answerInCityRecords; } public ArrayList<CallRecord> getAnswerInProvinceRecords() { return answerInProvinceRecords; } public ArrayList<CallRecord> getAnswerInLandRecords() { return answerInLandRecords; } public ArrayList<MessageRecord> getSendMessageRecords() { return sendMessageRecords; } public ArrayList<MessageRecord> getReceiveMessageRecords() { return receiveMessageRecords; } }
class LandlinePhoneCharging extends ChargeMode{//座机计费模式 @Override public double calCost(UserRecord userRecords) {//将该用户的产生的所有通话记录进行计费 double sum = 0; sum=getChargeRules().get(0).calCost(userRecords.getAnswerInCityRecords())+getChargeRules().get(1).calCost(userRecords.getAnswerInProvinceRecords())+getChargeRules().get(2).calCost(userRecords.getAnswerInLandRecords()); return sum; } @Override public double getMonthlyRent(){ return 20; } }
class CallRecord extends CommunicationRecord{//通话记录 private Date startTime; private Date endTime; private String callingAddressAreaCode; private String answerAddressAreaCode; public CallRecord(Date a ,Date b){ this.startTime=a; this.endTime = b; } public Date getStartTime() { return startTime; } public void setStartTime(Date startTime) { this.startTime = startTime; } public Date getEndTime() { return endTime; } public void setEndTime(Date endTime) { this.endTime = endTime; } public String getCallingAddressAreaCode() { return callingAddressAreaCode; } public void setCallingAddressAreaCode(String callingAddressAreaCode) { this.callingAddressAreaCode = callingAddressAreaCode; } public String getAnswerAddressAreaCode() { return answerAddressAreaCode; } public void setAnswerAddressAreaCode(String answerAddressAreaCode) { this.answerAddressAreaCode = answerAddressAreaCode; } }
class LandPhoneInCityRule extends ChargeRule{//三种计费规则的核心计费算法 //@Override public double calCost(ArrayList<CallRecord> callRecords) { double sum = 0; double time = 0; int minute =0; double money = 0; for (CallRecord c:callRecords) { time=c.getEndTime().getTime()-c.getStartTime().getTime(); minute = (int)(time/60000); if((time/60000)%1!=0){ sum+=0.1; } sum = sum+minute*0.1; } return sum; } } class LandPhoneInProvinceRule extends ChargeRule{ @Override public double calCost(ArrayList<CallRecord> callRecords) { double sum = 0; int minute =0; long time = 0; for (CallRecord c:callRecords) { time=c.getEndTime().getTime()-c.getStartTime().getTime()+time; } minute = (int)((time/60000)); if((time/1000)%60!=0){ sum+=0.3; } return sum+minute*0.3; } } class LandPhoneInLandRule extends CallChargeRule{ @Override public double calCost(ArrayList<CallRecord> callRecords) { double sum = 0; int minute =0; long time = 0; for (CallRecord c:callRecords) { time=c.getEndTime().getTime()-c.getStartTime().getTime()+time; } minute = (int)((time/60000)); if((time/1000)%60!=0){ sum+=0.6; } return sum+minute*0.6; } }
采坑心得:
这里输出的时候要按照用户名字符串大小进行排序后输出,运用Comparable接口对用户排序。由于刚开始没有对main类进行设计规划,导致代码内容臃肿,部分地方有逻辑问题且难以找出。
Comparable简介
Comparable是排序接口。若一个类实现了Comparable接口,就意味着该类支持排序。实现了Comparable接口的类的对象的列表或数组可以通过Collections.sort或Arrays.sort进行自动排序。
此外,实现此接口的对象可以用作有序映射中的键或有序集合中的集合,无需指定比较器。该接口定义如下:
package java.lang; import java.util.*; public interface Comparable<T>
{ public int compareTo(T o); }
T表示可以与此对象进行比较的那些对象的类型。
此接口只有一个方法compare,比较此对象与指定对象的顺序,如果该对象小于、等于或大于指定对象,则分别返回负整数、零或正整数。
2.PTA题目集107-1 电信计费系列2-手机+座机计费
要求:
新增一种通话形式
1、针对市内座机用户采用的计费方式(与电信计费系列1内容相同):
月租20元,接电话免费,市内拨打电话0.1元/分钟,省内长途0.3元/分钟,国内长途拨打0.6元/分钟。不足一分钟按一分钟计。
假设本市的区号:0791,江西省内各地市区号包括:0790~0799以及0701。
2、针对手机用户采用实时计费方式:
月租15元,市内省内接电话均免费,市内拨打市内电话0.1元/分钟,市内拨打省内电话0.2元/分钟,市内拨打省外电话0.3元/分钟,省内漫游打电话0.3元/分钟,省外漫游接听0.3元/分钟,省外漫游拨打0.6元/分钟;
注:被叫电话属于市内、省内还是国内由被叫电话的接听地点区号决定,比如以下案例中,南昌市手机用户13307912264在区号为020的广州接听了电话,主叫号码应被计算为拨打了一个省外长途,同时,手机用户13307912264也要被计算省外接听漫游费:
u-13307912264 1
t-079186330022 13307912264 020 2022.1.3 10:00:25 2022.1.3 10:05:11
输入:
输入信息包括两种类型
1、逐行输入南昌市用户开户的信息,每行一个用户,含手机和座机用户
格式:u-号码 计费类型 (计费类型包括:0-座机 1-手机实时计费 2-手机A套餐)
例如:u-079186300001 0
座机号码由区号和电话号码拼接而成,电话号码包含7-8位数字,区号最高位是0。
手机号码由11位数字构成,最高位是1。
本题在电信计费系列1基础上增加类型1-手机实时计费。
手机设置0或者座机设置成1,此种错误可不做判断。
2、逐行输入本月某些用户的通讯信息,通讯信息格式:
座机呼叫座机:t-主叫号码 接听号码 起始时间 结束时间
t-079186330022 058686330022 2022.1.3 10:00:25 2022.1.3 10:05:11
以上四项内容之间以一个英文空格分隔,
时间必须符合"yyyy.MM.dd HH:mm:ss"格式。提示:使用SimpleDateFormat类。
输入格式增加手机接打电话以及收发短信的格式,手机接打电话的信息除了号码之外需要额外记录拨打/接听的地点的区号,比如:
座机打手机:
t-主叫号码 接听号码 接听地点区号 起始时间 结束时间
t-079186330022 13305862264 020 2022.1.3 10:00:25 2022.1.3 10:05:11
手机互打:
t-主叫号码 拨号地点 接听号码 接听地点区号 起始时间 结束时间
t-18907910010 0791 13305862264 0371 2022.1.3 10:00:25 2022.1.3 10:05:11
注意:以上两类信息,先输入所有开户信息,再输入所有通讯信息,最后一行以“end”结束。
输出:
根据输入的详细通讯信息,计算所有已开户的用户的当月费用(精确到小数点后2位,单位元)。假设每个用户初始余额是100元。
每条通讯、短信信息均单独计费后累加,不是将所有信息累计后统一计费。
格式:号码+英文空格符+总的话费+英文空格符+余额
每个用户一行,用户之间按号码字符从小到大排序。
错误处理:
输入数据中出现的不符合格式要求的行一律忽略。
类图:

踩坑心得:
由于上次代码过于臃肿难看,不便于添加新功能。所有不得不对main函数进行重构。并且添加设计了Check类进行正则表达式的判断。
class Main{ static ArrayList<User> user = new ArrayList<>(); public static void main(String[] ages) throws ParseException { Scanner in = new Scanner(System.in); Check c = new Check(); boolean jud = false; while(true){ String str = in.nextLine(); String s1 = str.substring(2);//数字 if(str.equals("end")) break; String[] st1 = s1.split(" "); if(c.judge(str)==1){ if(!checkrepeat(st1[0])){ User user1 = new User(); user1.setNumber(st1[0]); user.add(user1); user1.setChargeMode(new LandlinePhoneCharging()); } } else if(c.judge(str)==2){ if(!checkrepeat(st1[0])) { User user1 = new User(); user1.setNumber(st1[0]); user.add(user1); user1.setChargeMode(new MobPhoneCharging()); } } else if(c.judge(str)==3){//座机打座机 SimpleDateFormat f = new SimpleDateFormat("yyyy.MM.dd HH:mm:ss"); String sb=strbuild(st1[2],st1[3]); String sb2 =strbuild(st1[4],st1[5]); if(checkrepeat(st1[0])) { if (st1[1].substring(0,4).equals("0971")) { user.get(findUser(st1[0])).getUserRecord().addcallingInCityRecords(new CallRecord(f.parse(sb),f.parse(sb2))); } else if(judge(st1[1].substring(0,4))){ user.get(findUser(st1[0])).getUserRecord().addcallingInProvinceRecords(new CallRecord(f.parse(sb),f.parse(sb2))); } else{ user.get(findUser(st1[0])).getUserRecord().addcallingInLandRecords(new CallRecord(f.parse(sb),f.parse(sb2))); } } } else if(c.judge(str)==4){//座机打手机 SimpleDateFormat f = new SimpleDateFormat("yyyy.MM.dd HH:mm:ss"); String sb=strbuild(st1[3],st1[4]); String sb2 =strbuild(st1[5],st1[6]); if(checkrepeat(st1[0])) { if (st1[2].equals("0791")) {//市内 user.get(findUser(st1[0])).getUserRecord().addcallingInCityRecords(new CallRecord(f.parse(sb),f.parse(sb2))); } else if (judge(st1[2])) {//省内 user.get(findUser(st1[0])).getUserRecord().addcallingInProvinceRecords(new CallRecord(f.parse(sb),f.parse(sb2))); } else { user.get(findUser(st1[0])).getUserRecord().addcallingInLandRecords(new CallRecord(f.parse(sb),f.parse(sb2))); if(checkrepeat(st1[1])) { user.get(findUser(st1[1])).getUserRecord().addanswerInLandRecords(new CallRecord(f.parse(sb), f.parse(sb2))); } } } } else if(c.judge(str)==5){//手机打手机 SimpleDateFormat f = new SimpleDateFormat("yyyy.MM.dd HH:mm:ss"); String sb=strbuild(st1[4],st1[5]); String sb2 =strbuild(st1[6],st1[7]); if(checkrepeat(st1[0])){ if(st1[1].equals("0791")){ if(st1[3].equals("0791")){ user.get(findUser(st1[0])).getUserRecord().addcallingInCityRecords(new CallRecord(f.parse(sb),f.parse(sb2))); } else if(judge(st1[3])){ user.get(findUser(st1[0])).getUserRecord().addcallingInProvinceRecords(new CallRecord(f.parse(sb),f.parse(sb2))); } else{ user.get(findUser(st1[0])).getUserRecord().addcallingInLandRecords(new CallRecord(f.parse(sb),f.parse(sb2))); } } else if(judge(st1[1])){ user.get(findUser(st1[0])).getUserRecord().addRoamInprovinceRecords(new CallRecord(f.parse(sb),f.parse(sb2))); } else{ user.get(findUser(st1[0])).getUserRecord().addRoamInLandRecords(new CallRecord(f.parse(sb),f.parse(sb2))); } } if(checkrepeat(st1[2])){ if(st1[3].equals("0791")){ user.get(findUser(st1[2])).getUserRecord().addanswerInCityRecords(new CallRecord(f.parse(sb),f.parse(sb2))); } else if(judge(st1[3])){ user.get(findUser(st1[2])).getUserRecord().addanswerInProvinceRecords(new CallRecord(f.parse(sb),f.parse(sb2))); } else{ user.get(findUser(st1[2])).getUserRecord().addanswerInLandRecords(new CallRecord(f.parse(sb),f.parse(sb2))); } } } else if(c.judge(str)==6){//手机打座机 SimpleDateFormat f = new SimpleDateFormat("yyyy.MM.dd HH:mm:ss"); String sb=strbuild(st1[3],st1[4]); String sb2 =strbuild(st1[5],st1[6]); if(checkrepeat(st1[0])){ if(st1[1].equals("0791")){ if(st1[2].substring(0,4).equals("0791")){ user.get(findUser(st1[0])).getUserRecord().addcallingInCityRecords(new CallRecord(f.parse(sb),f.parse(sb2))); } else if(judge(st1[2].substring(0,4))){ user.get(findUser(st1[0])).getUserRecord().addcallingInProvinceRecords(new CallRecord(f.parse(sb),f.parse(sb2))); } else{ user.get(findUser(st1[0])).getUserRecord().addcallingInLandRecords(new CallRecord(f.parse(sb),f.parse(sb2))); } } else if(judge(st1[1])){ user.get(findUser(st1[0])).getUserRecord().addRoamInprovinceRecords(new CallRecord(f.parse(sb),f.parse(sb2))); } else{ user.get(findUser(st1[0])).getUserRecord().addRoamInLandRecords(new CallRecord(f.parse(sb),f.parse(sb2))); } } } else continue; } Collections.sort(user); for(User u:user){ System.out.println(u.getNumber()+" "+strchange(u.getChargeMode().calCost(u.getUserRecord()))+" "+strchange(u.calBalance())); } } public static boolean judge(String s ){//省内 String[] snum = {"0790","0792","0793","0794","0795","0796","0797","0798","0799","0701"}; for(int i =0;i< snum.length;i++){ if(s.equals(snum[i])){ return true; } } return false; } public static int findUser(String s){ int j =0; for(int i =0;i<user.size();i++){ if(user.get(i).getNumber().equals(s)){ j=i; break; } } return j; } public static String strchange(double s) { BigDecimal s1 = new BigDecimal(s); s1 = s1.setScale(1, BigDecimal.ROUND_HALF_UP); s1 = s1.stripTrailingZeros(); String w = s1.toPlainString(); if (!w.contains(".")) { w += ".0"; } return w; } public static boolean checkrepeat(String s){ int i =0; for(User u:user){ if(u.getNumber().equals(s)){ i++; return true; } } return false; } public static String strbuild(String st1, String st2){ StringBuilder sb = new StringBuilder(); sb.append(st1); sb.append(" "); sb.append(st2); return String.valueOf(sb); } }
class Check{ public String regStr2 = "[t]-0791[0-9]{7,8}\\s" + "0[0-9]{9,11}\\s" + "((([0-9]{3}[1-9]|[0-9]{2}[1-9][0-9]|[0-9][1-9][0-9]{2}|[1-9][0-9]{3})\\.(((0?[13578]|1[02])\\.(0?" + "[1-9]|[12][0-9]|3[01]))|(([469]|11)\\.([1-9]|[12][0-9]|30))|(2\\.([1-9]|[1][0-9]|2[0-8]))))|(((" + "[0-9]{2})([48]|[2468][048]|[13579][26])|(([48]|[2468][048]|[3579][26])00))\\.2\\.29))" + "\\s([0-1]?[0-9]|2[0-3]):([0-5][0-9]):([0-5][0-9])\\s" + "((([0-9]{3}[1-9]|[0-9]{2}[1-9][0-9]|[0-9][1-9][0-9]{2}|[1-9][0-9]{3})\\.((([13578]|1[02])\\.(" + "[1-9]|[12][0-9]|3[01]))|(([469]|11)\\.([1-9]|[12][0-9]|30))|(2\\.([1-9]|[1][0-9]|2[0-8]))))|(((" + "[0-9]{2})([48]|[2468][048]|[13579][26])|(([48]|[2468][048]|[3579][26])00))\\.2\\.29))" + "\\s([0-1]?[0-9]|2[0-3]):([0-5][0-9]):([0-5][0-9])";//座机呼叫座机 public String regStr1 = "[u][-][0][7][9][1][0-9]{7,8}\\s[0]";//创建用户 public String regStr3 = "[t]-0791[0-9]{7,8}\\s" +"1[0-9]{10}\\s"+"0[0-9]{2,3}\\s"+"((([0-9]{3}[1-9]|[0-9]{2}[1-9][0-9]|[0-9][1-9][0-9]{2}|[1-9][0-9]{3})\\.(((0?[13578]|1[02])\\.(0?" + "[1-9]|[12][0-9]|3[01]))|(([469]|11)\\.([1-9]|[12][0-9]|30))|(2\\.([1-9]|[1][0-9]|2[0-8]))))|(((" + "[0-9]{2})([48]|[2468][048]|[13579][26])|(([48]|[2468][048]|[3579][26])00))\\.2\\.29))" + "\\s([0-1]?[0-9]|2[0-3]):([0-5][0-9]):([0-5][0-9])\\s" + "((([0-9]{3}[1-9]|[0-9]{2}[1-9][0-9]|[0-9][1-9][0-9]{2}|[1-9][0-9]{3})\\.((([13578]|1[02])\\.(" + "[1-9]|[12][0-9]|3[01]))|(([469]|11)\\.([1-9]|[12][0-9]|30))|(2\\.([1-9]|[1][0-9]|2[0-8]))))|(((" + "[0-9]{2})([48]|[2468][048]|[13579][26])|(([48]|[2468][048]|[3579][26])00))\\.2\\.29))" + "\\s([0-1]?[0-9]|2[0-3]):([0-5][0-9]):([0-5][0-9])";//座机打手机 public String regStr4 ="[t]-1[0-9]{10}\\s" +"0[0-9]{2,3}\\s"+"1[0-9]{10}\\s"+"0[0-9]{2,3}\\s"+"((([0-9]{3}[1-9]|[0-9]{2}[1-9][0-9]|[0-9][1-9][0-9]{2}|[1-9][0-9]{3})\\.(((0?[13578]|1[02])\\.(0?" + "[1-9]|[12][0-9]|3[01]))|(([469]|11)\\.([1-9]|[12][0-9]|30))|(2\\.([1-9]|[1][0-9]|2[0-8]))))|(((" + "[0-9]{2})([48]|[2468][048]|[13579][26])|(([48]|[2468][048]|[3579][26])00))\\.2\\.29))" + "\\s([0-1]?[0-9]|2[0-3]):([0-5][0-9]):([0-5][0-9])\\s" + "((([0-9]{3}[1-9]|[0-9]{2}[1-9][0-9]|[0-9][1-9][0-9]{2}|[1-9][0-9]{3})\\.((([13578]|1[02])\\.(" + "[1-9]|[12][0-9]|3[01]))|(([469]|11)\\.([1-9]|[12][0-9]|30))|(2\\.([1-9]|[1][0-9]|2[0-8]))))|(((" + "[0-9]{2})([48]|[2468][048]|[13579][26])|(([48]|[2468][048]|[3579][26])00))\\.2\\.29))" + "\\s([0-1]?[0-9]|2[0-3]):([0-5][0-9]):([0-5][0-9])";//手机打手机 public String regStr5 = "[u][-][1][3][0-9]{9}\\s[1]";//手机开户 public String regStr6 = "[t]-1[0-9]{10}\\s" +"0[0-9]{2,3}\\s"+"0[0-9]{10,11}\\s"+"((([0-9]{3}[1-9]|[0-9]{2}[1-9][0-9]|[0-9][1-9][0-9]{2}|[1-9][0-9]{3})\\.(((0?[13578]|1[02])\\.(0?" + "[1-9]|[12][0-9]|3[01]))|(([469]|11)\\.([1-9]|[12][0-9]|30))|(2\\.([1-9]|[1][0-9]|2[0-8]))))|(((" + "[0-9]{2})([48]|[2468][048]|[13579][26])|(([48]|[2468][048]|[3579][26])00))\\.2\\.29))" + "\\s([0-1]?[0-9]|2[0-3]):([0-5][0-9]):([0-5][0-9])\\s" + "((([0-9]{3}[1-9]|[0-9]{2}[1-9][0-9]|[0-9][1-9][0-9]{2}|[1-9][0-9]{3})\\.((([13578]|1[02])\\.(" + "[1-9]|[12][0-9]|3[01]))|(([469]|11)\\.([1-9]|[12][0-9]|30))|(2\\.([1-9]|[1][0-9]|2[0-8]))))|(((" + "[0-9]{2})([48]|[2468][048]|[13579][26])|(([48]|[2468][048]|[3579][26])00))\\.2\\.29))" + "\\s([0-1]?[0-9]|2[0-3]):([0-5][0-9]):([0-5][0-9])";//手机打座机 public int judge(String s){ if(s.matches(regStr1)){ return 1; } else if(s.matches(regStr5)){ return 2; } else if(s.matches(regStr2)){//座机呼叫座机 return 3; } else if(s.matches(regStr3)){//座机打手机 return 4; } else if(s.matches(regStr4))//手机打手机 { return 5; } else if(s.matches(regStr6)){//手机打座机 return 6; } else{ return 0; } } }
3.PTA117-1 电信计费系列3-短信计费
要求实现短信方式的计费
实现一个简单的电信计费程序,针对手机的短信采用如下计费方式:
1、接收短信免费,发送短信0.1元/条,超过3条0.2元/条,超过5条0.3元/条。
2、如果一次发送短信的字符数量超过10个,按每10个字符一条短信进行计算。
输入:
输入信息包括两种类型
1、逐行输入南昌市手机用户开户的信息,每行一个用户。
格式:u-号码 计费类型 (计费类型包括:0-座机 1-手机实时计费 2-手机A套餐 3-手机短信计费)
例如:u-13305862264 3
座机号码由区号和电话号码拼接而成,电话号码包含7-8位数字,区号最高位是0。
手机号码由11位数字构成,最高位是1。
本题只针对类型3-手机短信计费。
2、逐行输入本月某些用户的短信信息,短信的格式:
m-主叫号码,接收号码,短信内容 (短信内容只能由数字、字母、空格、英文逗号、英文句号组成)
m-18907910010 13305862264 welcome to jiangxi.
m-13305862264 18907910010 thank you.
注意:以上两类信息,先输入所有开户信息,再输入所有通讯信息,最后一行以“end”结束。
输出:
根据输入的详细短信信息,计算所有已开户的用户的当月短信费用(精确到小数点后2位,单位元)。假设每个用户初始余额是100元。
每条短信信息均单独计费后累加,不是将所有信息累计后统一计费。
格式:号码+英文空格符+总的话费+英文空格符+余额
每个用户一行,用户之间按号码字符从小到大排序。
错误处理:
输入数据中出现的不符合格式要求的行一律忽略。
本题只做格式的错误判断,无需做内容上不合理的判断,比如同一个电话两条通讯记录的时间有重合、开户号码非南昌市的号码、自己给自己打电话等,此类情况都当成正确的输入计算。但时间的输入必须符合要求,比如不能输入2022.13.61 28:72:65。
本题只考虑短信计费,不考虑通信费用以及月租费。
类图:

代码:
import java.math.BigDecimal; import java.text.ParseException; import java.text.SimpleDateFormat; import java.util.*; class User implements Comparable<User>{ private UserRecord userRecord = new UserRecord(); private double balance = 100; private ChargeMode chargeMode; private String number; public User(){ } public int compareTo(User a) { return this.number.compareTo(a.getNumber()); } public UserRecord getUserRecord() { return userRecord; } public void setUserRecord(UserRecord userRecord) { this.userRecord = userRecord; } public double getBalance() { return balance; } public void setBalance(double balance) { this.balance = balance; } public ChargeMode getChargeMode() { return chargeMode; } public void setChargeMode(ChargeMode chargeMode) { this.chargeMode = chargeMode; } public String getNumber() { return number; } public void setNumber(String number) { this.number = number; } public double calBalance(){ balance = balance-chargeMode.calCost(userRecord)-chargeMode.getMonthlyRent(); return balance; } public double calCost(){ return chargeMode.calCost(userRecord); } } class MessageCharge extends ChargeMode{ @Override public double calCost(UserRecord userRecords) { return getChargeRules().get(0).calCost(userRecords.getSendMessageRecords()); } @Override public double getMonthlyRent() { return 0; } } class UserRecord{ private ArrayList<MessageRecord> sendMessageRecords = new ArrayList<>(); private ArrayList<MessageRecord> receiveMessageRecords = new ArrayList<>(); public void addsendMessageRecords(MessageRecord c){ sendMessageRecords.add(c); } public void addreceiveMessageRecords(MessageRecord c){ receiveMessageRecords.add(c); } public ArrayList<MessageRecord> getSendMessageRecords() { return sendMessageRecords; } public ArrayList<MessageRecord> getReceiveMessageRecords() { return receiveMessageRecords; } } abstract class ChargeMode{ private ArrayList<ChargeRule> chargeRules = new ArrayList<>(); public ChargeMode(){ chargeRules.add(new MessageChargeRule()); } public ArrayList<ChargeRule> getChargeRules() { return chargeRules; } public void setChargeRules(ArrayList<ChargeRule> chargeRules) { this.chargeRules = chargeRules; } public abstract double calCost(UserRecord userRecords); public abstract double getMonthlyRent(); } abstract class CommunicationRecord{ protected String callingNumber; protected String answerNumber; public String getCallingNumber() { return callingNumber; } public void setCallingNumber(String callingNumber) { this.callingNumber = callingNumber; } public String getAnswerNumber() { return answerNumber; } public void setAnswerNumber(String answerNumber) { this.answerNumber = answerNumber; } } class MessageRecord extends CommunicationRecord{ private String message; public MessageRecord(String s){ this.message = s; } public String getMessage() { return message; } public void setMessage(String message) { this.message = message; } } abstract class ChargeRule{ public abstract double calCost(ArrayList<MessageRecord> callRecords); } abstract class CallChargeRule extends ChargeRule{ public abstract double calCost (ArrayList<MessageRecord> callRecords); } class MessageChargeRule extends ChargeRule{ @Override public double calCost(ArrayList<MessageRecord> callRecords) { int num =0;//消息个数 double money =0; for(MessageRecord m:callRecords){ if(m.getMessage().length()<=10){ num++; } else{ num=m.getMessage().length()/10+num; if(m.getMessage().length()%10!=0){ num++; } } } if(num<=3){ money = num*0.1; } else if(num<=5){ money = 0.3+(num-3)*0.2; } else{ money = 0.3+0.4+(num-5)*0.3; } return money; } } class Check{ public String regStr5 = "u-1\\d{10}\\s3";//手机开户 public String regStr1 = "^m-1[0-9]{10}\\s"+"1[0-9]{10}\\s[\\d\\w\\s.,]+$"; public int judge(String s){ if(s.matches(regStr5)){ return 1; } else if(s.matches(regStr1)){ return 2; } else{ return 0; } } } class Main{ static ArrayList<User> user = new ArrayList<>(); public static void main(String[] ages) throws ParseException { Scanner in = new Scanner(System.in); Check c = new Check(); boolean jud = false; while(true){ String str = in.nextLine(); String s1 = str.substring(2);//数字 if(str.equals("end")) break; String[] st1 = s1.split(" "); if(c.judge(str)==1){ if(!checkrepeat(st1[0])){ User user1 = new User(); user1.setNumber(st1[0]); user.add(user1); user1.setChargeMode(new MessageCharge()); } } else if(c.judge(str)==2){ String strs = str.substring(2); String message = str.substring(checkIndex(str)+1); // System.out.println(checkIndex(str)); // System.out.println(message.length()); // System.out.println(message); String[] stres = strs.split(" "); String user_number1 = stres[0]; String user_number2 = stres[1]; if(checkrepeat(user_number1)){ user.get(findUser(user_number1)).getUserRecord().addsendMessageRecords(new MessageRecord(message)); } } else continue; } Collections.sort(user); for(User u:user){ System.out.println(u.getNumber()+" "+strchange(u.getChargeMode().calCost(u.getUserRecord()))+" "+strchange(u.calBalance())); } } public static boolean judge(String s ){//省内 String[] snum = {"0790","0792","0793","0794","0795","0796","0797","0798","0799","0701"}; for(int i =0;i< snum.length;i++){ if(s.equals(snum[i])){ return true; } } return false; } public static int findUser(String s){ int j =0; for(int i =0;i<user.size();i++){ if(user.get(i).getNumber().equals(s)){ j=i; break; } } return j; } public static String strchange(double s) { BigDecimal s1 = new BigDecimal(s); s1 = s1.setScale(1, BigDecimal.ROUND_HALF_UP); s1 = s1.stripTrailingZeros(); String w = s1.toPlainString(); if (!w.contains(".")) { w += ".0"; } return w; } public static boolean checkrepeat(String s){ int i =0; for(User u:user){ if(u.getNumber().equals(s)){ i++; return true; } } return false; } public static String strbuild(String st1, String st2){ StringBuilder sb = new StringBuilder(); sb.append(st1); sb.append(" "); sb.append(st2); return String.valueOf(sb); } public static int checkIndex(String s){ int n =0; int index = 0; for(int i=0;i<s.length();i++){ if(s.charAt(i)==' '){ n++; } if(n==2){ index = i; break; } } return index; } }
心得:
吸取了前两次作业的经验,代码设计更加高效简洁。要注意正则表达式的变化,和题目细节。
三:改进建议
在写代码之前,对代码进行设计十分重要,可以避免走很多弯路,也不会到时候对后期出的问题无力回天。
四:总结
在这阶段的学习中,又进一步学习了正则表达式的使用,加强了类设计,容器,继承与多态的练习。

浙公网安备 33010602011771号