BUFFER相关知识点随笔
1、推挽形式源极跟随器的电流流向分析分析
推挽式概念就是VIN正反向变化各影响半个周期的输出。运用到跨导运放上,就可以调节输出电流的流动方向,节省功耗。

如图所示为推挽级源极跟随器电路,其中,M1、4、6为pmos.
首先,M6的VG接了固定电压,故为恒流源,则左半边支路电流恒定保持不变。
其次分析vin变化趋势对输出电流流向的影响,M3的VD与M3的VG变化趋势反相,当vin↑(增大)时,VD3=VG4↓,又因为电流的大小受VGS的影响(影响的效果比VDS大),为保证ID不变,则VS4也随之减小,VS5=VS4↓,VG5=VG2也↓,VS2又保持不变,则ID2↓,VG4=VG1↓VS1不变,则ID1↑,故电流从vout反向流入M1。
(分析思路:重点在于输入电压的变化趋势,变化量,而非变化到的某一个数值(而非假定管子导通与否去分析),且因为是源随器,则各个管子都在饱和工作状态,若是源极放大则有管子关断)
2、推挽形式源极放大器的电流流向分析分析(CS)

如上图所示,右边为左边的实际图,具体分析如下。
首先,当vin↑,VS2跟随VG2也↑,VS3=VS2,VS3↑,VG3为恒定值,故ID3减小↓,M5和M3相串联,则电流相同,则此时ID5减小,VS5保持恒定,则VG5=VG6↑,则ID6减小;
其次,VS1随VIN增大而增大,又VS4=VS1,VG4不变,ID4=ID7增大,故VG7=VG8增大,ID8增大,故电流又输出端流向M8。
注意!!
分析电流的节点必须是VG VS不能为VD,
对于nmos,VS不变下,VG增大,ID增大
对于pmos,VS不变下,VG增大,ID减小
3、实际电路分析

如上图所示分析M5的作用,因为M8、M9为恒流源,而M5为SF,作电位平移用,VS5随VG5的变化而变化,又M5为pmos故VS5被抬升,用于偏置M6、7,其中ID6、ID7不是固定值,会随偏置的变化而变化。
4、静态电流和有负载电流的区别
(1)、自适应偏置放大器作为整流器(桑森236)

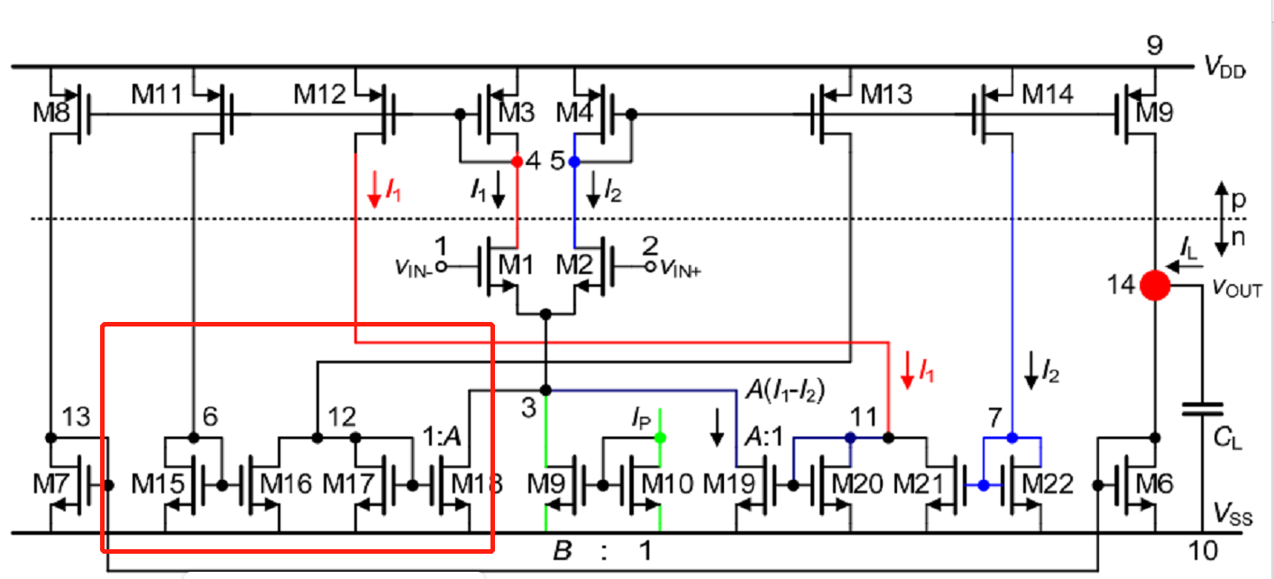
上图所示即为自适应偏置放大器电路,基本原理为,当1、2输入端相差非常大,如,1为0,2为vdd则尾电流源M10提供的电流Ip通过镜像,形成B倍的Ip电流给M9,提供的所有电流给M4、M2这条支路,最终,镜像到M9、M6支路输出电流。
当存在1的输入端电压比2的输入端电压略大的情况是,I1>I2,则如图所示,(I1-I2)两电流差值通过电流镜,提供给M9,则此时尾电流源为 Ip+A(I1+I2);而被红色框选的那部分电路,会因为镜像的电流I2小于I1,而使得M17、M18不在工作区,故无法给M9提供电流,又因为是电流镜的结构,也不会从M9吸收电流到M18、M17中去。
(2)、class AB最明显的特点
可以驱动大电容,输出电流的流向可正可负;
静态电流相较于class A更小;
输出摆幅相较于class B更大,减小失真(还不理解)
(3)、跨导线性环

[Microsoft PowerPoint - Chapter09 兼容模式] (fudan.edu.cn)
大摆幅低失真三级运放(针对于桑森跨导线性环实例理解)
传统的class AB 存在三个主要问题
交叉失真
静态电流精确控制
摆幅受限
前人设计的运放虽然解决了摆幅问题,但电流转换效率过低
本论文设置运放,以保证静态电流控制在一个小的值(稳定且不会太小),并结合了轨对轨运放设计保证摆幅

首先,通过电流镜结构可知M14、M13电流的和是M15电流的镜像;M11、12、13、14的总电流已知,则M11、12的电流就可知。
在静态时,且使得流过M1,M2的电流相等;设计mos管,使得Vg15=Vg12=Vg11;又因为Vg11=Vg4,故可求得M4、M3支路电流,则M1、M2电流可求;
且1.2.3三个节点电压变化趋势相同;则当1节点电压减小,则对应M1的电流减小,M2的电流增大,通过比例可知M3的电流也随着M1电流减小而减小,则M4的电流也减小,则Vg4增大,当到最值时,M11的Vg最大,M12Vg最小,关断,所有电流流向M11,则Vg4=Vg11可求,进而求出Vg1 的值求得此时的静态电流。反之也是求出M1的电流值,并减去所需要的输出电流值,即为静态电流。其实也是iout的大小影响vin的变化
5、高低阻节点

如图所示,输出阻抗为rds(in)//gm(-1),并联电阻大小由较小值决定,故输出受gm(-1)影响更大,又因为其两级为k,而rds大多为M,故输出为低阻节点;

如上图所示,此时输出电阻为两个rds的并联,且量级大,故为高阻点

浙公网安备 33010602011771号