【RM硬件组】常识汇总
【RM硬件组】常识汇总
v1:2024/12/25
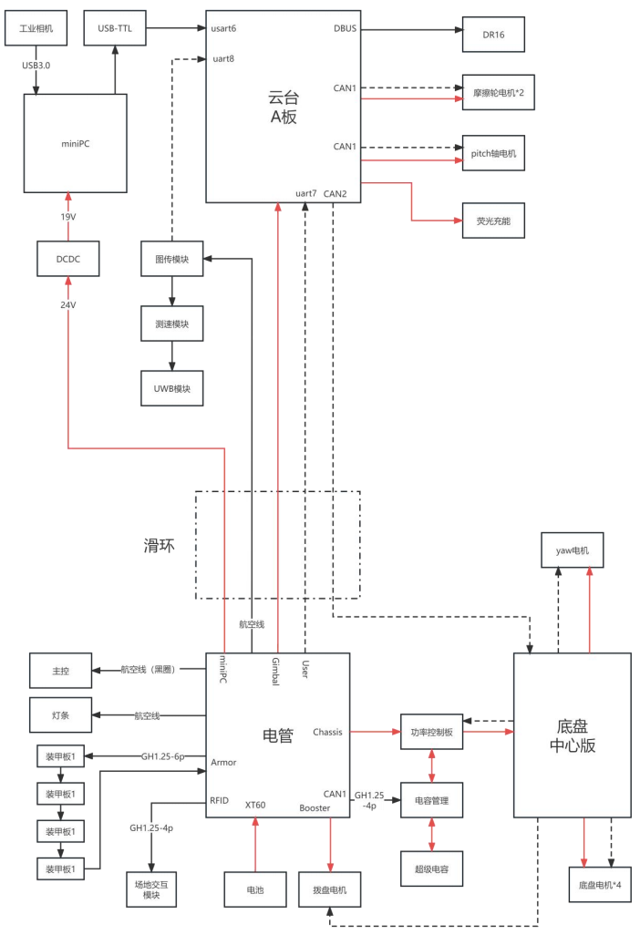
机器人硬件框图

电管:电源管理芯片
主控板
A板:STM32F427IIH6
通用板


B板:
专为传感器和执行部件设计,配合A板

C板:
步兵机器人多用

电机
M3508
一般搭配C620 电调使用
【注意】
减速箱安装孔为 M4 螺纹孔,深度 10mm,电机定子端安装
孔为 M3 螺丝孔,深度 5mm,电机转子端安装孔为 M3 螺丝孔,深度 4mm,请勿使用过长的螺丝,否则会损坏电机
电机三相线及 7pin 数据线接口损坏无法维修,使用时应注意做好线材的固定

常用于驱动轮、拨弹盘
摩擦轮使用去掉减速箱的M3508
【使用】

GM6020
【注意】
电机转子端安装螺纹孔为 M3,深度 4mm; 电机定子端安装
螺纹孔为 M4,深度 6mm,请勿使用过长的螺丝,否则会损坏电机
6020 电机使用拨码开关调节电机 ID,安装时应注意先设置好 ID 再安装

用在云台 pitch 轴和 yaw 轴
※6020 电机内部集成驱动器,无需外置电调
M2006
一般用在 17mm 弹丸拨盘,配合 C610 电调使用
【注意】
电机输出端径向通孔 3mm,轴向螺纹孔为 M3,深度 5.5mm,电机转子端安装螺纹孔为 M2,深度 3mm,请勿使用过长的螺丝,否则会损坏电机

【脉塔电机】RMD-L-7025-28T/7015-23T
7015:电机转子端安装螺纹孔为 M4,深度 3.5mm; 电机定子端安装螺纹孔为 M3,深度 10.4mm,请勿使用过长的螺丝,否则会损坏电机
7025:电机转子端安装螺纹孔为 M4,深度 4.8mm; 电机定子端安装螺纹孔为 M3,深度 10.7mm,请勿使用过长的螺丝,否则会损坏电机
7025电机一般用于云台的yaw轴
7015电机一般用于云台的pitch轴
滑环
滑环通常安装在设备的旋转中心
主要由旋转与静止两大部分组成
转子:旋转部分连接设备的旋转结构并随之旋转运动
定子:静止部分连接设备的固定结构

电源:TB47/48
电压范围:22.2V-25.2V

稳压模块

负责直流电源电压转换
常用来给miniPC 供电
【分类】
升压 BUCK
降压 BOOST
升降压 BUCK&BOOST
常用接口
XT30:电源

GH1.25(母头)
UART/USART/4PIN/CAN口

MX1.25(公头)
烧录口

排针/排母
排针

排母 可插拔

MR30:3508电机供电

MR30-M/MR30-F
ZH1.25:7015/7025 电机供电和通信(8PIN)

XH2.54:Jlink_ob

XH2.54-4PWZ
元器件
常见封装
【较大类型】
SOT89


【实例】

SOT23

【实例】

UB

SOT223-4

【实例】

SOT223-2

flipfet-4

【贴片电阻/电容等】


【持续更新】
电阻:阻碍电流的能力

电阻分类
焊接方式
贴片式
常用于pcb

插件式
能承受的功率较大,多应用于对功率有一定要求的场合

应用场景
普通电阻
可调电阻
特种电阻


应用
限流
分压
测流
上/下拉电阻 确定IO口信号
控制电路状态
接电源VCC为上拉电阻,接地为下拉电阻
【上拉】

默认高电平
【下拉】

默认低电平
取样 常用在反馈电路里
以稳压电源的电路为例:为使输出电压保持恒定状态,需要从输出电压取一部分电压做参考

0 欧电阻 常用作简易保险管、跳线、数模分离及预留测试点

信号衰减 在音频系统中,有时需要对信号进行衰减,比如通过调节音量控制器来调整音量,或者为了避免输入信号过强损坏设备,就需要对信号进行衰减
信号匹配 满足信号源的信号在传输线传输到达负载时整个电路上阻抗的一致性
eg CAN 通信 120Ω
关键参数

阻值 电阻的大小,R=U/I
精度 阻值的误差允许大小 ±5%
功率 允许的功率大小 100mW
电容:容纳电荷的能力
常见单位转换
1F=10**3mF**=106uF=10**9nF**=1012pF
电容分类
焊接方式
贴片式

插件式

材料分类
陶瓷电容

电解电容

钽电容

电容应用:通高频阻低频
旁路电容
将混有高频电流和低频电流的交流电中的高频成分旁路滤掉的电容
用来减小输入电源噪声,应尽量靠近负载器件
去耦电容 是电路中放在元件的电源端的电容,提供较稳定电源
同时也可以降低元件耦合到电源端的噪声
->减少其他元件受此元件噪声的影响

滤波电容 对信号滤波
以降低交流脉动波纹系数、提升高效平滑直流输出的一种储能器件
储能电容/法拉电容 eg 超级电容
收集电荷,并将存储的能量通过变换器引线传送至电源的输出端

关键参数

容值 电容的大小 I = C * dU/dt
精度 容值的误差允许大小
额定电压
电感:电感储存磁场能的本领
用于高频电路的电感量相对较小
用于低频电路的电感量相对较大
单位换算
亨 (H)、毫亨(mH)、微亨 (uH)
1H=10**3mH**=106uH

电感分类
【封装】
贴片电感

插件电感
【用途】
功率电感 电压转换,DCDC电路都要使用功率电感
高频电感 用于射频电路,实现偏置、匹配、滤波等电路
信号线电感
滤波电感
去耦电感 滤除电源线或信号线上的噪声
电感应用:通直流阻交流
滤波 通过和电阻、电容的配合
能够组成低通滤波电路、高通滤波电路以及带通滤波电路等
有效去除干扰信号,筛选出有效信号
谐振 LC 谐振电路
储能 续流作用
稳定电流
过滤噪声
关键参数

感值 电感值,u=L di/dt
精度 容值的误差允许大小
直流内阻 DCR 电感本身存在直流电阻
电感体积越大、电感值越大,其直流电阻也就越大 一般小于 10Ω

浙公网安备 33010602011771号