数组的定义
- 数组是相同类型数据的有序集合。
- 数组描述的是相同类型的若干个数据,按照一定的先后次序排列组合而成。
- 其中,每一个数据称作一个数组元素,每个数组元素可以通过一个下标来访问他们。
数组的声明和创建
- 首先必须声明数组变量,才能在程序中使用数组。下面是声明数组变量的语法:
date Type[] arrayRefvar ; // 首选的方法
或
dateTape arrayRefvar[] ; // 效果相同,但不是首选
- Java语言使用new操作符来创建数组,语法:
dataType [] ayyarRefvar = new dataType[arraySize];
- 数组的元素是通过索引访问的,数组索引从0开始。
- 获取数组长度
array.lenggth
public class ArrayDema01{
//变量的类型 变量的名字 = 变量的值;
//数据类型
public static void main(string[] args){
int[] nums = new int[5];
nums[0] = 1;
//等等。。。。。。
int sun =0;
for(i=0;i < nums.lenths;i++){
sun = sun + nums[i];
}
System.out.println("和"+sun)
}
}
数组的四个基本特点
- 其长度是确定的。数组一旦被创建,他的大小就是不可以改变的。
- 其元素必须是相同类型,不允许出现混合类型。
- 数组中的元素可以是任何数据类型,包括基本类型和引用类型。
- 数组变量属引用类型,数组也可以看成是对象,数组中的每个元素相当于该对象的成员变量。数组本身就是对象,Java中对象是在栈中的,因此数组无论保存原始类型还是其他对象类型,数组对象本身是在推中的。
数组内存分析


三种初始化
- 静态初始化
int [] a = {1,2,3};
Man [] mans = {new Man(1,1),new Man(2,2)};
- 动态初始化
int[] a = new int[20];
a[0] = 1;
a[1] = 2;
- 数组的默认话初始值
--数组是引用类型,他的元素相当于类的实例变量,因此数组一经分配空间,其中的每个元素也被按照实例变量同样的方式被隐式初始化。
public class ArrayDemo02{
public static void mian(String[] args){
//静态初始化
int[] nums = {0,2,3,4};
system.out.println(a[0]);
//动态初始化
int[] nums = new int[5];
int[0] = 1;
Syetem.out.println(int[0]);
}
}
数组边界
- 下标的合法区间 :[0,length-1],如果越界就会报错;
public static void main(String[] args){
int[] a = new int[2];
System.out.println(a[2]); // 越界了(0~1)两个
}
- ArrayIndexOutOfBoundsExcuption:数组的下标越界异常!
- 数组长度是确定的,不可变的。如果越界,则报ArrayIndexOutOfBoundsExcuption
数组的使用
-
普通for循环
package wei.array;
public class ArrayDemo03 {
public static void main(String[] args) {
int[]a= {1,2,3,4,5};
//打印数组元素
for(int i =0;i<a.length;i++){
System.out.println("array="+a[i]);
}
System.out.println("=================");
//计算和
int sun = 0;
for (int i = 0; i <a.length ; i++) {
sun +=a[i];
}
System.out.println("sun="+sun);
System.out.println("=================");
//找最大值
int max = a[0];
for (int i = 1; i <a.length ; i++) {
if (max < a[i]){
max = a[i];
}
}
System.out.println("max="+max);
}
}
-
for-Each循环
package wei.array;
public class demo04 {
public static void main(String[] args) {
int[] a= {1,2,3,4,5};
for (int i : a) { // 数组命+for (int 数组的元素 : 数组)
System.out.println(i);
}
}
}
-
数组作方法入参
-
数组作返回值
package wei.array;
public class demo04 {
public static void main(String[] args) {
int[] a = {1,2,3,4,5};
int[] b = b(a);
printarray(b);
}
public static int[] b(int[] a){
int[] c = new int[a.length];
for (int i = 0,j = a.length-1; i <a.length ; i++,j--) {
c[j] = a[i];
}
return c;
}
public static void printarray(int[] a){
for (int i = 0; i <a.length ; i++) {
System.out.print(a[i]);
}
}
}
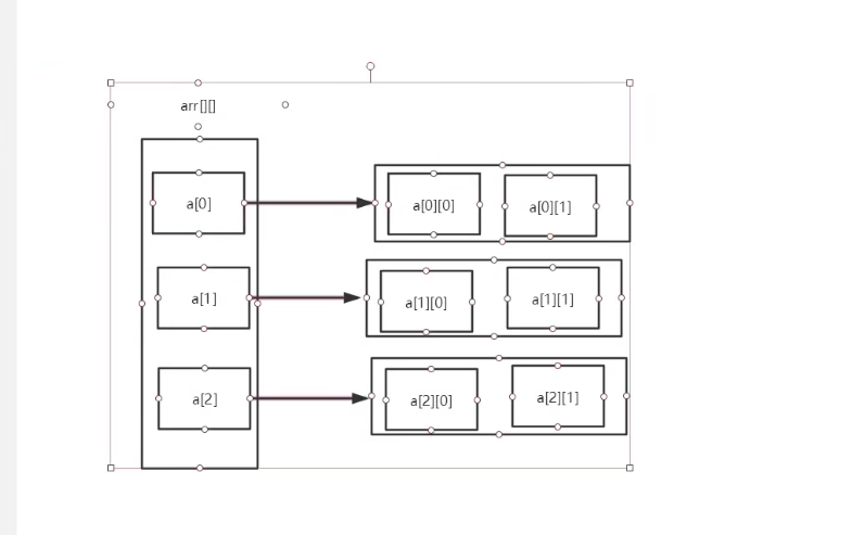
多维数组
- 多维数组可以看成是数组的数组,比如二维数组就是一个特殊的二维数组,其每一个元素都是一个二维数组。
- 二维数组
int a[][] = new int[2][5];
- 解析:以上二维数组a可以看成一个两行五列的数组。
public class ArrayDemo05 {
public static void main(String[] args) {
int[][] a = {{4,2},{4,8},{8,2}};
System.out.println(a[0][0]);
for (int i = 0; i <a.length ; i++) {
for (int j = 0; j <a[i].length ; j++) {
System.out.print(a[i][j]+" ");
}
}
}
}

Arrays 类
- 数组的工具类java.util.Arrays
- 由于数组对象本身并没有什么方法可以供我们调用,但API中提供了一个工具类Arrays供我们调用,从而可以对数据对象进行一些基本的操作。
- 查看JDK帮助文档
- Arrays类中的方法都是static修饰的静态方法,在使用的时候可以直接使用类名进行调佣,而不用使用对象来调用(注意不是“不能”而是“不用”)
- 具有以下常用功能:
-- 给数组赋值:通过 fill 方法。
-- 对数组排序:sort,升序。
-- 比较数组:equals 方法比较数组中元素值是否相等。
-- 查找数组元素:binarySearch 对排好序的数组 二分法 查找操作。
import java.util.Arrays;
public class Array08 {
public static void main(String[] args) {
int[] a = {1,5,2,88,99,6};
System.out.println(Arrays.toString(a)); // 工具里的函数
print(a); //自己写的
Arrays.sort(a); //数组进行排序
System.out.println("\n"+Arrays.toString(a));
}
public static void print(int[] a){
for (int i = 0; i < a.length; i++) {
if (i==0){
System.out.print("[");
}
if (i==a.length-1){
System.out.print(a[i]+"]");
}else{ //前面两个if负责首和尾,else负责处理中间的数,即当i==a.length为假时。
System.out.print(a[i]+", ");
}
}
}
}
冒泡排序
- 依次对比2个相邻的数,满足排序条件则交换位置
- 时间复杂度 o(n^2)
- 空间复杂度 o(1)
import java.util.Arrays;
public class Array09 {
public static void main(String[] args) {
int temp = 0;
int[] a = {1,8,6,7,2,9,3,77,99,25,55};
for (int i = 0; i <a.length ; i++) {
for (int j = 0; j < a.length-1-i; j++) { // -i是种优化,把每次两两对比产生的最大值,即最大的或最下的去掉。
if (a[j+1] > a[j]){
temp = a[j];
a[j] = a[j+1];
a[j+1] = temp;
}
}
}
System.out.println(Arrays.toString(a));
}
}
稀疏数组介绍
- 当一个数组中大部分元素为0,或者为同一值的数组时,可以使用稀疏数组来保存该数组。
- 稀疏数组的处理方式是:
-- 记录数组一共有几行几列,有多少个值
-- 把具有不同值的元素行列及值记录在一个小规模的数组中,从而缩小程序的规模 - 如图 左:原始数组 右:稀疏数组
![image]()
import java.util.Arrays;
public class Array01 {
public static void main(String[] args) {
//1.创建一个二维数组 11*11 0:没有棋子 1:黑棋 2:白棋
int[][] array1 = new int[11][11];
array1[1][2] = 1;
array1[2][3] = 2;
//输出原始的数组
System.out.println("输出原始的数组");
for (int[] ints : array1) {
for (int ints1 : ints) {
System.out.print(ints1+"\t");
}
System.out.println();
}
System.out.println("=================");
//转换为稀疏数组保存
//获取有效值的个数
int sum = 0;
for (int i = 0; i <array1.length ; i++) {
for (int j = 0; j <array1[0].length ; j++) {
if (array1[i][j] != 0){
sum+=1;
}
}
}
System.out.println("有效值的个数"+sum);
//2.创建一个稀疏数组的数组
int [][] array2=new int[sum+1][3];
array2[0][0] = 11;
array2[0][1] = 11;
array2[0][2] = sum;
//遍历二维数组,讲非零的值,存放在稀疏数组中
int count = 0;
for (int i = 0; i <array1.length ; i++) {
for (int j = 0; j <array1[i].length ; j++) {
if (array1[i][j] != 0){
count++;
array2[count][0] = i;
array2[count][1] = j;
array2[count][2] = array1[i][j];
}
}
}
//输出稀疏数组
System.out.println("稀疏数组");
for (int i = 0; i <array2.length ; i++) {
System.out.println(array2[i][0]+"\t"
+array2[i][1]+"\t"
+array2[i][2]+"\t");
}
System.out.println("=================");
System.out.println("还原");
//1.读取稀疏数组
int[][] array3 = new int[array2[0][0]][array2[0][1]];
//2.给其中的元素还原值
for (int i = 1; i <array2.length ; i++) {
array3[array2[i][0]] [array2[i][1]] = array2[i][2];
}
//3.打印
System.out.println("输出原来的数组");
for (int[] ints : array3) {
for (int anInt : ints) {
System.out.print(anInt+"\t");
}
System.out.println();
}
}
}

浙公网安备 33010602011771号