HDLbits——Shift Register
Shift4
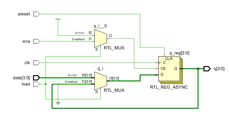
Build a 4-bit shift register (right shift), with asynchronous reset, synchronous load, and enable.
areset: Resets shift register to zero.
load: Loads shift register with data[3:0] instead of shifting.
ena: Shift right (q[3] becomes zero, q[0] is shifted out and disappears).
q: The contents of the shift register.
If both the load and ena inputs are asserted (1), the load input has higher priority.
verilog代码:
module top_module(
input clk,
input areset, // async active-high reset to zero
input load,
input ena,
input [3:0] data,
output reg [3:0] q);
always @(posedge clk or posedge areset)begin
if(areset)begin
q <= 4'b0;
end
else if (load)begin
q <= data;
end
else if(ena) begin
q <= {1'b0,q[3:1]};
end
else begin
q <=q;
end
end
endmodule
测试结果:

原理图


浙公网安备 33010602011771号