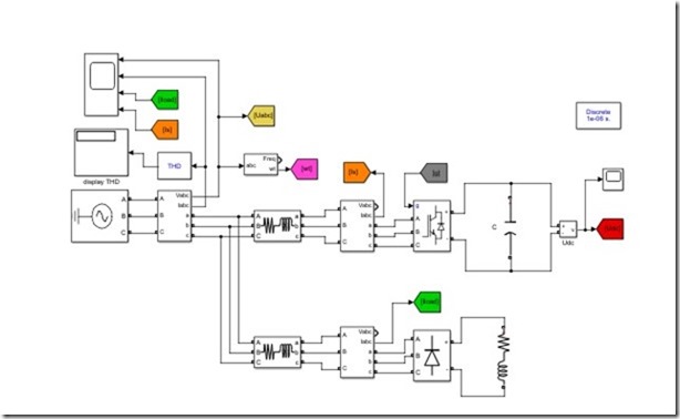
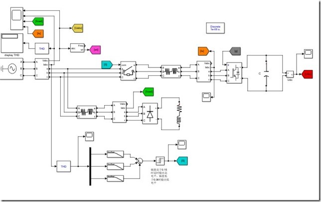
并联型APF 有源电力滤波器 Matlab Simulink仿真
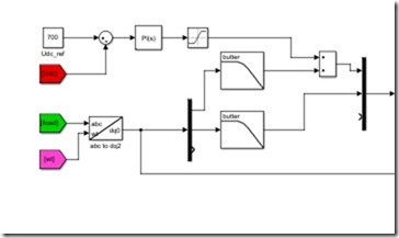
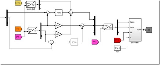
*dq FBD谐波 无功检测
*两相旋转坐标系(dq)、两相静止坐标系(αβ)下的PI控制
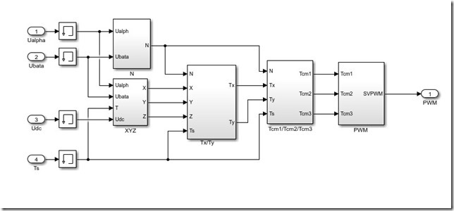
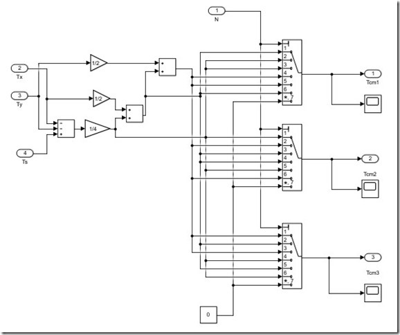
*SVPWM调制方式
(含仿真介绍文档)

ID:2450642338144475

456789123

posted on 2023-04-17 18:16  王曲  阅读(250)  评论(0)    收藏  举报