德力捷读码器-Matrix 320 ID-NET-软件设置教程
——基于 DL.CODE 软件读码器内部组网设定
一、接线方法
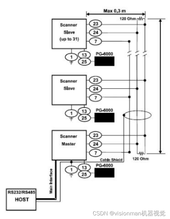
Matrix320 读码器具有内部 ID-NET 组网功能,每个读码器分别单独与控制盒 CBX100(或
CBX500)连接,各个控制盒都有相应 ID-NET 接线的端口:REF,ID+,ID—,通过三芯电缆
对
接组成内部网络,如下图所示:
25 针电缆中 23,24,25 针是用于内部组网,与 CBX100 ID-NET 三个端口相对应:

下图是各扫描器单独供电 ID-NET 整个内部接线图:

D-NET 组网实物接线方式如下:

当所有主从机接线完成之后,需要在最后一个从机控制盒中打开终端电阻开关,上图 B 中
④ ID-NET™Termination Resistance Switch.

本文来自博客园,作者:{视觉人机器视觉},转载请注明原文链接:https://www.cnblogs.com/visionman/p/17405152.html
浙公网安备 33010602011771号