2025-10-16

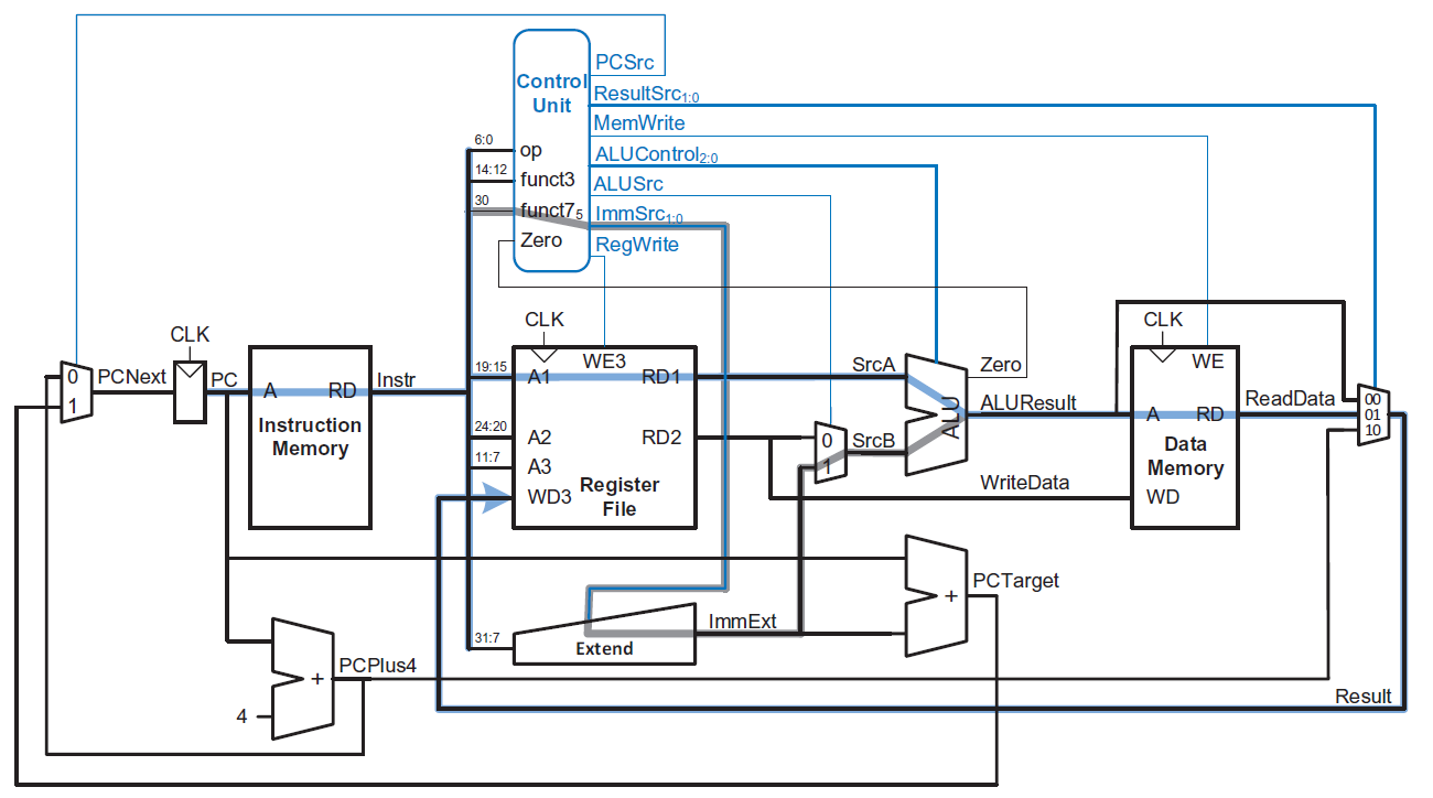
本来打算先随便写一个npc让系统先跑起来,但是转念一想这样后面还得返工,还不如实现一个相对靠谱一些的结构。最后打算按照下面的微架构实现第一版单周期的NPC

感觉我多少还是有些数字电路设计经验的,实现这个微架构应该不用太长时间。

这个图没办法实现auipclui指令,需要改进一下。增加ALUSrcA控制信号,当该控制信号为0时srcA等于0,当该控制信号为1时srcA等于RD1。另外增加ResultSrc的选项,当ResultSrc等于2'b11时,Result等于PCTarget。

这个微架构还有一个问题,按照图中的结构,pc只能来自于pc+4或者pc+立即数,但是对于指令jalr,pc应该是src1+立即数,所以pc的来源需要增加一个。

posted on 2025-10-16 16:40  veosat  阅读(6)  评论(1)    收藏  举报