CS5268替代AG9321Type-C转HDMI+VGA+PD+U3多口多功能拓展坞方案
CS5268替代AG9321Type-C转HDMI+VGA+PD+U3多口多功能拓展坞方案
CS5268是一款TYPEC转HDMI 4K30HZ+VGA 1080P+PD (100W或者60W)+USB3.0单芯片集成的拓展坞方案芯片。单颗芯片就可以同显示HDMI+VGA输出,且HDMI信号是4K30HZ,PD最大可以做100W,输出的USB3.0的功能可以集成多口HUB功能、网口的功能、读卡功能等,AG9321也是同等功能的芯片,均可以实现四合一功能的拓展坞芯片,支持高达4096x2160/30Hz的分辨率,可配置1、2或4通道配置,每通道速度为5.4(HBR2)、2、7(HBR)和1.62(RBR)。DP接收器支持每通道最大5.4Gbps(HBR2)数据速率。DP接收机结合了HDCP1.4和HDCP2.3具有嵌入式密钥内容保护方案,用于数字音视频内容的安全传输。HDMI发射机符合HDMI 1.4标准,支持高达4096x2160/30Hz的分辨率。综上所述:CS5268与AG9321在功能和参数特性上是一致的,且CS5268单颗芯片成本比AG9321要节省百分之二十,下面我们比较一下,CS5268与AG9321的设计原理图和整体BOM成本:
CS5268封装脚位是QFN68 。AG9321封装脚位是QFN88 其封装的尺寸更大。


实际芯片的尺寸图如下对:


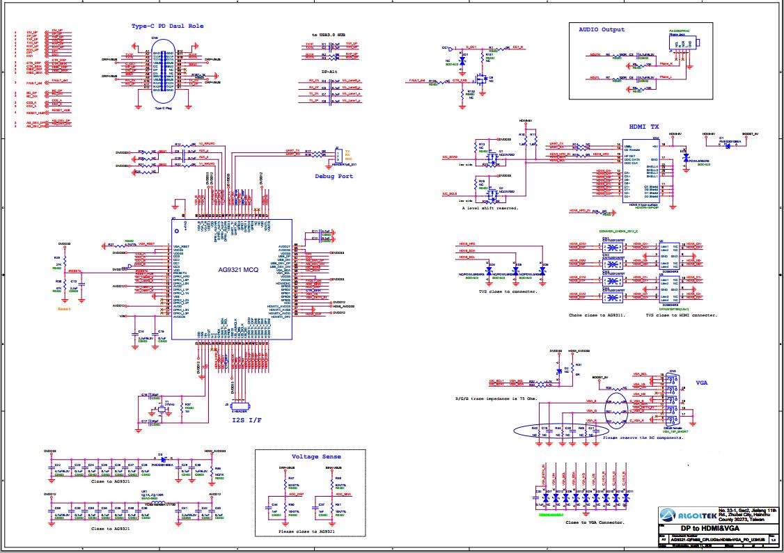
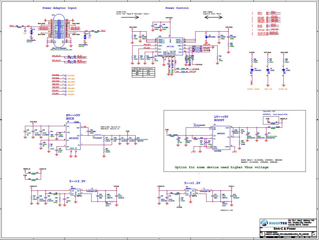
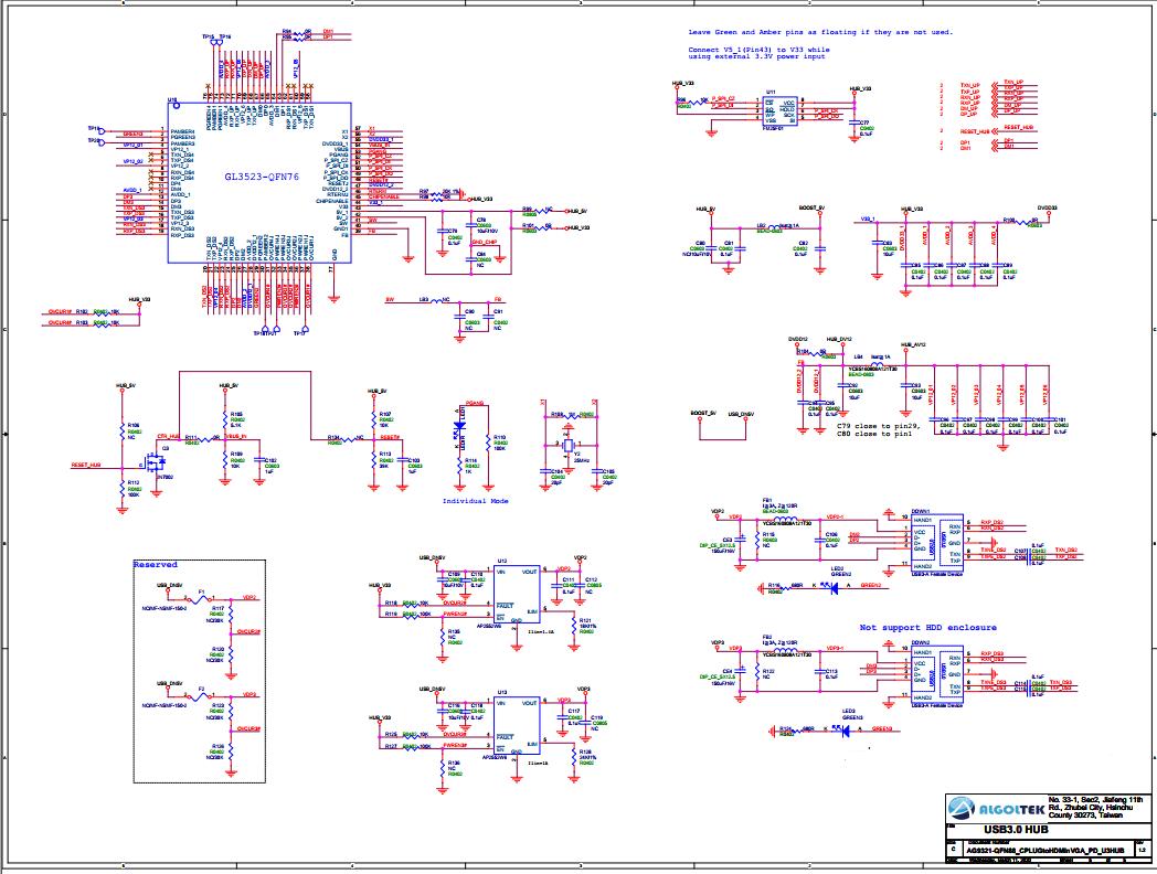
CS5268设计Type-C转HDMI+VGA+PD+U3四合一拓展坞DEMOBOARD板参考原理图和AG9321设计同等功能的四合一DEMOBORAD板参考原理图对比如下:





综上所示:
AG9321设计繁琐,原理图复杂,CS5268设计较为简单,原理图器件较少,外围布线更为方便,且整体设计板框较小。
CS5268 设计四合一Type-C转HDMI+VGA+PD+U3 PCB板框和元器件如下:

CS5268 TYPEC转HDMI +PD+VGA+U3四合一拓展坞PCB板框设计如下:

PCBA设计走线如下:

综上所示:
CS5268 芯片内置晶振,内置LDO,内置MCU,整个板框设计简单,且在可以在线更新FW,兼容的设备和显示器更多,适用于更多的产品应用当中。此外CS5268可随意设计PD快充60W 87W 100W等各种参数,且支持任天堂SWITCH功能,可以用于设计各种游戏机的扩展坞底座当中。
 
                     
                    
                 
                    
                
 
                
            
         
         浙公网安备 33010602011771号
浙公网安备 33010602011771号