软件工程校内外卖进度报告
后端任务:完成E-R图和形成数据库表
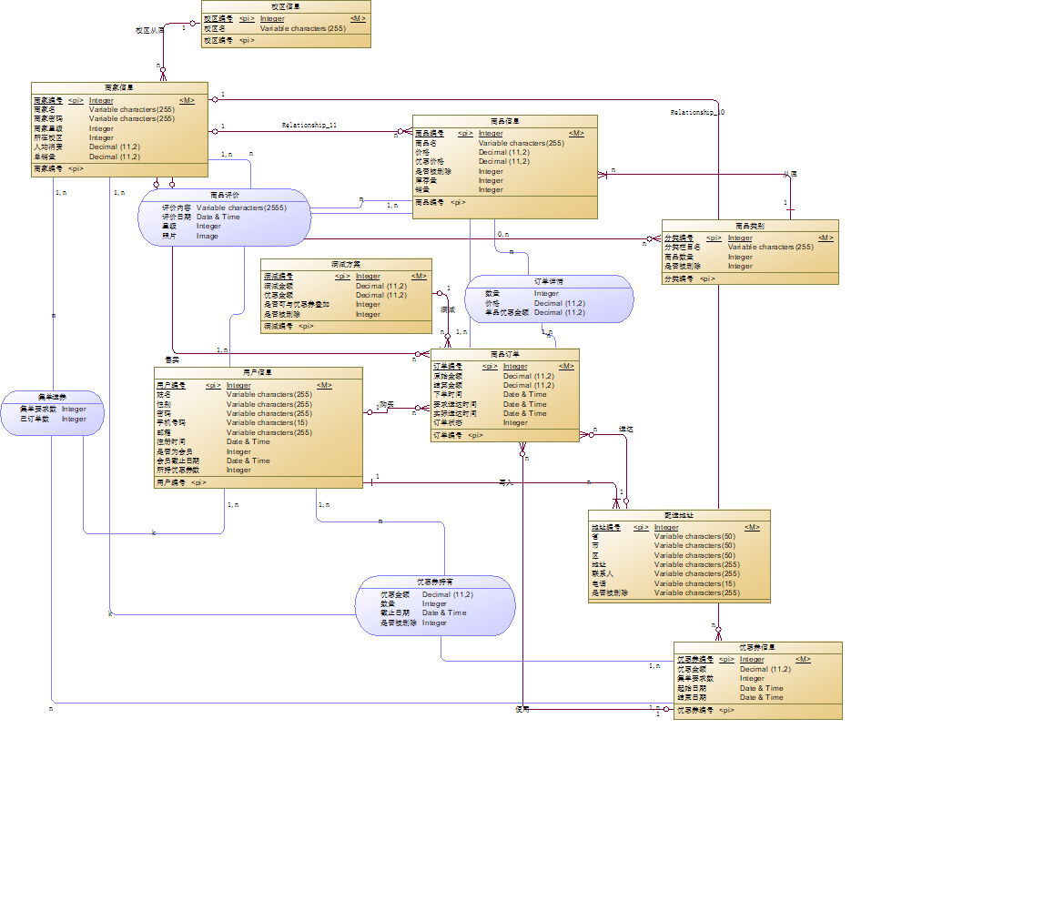
实体及属性:
校区信息(校区编号,校区商家信息(商家编号,校区编号,商家名,商家密码,商家星级,人均消费)
用户信息(用户编号,姓名,性别,密码,手机号码,邮箱,注册时间,是否为会员,会员截止时间,所持优惠券数)
商品信息(商品编号,分类编号,商家编号,商品名,价格,优惠价格,是否被删除,库存量,销量)
商品类别(分类编号,商家编号,分类栏目名,商品数量,是否被删除)
满减方案(满减编号,满减金额,优惠金额,是否可与优惠券,是否删除)
优惠券信息(优惠券编号,商家编号,优惠金额,集单要求数,起始日期,结束日期)
商品订单(订单编号,用户编号,优惠券编号,满减编号,地址编号,商家编号,原始金额,结算金额,下单时间,要求送达时间,实际送达时间,订单状态)
配送地址(地址编号,用户编号,省,市,区,地址,联系人,电话,是否被删除)
联系:
多元联系及属性:
联系实体:商家信息,商品信息,用户信息,商品订单
商品评价(商家编号,用户编号,商品编号,订单编号,评价内容,评价日期,星级,照片)
联系实体:商家信息,用户信息,优惠券信息
集单送券(商家编号,用户编号,优惠券编号,集单要求数,已订单数)
联系实体:商品信息,商品订单
订单详情(订单编号,商品编号,数量,价格,单品优惠金额)
联系实体:用户信息,优惠券信息,商家信息
优惠券持有(用户编号,优惠券编号,商家编号,优惠金额,数量,截止日期,是否被删除)
二元联系:
校区信息 → 商家信息 1 → n
商家信息 → 优惠券信息 1 → n
商家信息 → 商品信息 1 → n
商家信息 → 商品订单 1 → n
商家信息 → 商品类别 1 → n
商品类别 → 商家信息 1 → n
满减方案 → 商品订单 1 → n
用户信息 → 商品订单 1 → n
用户信息 → 配送地址 1 → n
配送地址 → 商品订单 1 → n
优惠券信息 → 商品订单 1 → n
er图——概念模型:

物理模型:

数据库表:


浙公网安备 33010602011771号