MiniARM工控核心板之浅谈TF卡电路设计(转载于周立功网站)
转载于: http://www.zlg.cn/ipc/article/detail/id/525.html
Micro SD卡(又称TF卡)是一种极细小的快闪存储器卡,原本这种记忆卡称为T-Flash,后来改为TransFlash(TF卡);而重新命名为Micro SD的原因是因为被SD协会(SDA)采立,Micro SD卡仿效SIM卡的应用模式,即使用同一张卡可以应用在不同型号的移动电话内,它的大小仅为15mm x 11mm x 1mm,TF卡及现在普遍使用的Micro SD卡如图1所示。

Micro SD卡作为一种大容量、性价比高、体积小、访问接口简单的存储卡,它已大量应用于MP3、手机、PDA等便捷式设备当中;除此之外,它还具有低功耗、非易失性、保存数据无需消耗能量等特点。
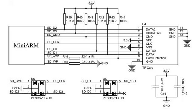
MiniARM核心板MCU内部集成了SD卡控制器,因此在设计SD卡电路时,只需将这些接口相应地接到Micro SD卡座就可以了,参考电路如图2所示。

SD_D0~SD_D3、SD_CMD信号线都使用10KΩ电阻上拉至3.3V,目的是增强电路的驱动能力。
卡插入检测信号线SD_nCD用于检测卡是否插入。当卡未插入卡座时,SD_nCD为高电平;当卡完全插入卡座时,SD_nCD被拉低为低电平。
SD_WP用于检测卡是否有写保护,其检测原理和检测卡是否插入的原理相同,对于本电路来说,由于使用的是Micro SD卡座,它没有SD卡覆写保护开关的功能,因此直接接个下拉电阻到地即可。
U5和U6为ESD保护器件,为可靠的数据存储操作提供了强有力的静电保护。值得注意的是,对于此ESD保护器件,建议用户选择结电容较小的器件,推荐使用NXP的PESD3V3L4UG,否则会造成读写SD卡失败等现象。
U5和U6为ESD保护器件,为可靠的数据存储操作提供了强有力的静电保护。值得注意的是,对于此ESD保护器件,建议用户选择结电容较小的器件,推荐使用NXP的PESD3V3L4UG,否则会造成读写SD卡失败等现象。
MiniARM工控核心板具有强大的功能和可靠的稳定性,通过选用该系列核心板进行产品开发,可以使得用户的产品开发流程更短、开发的产品更具可靠。其简要描述如下表所示。

- MiniARM-M3352(邮票孔)
- 主频800MHz,双CAN、双网口、6串口
- 工作温度-40℃ ~ +85℃
- 电磁兼容达工业4级
- 双系统架构设计
- 5年以上生命周期

- MiniARM-M3352(插针)
- 主频800MHz,双CAN、双网口、6串口
- 工作温度-40℃ ~ +85℃
- 电磁兼容达工业4级
- 双系统架构设计
- 5年以上生命周期
浙公网安备 33010602011771号