ARM核心板之-电平转换电路分析(上)(转载于周立功网站)
转载于:http://www.zlg.cn/ipc/article/detail/id/520.html
对于多数MCU,其引脚基本上是CMOS结构,因此输入电压范围是:高电平不低于0.7VCC,低电平不高于0.3VCC。
但在介绍电平转换电路之前,我们需要先来了解以下几点:
1. 解决电平转换问题,最根本的就是要解决电平的兼容问题,而电平兼容原则有两条:①VOH>VIH ②VOL<vil< p="">

2. 对于多电源系统,某些器件不允许输入电平超过电源电压,针对有类似要求的器件,电路上应适当做些保护。
3. 电平转换电路会影响通信速度,所以使用时应当注意通信速率上的要求。
4. 不同转换方式的驱动能力有所不同,在选择上应适当地加以考虑。
5. 当需要转换的路数较多时,转换方式选择不当将会导致元器件较多,或布线不方便。
下面通过致远MiniARM核心板的实例来给大家分享常用的电平转换电路方法。
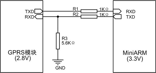
电阻分压法是最简便的一种方法,该电路的工作方式是对逻辑电平高的进行分压。以MiniARM核心板与GPRS模块通信为例。MiniARM核心板IO电平为3.3V,而GPRS模块的IO电平为2.8V,两者之间通信时可以用图 2来实现电平匹配。

对电阻分压的转换电路进行测试,转换后波形如图 3所示。

使用二极管来实现电平匹配,以MiniARM核心板与GPRS模块为例。

当GPRS模块TXD为高电平时,由于二极管D2的钳位作用,MiniARM的RXD会得到2.8V+VF高电平电压。
当MiniARM的TXD为高电平时,由于二极管D1的钳位作用,GPRS模块的RXD会得到2.8V+VF高电平电压。
使用该电路应注意:
- 1. MiniARM的TXD输出端串联电阻R1的作用是限流, 同时R1会限制两者之间的通信速度。
- 2. MiniARM的TXD输出端会通过二极管D1向GPRS模块的VDD_EXT电源输入电流,防止VDD_EXT过压。
- 3. GPRS模块TXD的VOL最大值为0.1V,当输出低电平时,由于二极管的钳位作用,MiniARM的RXD的电压是0.1V+VF,该低电压应低于VIL。
先为大家介绍以上两种电平转换电路,后续将介绍其他几种方法。
MiniARM工控核心板具有强大的功能和可靠的稳定性,通过选用该系列核心板进行产品开发,可以使得用户的产品开发流程更短、开发的产品更具可靠。其简要描述如下表所示

- MiniARM M283、M287;
- 主频454MHz,双CAN、双网口、6串口;
- 工作温度-40℃ ~ +85℃;
- 电磁兼容达工业4级;
- 双系统架构设计;
- 5年以上生命周期;

- MiniARM M3352(插针);
- 主频800MHz,双CAN、双网口、6串口;
- 工作温度-40℃ ~ +85℃;
- 电磁兼容达工业4级;
- 双系统架构设计;
- 5年以上生命周期;

- MiniARM M3352(邮票孔);
- 主频800MHz,双CAN、双网口、6串口;
- 工作温度-40℃ ~ +85℃;
- 电磁兼容达工业4级;
- 双系统架构设计;
- 5年以上生命周期。
浙公网安备 33010602011771号