在FPGA中嵌入8051核的详细方法与步骤
转载于:http://blog.sina.com.cn/s/blog_52e8baa40100t52i.html
首先声明:本文是在我的技术指导员的指导下由本人根据实践摸索而得的经验所原创,如有转载请注明作者及出处。
并且也敢大胆的说一句这也许是网络上最完整的最清晰最详细的在FPGA中嵌入51单片机内核的中文教程。不信你网上搜搜,反正当初我摸索的时候是每找到一篇具有实用价值的文章。我就非常不理解,这不是一项很少人掌握的技术,为什么就几乎没有人将此分享出来呢。
好了,废话不多说了,上正文。此教程我使用的是http://www.oreganosystems.at/网站提供的开源8051内核。Altera自带的8051内核并不是免费的,我也曾跟altera的客服发邮件申请过8051内核(英文的邮件交流。。我也不太说),反正用邮件对话了几次大致意思是他们不免费给,说网上有免费的51IP核可以自己去下载。可以自己去那个网上下载或者下载我上传的

该8051内核源码文章末尾会提供下载地址,

打开后的文件有上面这些文件夹。其中就一个最重要的就是8051核的源码,全部放在vhdl这个文件夹里面。那个pdf文档是这个IP核的使用教程,是官方标配的使用文档,也是纯英文的,对于英语四级没过的我下定决心花了大力气看最后只是一场空。。这问文档写的是用Synplify Pro这个综合软件综合的,虽然据说用这个软件进行综合可以节约FPGA的很多逻辑单元,但是对于我们这些初学者来讲,真的又麻烦又不适用,我们还是直接用QuartusII 来进行综合好了。

51IP核的源码全部在都在vhdl 这个文件夹中,打开是一大堆的源文件。

对于这么多的文件该怎么用,该如何使用,这是本文的重点。
首先用QuartusII建立一个工程,这这里先提醒下,文件目录最好不要包含中文,空格,不然会有些无法理解的错误。
然后将 vhdl 整个文件夹复制到工程目录下(个人习惯,等下添加进工程里面的时候方便点)。下面是添加8051核文件的步骤。


选择文件添加进工程。这里注意下
后面拖着_cfg 的这种文件不要添加进工程里面,还有就是含有_top_的文件也不要添加到里面。
然后双击打开mc8051_p.vhd 这个文件。把下面这些模块的例化语句全部删掉,这点非常重要!!
component mc8051_top
port (clk : in std_logic;
reset : in std_logic;
int0_i : in std_logic_vector(C_IMPL_N_EXT-1 downto 0);
int1_i : in std_logic_vector(C_IMPL_N_EXT-1 downto 0);
all_t0_i : in std_logic_vector(C_IMPL_N_TMR-1 downto 0);
all_t1_i : in std_logic_vector(C_IMPL_N_TMR-1 downto 0);
all_rxd_i : in std_logic_vector(C_IMPL_N_SIU-1 downto 0);
p0_i : in std_logic_vector(7 downto 0);
p1_i : in std_logic_vector(7 downto 0);
p2_i : in std_logic_vector(7 downto 0);
p3_i : in std_logic_vector(7 downto 0);
p0_o : out std_logic_vector(7 downto 0);
p1_o : out std_logic_vector(7 downto 0);
p2_o : out std_logic_vector(7 downto 0);
p3_o : out std_logic_vector(7 downto 0);
all_rxd_o : out std_logic_vector(C_IMPL_N_SIU-1 downto 0);
all_txd_o : out std_logic_vector(C_IMPL_N_SIU-1 downto 0);
all_rxdwr_o : out std_logic_vector(C_IMPL_N_SIU-1 downto 0));
end component;
-----------------------------------------------------------------------------
-- START: Component declarations for simulation models
-----------------------------------------------------------------------------
component mc8051_ram
port (clk : in std_logic;
reset : in std_logic;
ram_data_i : in std_logic_vector(7 downto 0);
ram_data_o : out std_logic_vector(7 downto 0);
ram_adr_i : in std_logic_vector(6 downto 0);
ram_wr_i : in std_logic;
ram_en_i : in std_logic);
end component;
component mc8051_ramx
port (clk : in std_logic;
reset : in std_logic;
ram_data_i : in std_logic_vector(7 downto 0);
ram_data_o : out std_logic_vector(7 downto 0);
ram_adr_i : in std_logic_vector(15 downto 0);
ram_wr_i : in std_logic);
end component;
component mc8051_rom
port (clk : in std_logic;
reset : in std_logic;
rom_data_o : out std_logic_vector(7 downto 0);
rom_adr_i : in std_logic_vector(15 downto 0));
end component;
-----------------------------------------------------------------------------
-- END: Component declarations for simulation models
-----------------------------------------------------------------------------
然后双击打开mc8051_core.vhd 这个文件。

这样就可以生成mc8051核的原理图模块了。

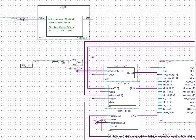
当然光有这个核,它还不是完整的51核,还需要给它添加ram和rom
Ram是必须的,ramx是扩展的,rom也是必须的,是用来放所需运行的51单片机程序的,大小可以根据需要定制。但是推荐ram的大小用固定的以下配置。

三个存储单元都有一点需要注意,就是不能寄存输出

就是在ram和rom配置的时候都要把 ‘q‘output port 前面的勾去掉!这点也很重要。
rom配置的时候需要加入.hex文件,就是keilc51 编译好的平时下载到单片机实验板上的那个程序文件,初始的时候可以随便添加一个就可以了,待程序写好后,就重新把它添加要rom里面,注意,如果改变了rom的程序文件,那么要重新完整编译一次下载到板子上才是更新后的程序噢。

然后就按照固定的格式将他们连接起来就可以了。可以发现,有些线是断开的通过标号来连接的,跟protel里的网络标号差不多。一般的数据宽度不匹配的时候就用这种方式来连接,如果直接连接,编译会报错的。

这里面我添加了锁相环,这个最好加上,因为我在测试的时候发现同样的时钟频率下,加了锁相环才能工作,不加就不工作。
Ok 编译下载就成功了。不过从编译报告来看,这个东西的确占逻辑单元比较多,我的板子是EP2C8Q208C8的芯片,用了一半的逻辑单元去。。。电脑CPU差,编译时间又挺漫长的。。
嗯,总结一下嵌入51核要注意的点
1、添加文件进工程时,有些是必要的,有些是不能加的。
2、有个文件要进行一下修改
3、配置ram和rom的时候,不要寄存器输出。
如有错误,欢迎指正。
该8051内核源码如果官网下载不方便,请移步至此处下载:
https://www.oreganosystems.at/products/ip-cores/8051-ip-core
浙公网安备 33010602011771号