迅为2K0300开发板进一步刨析,打造HMI一体机产品的灵活优势
旗舰产品线"三剑客"包含:
▶ 面向服务器市场的3C6000芯片组,通过架构优化实现性能倍增和主频突破,配合显著降低的制造成本,在存储服务器领域构筑竞争优势
▶ 专攻终端市场的2K3000方案,凭借性能与成本的双重优势,适配云终端等场景需求
▶ 以及经过市场检验的桌面组合方案3A6000+7A2000,为办公应用提供可靠支撑。
▶ 专攻终端市场的2K3000方案,凭借性能与成本的双重优势,适配云终端等场景需求
▶ 以及经过市场检验的桌面组合方案3A6000+7A2000,为办公应用提供可靠支撑。
目前,北京迅为电子已经发布采用3A6000+7A2000方案的终端产品>>>
创新产品线"三尖兵"聚焦细分市场
▶ 涵盖嵌入式系统处理器2K0300
▶ 电动工具专用MCU1C203
▶ 打印设备SoC2P0300等专用芯片
▶ 打印设备SoC2P0300等专用芯片
2K0300是三尖兵的首款产品,可见2K0300在龙芯产品线的重要位置。我们先来看一下龙芯2k0300处理器的外围资源。
龙芯2K0300处理器介绍
处理器核
4位双发射超标量LA264微内核,采用10级流水线架构设计,支持LoongArch指令系统,基于成熟的28nm全国产工艺,主频达1Ghz。
高速缓存
32KB一级指令缓存和32KB一级数据缓存,支持ECC校验;512KB二级共享缓存,支持ECC校验。
内存控制器
16位DDR4-1600控制器。支持ECC校验。
高速I/O资源
2个USB2.0、2个千兆网口、1路LCD显示(1080p)。
其他I/O资源
1个I2S、4个CAN-FD、4个SPI、2个QSPI、2个eMMC、2个SDIO、1个LIO、8通道ADC、4个I2C、10个UART,4个PWM、3组TIMER、106个GPIO、RTC、HPET、JTAG等。
功耗管理
32KB一级指令缓存和32KB一级数据缓存,支持ECC校验;512KB二级共享缓存,支持ECC校验。
运行温度
商业级为0℃到70℃(Tc),工业级为-40℃到95℃(Tc)。
严苛品控
通过严苛电磁兼容测试(包括浪涌、脉冲群、静电),高强度抗干扰,防静电,防电磁干扰,适用于高可靠领域,确保长期稳定运行。
相对于对标Arm Cortex-A53/A55架构的产品来说,2k0300外设资源非常丰富。基于这个原因,北京迅为推出了HMI产品。
iTOP-LS2K0300-HMI:灵活丰富接口
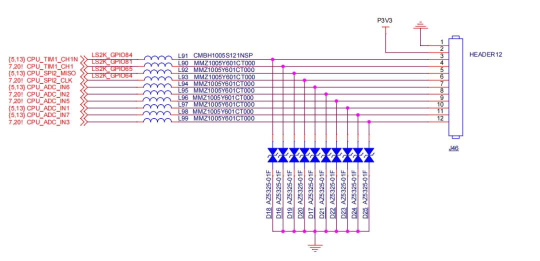
iTOP-LS2K0300 HMI板载CAN/L-H、RS485*2、RS232*3等工业通信接口,可以用于复杂的控制场景;还集成WIFI/BT、Ethernet实现无线与有线网络连接,可以满足物联网开发需求;提供USB2.0、OTG、TF Card等通用接口,便于数据传输与存储扩展;同时配备GPIO*4、ADC*6、RGB接口等硬件资源,支持传感器接入与自定义功能开发;也可以支持多样化的功能扩展与通信需求。在工业自动化、智能设备、嵌入式系统等领域具有显著优势。

iTOP-LS2K0300-HMI:超强的防护能力
常用接口如GPIO全部添加ESD电路,如RS485接口增加抑制共模干扰电路。显著增加硬件防护能力和抗干扰能力。

另外配备塑料外壳,进一步增强防尘,防水能力。
