迅为干货 | Linux系统移远EC20 4G模块移植方法
硬件平台:迅为i.MX6Q开发板

1. 4G网络连接
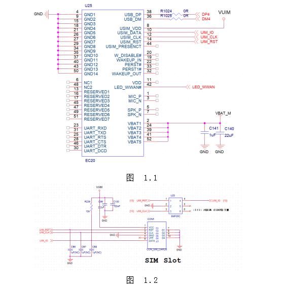
对于嵌入式Linux而言,4G网络连接是一个比较容易实现的功能,大多数的4G模块接口都是MiniPCIE接口,但是深入了解一下就会发现,4G模块的通信接口都是USB,所以4G模块的驱动就是USB驱动,只要USB驱动正常,4G模块在硬件上就能正常通信。下面看一下4G模块的硬件原理图:

在原理图中,U25是4G模块的MiniPCIE接口,然后通信引脚会接到U15的HUB芯片上,所以4G模块会被识别成USB设备,CON5是SIM卡接口,在使用4G模块时,需要先插入SIM卡。在i.MX6UL终结者开发板上使用的EC20 4G模块,如图 1.3所示:

2. EC20 4G模块配置
2.1. 添加USB设备信息
要使用EC20 4G模块首先需要在Linux内核中添加EC20的USB信息,这样内核启动后,才能正确识别EC20 4G模块。打开Linux内核下的drivers/usb/serial/option.c 文件,添加如下信息:

其中第1813行是EC20 4G模块的USB信息。
2.2. Linux内核配置
添加完EC20 4G模块的USB信息后,需要修改Linux 内核配置来支持USBNET功能。具体配置如下:

配置如图 2.2.1所示:

接下来我们还需要使能 USB 串口 GSM、CDMA 驱动,配置路径如下:

配置如图 2.2.2所示:

然后配置ppp,配置路径如下:

配置如图 2.2.3所示:
配置完成后,重新编译内核,然后使用新的内核启动开发板。如果配置成功开发板启动后会有如图 2.2.4信息打印:

可以看出EC20 4G模块识别成功,并且虚拟出5个USB设备,分别为ttyUSB0~ttyUSB4。
3. EC20 4G模块联网测试
3.1. PPP软件包编译
首先拷贝ppp-2.4.4.tar.gz到Ubuntu下,然后执行下面的命令解压:
tar -xvf ppp-2.4.4.tar.gz
解压完成得到ppp-2.4.4目录,进入ppp-2.4.4目录如图 3.1.1所示:
使用configure进行配置,命令如下:
./configure
结果如图 3.1.2所示:

配置完成后,使用下面的命令进行编译:
make CC=arm-linux-gnueabihf-gcc
“CC=arm-linux-gnueabihf-gcc”指定编译器,和开发板Linux内核使用同一个编译器。编译完成如图 3.1.3所示:

编译完成后,分别在chat、pppd、pppdump、pppstats四个目录下生成chat、pppd、pppdump、pppstats可执行文件,用于后面的4G模块联网测试。
3.2. EC20 4G模块联网测试
首先安装好EC20 4G模块、天线和SIM卡,如图 3.2.1所示:

开发板准备好后启动Linux系统,待系统启动后,进入/etc目录,然后创建ppp目录,具体命令如下:
cd /etc //进入etc目录
mkdir ppp //创建ppp目录
目录创建完后,使用U盘将上一节编译的chat、pppd、pppdump、pppstats四个可执行文件拷贝到/etc/ppp目录下,如图 3.2.2所示:

然后在/etc/ppp目录下创建pap-secrets文件,使用下面命令:

输入如下内容:

在4G信号在通信时候有一个密码的比对,密码对了就可以通信了。上面显示用户是card,密码是card。
然后创建新文件夹peers,命令“mkdir peers”。进入peers文件夹,创建wcdma文件,命令如下:
touch wcdma
vi wcdma
输入如下内容:
# /etc/ppp/peers/wcdma# This is pppd script for China liantong# Usage: root>pppd call wcdma
hide-password
noauth
connect '/etc/ppp/chat -s -v -f /etc/ppp/peers/wcdma-chat-connect'
disconnect '/etc/ppp/chat -s -v -f /etc/ppp/peers/wcdma-chat-disconnect'
debug
/dev/ttyUSB2
115200
defaultroute
noipdefault
novj
novjccomp
noccp
ipcp-accept-local
ipcp-accept-remote
local
lock
dump
nodetach
user "card"
password "card"
crtscts
remotename 3gppp
ipparam 3gppp
usepeerdns
需要注意的是使用/dev/ttyUSB2设备节点文件。
“user "card"”和“password "card"”对应了pap-secrets文件中的用户名和密码。
创建wcdma-chat-connect文件:
touch wcdma-chat-connect
vi wcdma-chat-connect
内容如下:

在这里 OK \rAT+CGDCONT=1,"IP","3gnet",,0,0 OK-AT-OK ATDT*99#这两句话会根据移动联通或者是电信而变化,这里用的是移动4G。
创建wcdma-chat-disconnect文件:
touch wcdma-chat-disconnect
vi wcdma-chat-disconnect
内容如下:

所需文件创建完成后,就可以进行联网测试了。
首先关闭eth0设备,因为和EC20 4G模块有冲突,同时只能使用一个设备。命令如下:
ifconfig eth0 down
然后在/etc/ppp目录下输入指令:
./pppd call wcdma &
结果如图 3.2.3所示:

上图表示联网成功后的IP地址为10.47.135.182,使用ifconfig命令查看结果如图 3.2.4:

这时使用ping命令查看能够ping通外网,命令如下:
ping 202.108.22.5 -c 4
“-c”选项指定ping网络的次数。“202.108.22.5”是百度的IP地址,结果如图 3.2.5:

发现不能ping通外网,愿意是因为DNS没有设置对,在etc下有一个文件resolv.conf。这个文件是用来放DNS的。就是这个里面的域名没有设置对。然而在eth0的运行脚本里强制性的把这个文件复制为了192.168.1.1 。这就造成即便在这里文件里设置上正确的DNS,再开机后也会发现这个文件里已经是192.168.1.1了。这是因为eth0,是开机自启动的。
我们在/etc目录下新建一个文件resolv.conf_back:
touch resolv.conf_back
vi resolv.conf_back
输入如下内容:
nameserver 202.99.160.68nameserver 221.130.33.52nameserver 221.130.33.60nameserver 192.168.1.1
然后在新建一个脚本文件ppp0:
touch ppp0
vi ppp0
输入如下内容:
#!/bin/shifconfig eth0 downcp /etc/resolv.conf_back /etc/resolv.conf/etc/ppp/pppd call wcdma&
修改ppp0文件的执行权限:
chmod 777 ppp0
这里第一步是将eth0关掉,第二步将我们的DNS文件覆盖到resolv.conf上,第三步运行。然后重新开机,执行ppp0脚本,命令如下:
/etc/ppp0
脚本执行成功后,重新使用ping命令,结果如图 3.2.6所示:

图片显示可以正常ping通百度的IP地址。至此EC20 4G模块就可以正常使用了。

浙公网安备 33010602011771号