【Java】List、Set、数据结构、Collections

🔎这里是【Java】,关注我学习Java不迷路
👍如果对你有帮助,给博主一个免费的点赞以示鼓励
欢迎各位🔎点赞👍评论收藏⭐️
👀专栏介绍
【Java】 目前主要更新Java,一起学习一起进步。
👀本期介绍
本期主要介绍List、Set、数据结构、Collections
文章目录
2.3 简述Comparable和Comparator两个接口的区别。
第一章 数据结构
2.1 数据结构有什么用?
当你用着java里面的容器类很爽的时候,你有没有想过,怎么ArrayList就像一个无限扩充的数组,也好像链表之类的。好用吗?好用,这就是数据结构的用处,只不过你在不知不觉中使用了。
现实世界的存储,我们使用的工具和建模。每种数据结构有自己的优点和缺点,想想如果Google的数据用的是数组的存储,我们还能方便地查询到所需要的数据吗?而算法,在这么多的数据中如何做到最快的插入,查找,删除,也是在追求更快。
我们java是面向对象的语言,就好似自动档轿车,C语言好似手动档吉普。数据结构呢?是变速箱的工作原理。你完全可以不知道变速箱怎样工作,就把自动档的车子从 A点 开到 B点,而且未必就比懂得的人慢。写程序这件事,和开车一样,经验可以起到很大作用,但如果你不知道底层是怎么工作的,就永远只能开车,既不会修车,也不能造车。当然了,数据结构内容比较多,细细的学起来也是相对费功夫的,不可能达到一蹴而就。我们将常见的数据结构:堆栈、队列、数组、链表和红黑树 这几种给大家介绍一下,作为数据结构的入门,了解一下它们的特点即可。

2.2 常见的数据结构
数据存储的常用结构有:栈、队列、数组、链表和红黑树。我们分别来了解一下:
栈
-
栈:stack,又称堆栈,它是运算受限的线性表,其限制是仅允许在标的一端进行插入和删除操作,不允许在其他任何位置进行添加、查找、删除等操作。
简单的说:采用该结构的集合,对元素的存取有如下的特点
-
先进后出(即,存进去的元素,要在后它后面的元素依次取出后,才能取出该元素)。例如,子弹压进弹夹,先压进去的子弹在下面,后压进去的子弹在上面,当开枪时,先弹出上面的子弹,然后才能弹出下面的子弹。
-
栈的入口、出口的都是栈的顶端位置。
-
![]()
这里两个名词需要注意:
-
压栈:就是存元素。即,把元素存储到栈的顶端位置,栈中已有元素依次向栈底方向移动一个位置。
-
弹栈:就是取元素。即,把栈的顶端位置元素取出,栈中已有元素依次向栈顶方向移动一个位置。
队列
-
队列:queue,简称队,它同堆栈一样,也是一种运算受限的线性表,其限制是仅允许在表的一端进行插入,而在表的另一端进行删除。
简单的说,采用该结构的集合,对元素的存取有如下的特点:
-
先进先出(即,存进去的元素,要在后它前面的元素依次取出后,才能取出该元素)。例如,小火车过山洞,车头先进去,车尾后进去;车头先出来,车尾后出来。
-
队列的入口、出口各占一侧。例如,下图中的左侧为入口,右侧为出口。
-
![]()
数组
-
数组:Array,是有序的元素序列,数组是在内存中开辟一段连续的空间,并在此空间存放元素。就像是一排出租屋,有100个房间,从001到100每个房间都有固定编号,通过编号就可以快速找到租房子的人。
简单的说,采用该结构的集合,对元素的存取有如下的特点:
-
查找元素快:通过索引,可以快速访问指定位置的元素
-
![]()
-
增删元素慢
-
指定索引位置增加元素:需要创建一个新数组,将指定新元素存储在指定索引位置,再把原数组元素根据索引,复制到新数组对应索引的位置。如下图
-
![]()
-
指定索引位置删除元素:需要创建一个新数组,把原数组元素根据索引,复制到新数组对应索引的位置,原数组中指定索引位置元素不复制到新数组中。如下图
-

链表
-
链表:linked list,由一系列结点node(链表中每一个元素称为结点)组成,结点可以在运行时i动态生成。每个结点包括两个部分:一个是存储数据元素的数据域,另一个是存储下一个结点地址的指针域。我们常说的链表结构有单向链表与双向链表,那么这里给大家介绍的是单向链表。
![]()
简单的说,采用该结构的集合,对元素的存取有如下的特点:
-
多个结点之间,通过地址进行连接。例如,多个人手拉手,每个人使用自己的右手拉住下个人的左手,依次类推,这样多个人就连在一起了。
-
![]()
-
查找元素慢:想查找某个元素,需要通过连接的节点,依次向后查找指定元素
-
增删元素快:
-
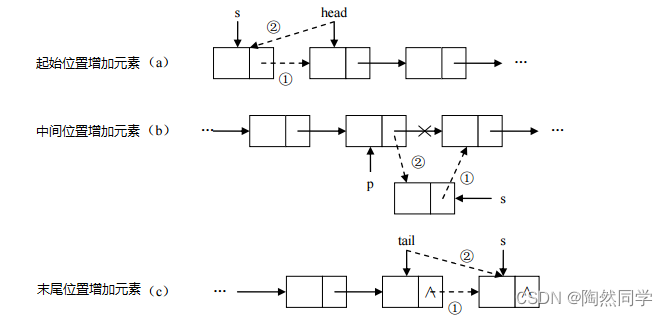
增加元素:只需要修改连接下个元素的地址即可。
-
![]()
-
删除元素:只需要修改连接下个元素的地址即可。
-
![]()
-
红黑树
-
二叉树:binary tree ,是每个结点不超过2的有序树(tree) 。
简单的理解,就是一种类似于我们生活中树的结构,只不过每个结点上都最多只能有两个子结点。
二叉树是每个节点最多有两个子树的树结构。顶上的叫根结点,两边被称作“左子树”和“右子树”。
如图:
我们要说的是二叉树的一种比较有意思的叫做红黑树,红黑树本身就是一颗二叉查找树,将节点插入后,该树仍然是一颗二叉查找树。也就意味着,树的键值仍然是有序的。
红黑树的约束:
-
节点可以是红色的或者黑色的
-
根节点是黑色的
-
叶子节点(特指空节点)是黑色的
-
每个红色节点的子节点都是黑色的
-
任何一个节点到其每一个叶子节点的所有路径上黑色节点数相同
红黑树的特点:
速度特别快,趋近平衡树,查找叶子元素最少和最多次数不多于二倍
第二章 List集合
我们掌握了Collection接口的使用后,再来看看Collection接口中的子类,他们都具备那些特性呢?
接下来,我们一起学习Collection中的常用几个子类(java.util.List集合、java.util.Set集合)。
1.1 List接口介绍
java.util.List接口继承自Collection接口,是单列集合的一个重要分支,习惯性地会将实现了List接口的对象称为List集合。在List集合中允许出现重复的元素,所有的元素是以一种线性方式进行存储的,在程序中可以通过索引来访问集合中的指定元素。另外,List集合还有一个特点就是元素有序,即元素的存入顺序和取出顺序一致。
看完API,我们总结一下:
List接口特点:
-
它是一个元素存取有序的集合。例如,存元素的顺序是11、22、33。那么集合中,元素的存储就是按照11、22、33的顺序完成的)。
-
它是一个带有索引的集合,通过索引就可以精确的操作集合中的元素(与数组的索引是一个道理)。
-
集合中可以有重复的元素,通过元素的equals方法,来比较是否为重复的元素。
tips:我们在基础班的时候已经学习过List接口的子类java.util.ArrayList类,该类中的方法都是来自List中定义。
1.2 List接口中常用方法
List作为Collection集合的子接口,不但继承了Collection接口中的全部方法,而且还增加了一些根据元素索引来操作集合的特有方法,如下:
-
public void add(int index, E element): 将指定的元素,添加到该集合中的指定位置上。 -
public E get(int index):返回集合中指定位置的元素。 -
public E remove(int index): 移除列表中指定位置的元素, 返回的是被移除的元素。 -
public E set(int index, E element):用指定元素替换集合中指定位置的元素,返回值的更新前的元素。
List集合特有的方法都是跟索引相关,我们在基础班都学习过,那么我们再来复习一遍吧:
public class ListDemo {
public static void main(String[] args) {
// 创建List集合对象
List<String> list = new ArrayList<String>();
// 往 尾部添加 指定元素
list.add("图图");
list.add("小美");
list.add("不高兴");
System.out.println(list);
// add(int index,String s) 往指定位置添加
list.add(1,"没头脑");
System.out.println(list);
// String remove(int index) 删除指定位置元素 返回被删除元素
// 删除索引位置为2的元素
System.out.println("删除索引位置为2的元素");
System.out.println(list.remove(2));
System.out.println(list);
// String set(int index,String s)
// 在指定位置 进行 元素替代(改)
// 修改指定位置元素
list.set(0, "三毛");
System.out.println(list);
// String get(int index) 获取指定位置元素
// 跟size() 方法一起用 来 遍历的
for(int i = 0;i<list.size();i++){
System.out.println(list.get(i));
}
//还可以使用增强for
for (String string : list) {
System.out.println(string);
}
}
}
第三章 List的子类
3.1 ArrayList集合
java.util.ArrayList集合数据存储的结构是数组结构。元素增删慢,查找快,由于日常开发中使用最多的功能为查询数据、遍历数据,所以ArrayList是最常用的集合。
许多程序员开发时非常随意地使用ArrayList完成任何需求,并不严谨,这种用法是不提倡的。
3.2 LinkedList集合
java.util.LinkedList集合数据存储的结构是链表结构。方便元素添加、删除的集合。
LinkedList是一个双向链表,那么双向链表是什么样子的呢,我们用个图了解下

实际开发中对一个集合元素的添加与删除经常涉及到首尾操作,而LinkedList提供了大量首尾操作的方法。这些方法我们作为了解即可:
-
public void addFirst(E e):将指定元素插入此列表的开头。 -
public void addLast(E e):将指定元素添加到此列表的结尾。 -
public E getFirst():返回此列表的第一个元素。 -
public E getLast():返回此列表的最后一个元素。 -
public E removeFirst():移除并返回此列表的第一个元素。 -
public E removeLast():移除并返回此列表的最后一个元素。 -
public E pop():从此列表所表示的堆栈处弹出一个元素。 -
public void push(E e):将元素推入此列表所表示的堆栈。 -
public boolean isEmpty():如果列表不包含元素,则返回true。
LinkedList是List的子类,List中的方法LinkedList都是可以使用,这里就不做详细介绍,我们只需要了解LinkedList的特有方法即可。在开发时,LinkedList集合也可以作为堆栈,队列的结构使用。(了解即可)
方法演示:
public class LinkedListDemo {
public static void main(String[] args) {
LinkedList<String> link = new LinkedList<String>();
//添加元素
link.addFirst("abc1");
link.addFirst("abc2");
link.addFirst("abc3");
System.out.println(link);
// 获取元素
System.out.println(link.getFirst());
System.out.println(link.getLast());
// 删除元素
System.out.println(link.removeFirst());
System.out.println(link.removeLast());
while (!link.isEmpty()) { //判断集合是否为空
System.out.println(link.pop()); //弹出集合中的栈顶元素
}
System.out.println(link);
}
}
第四章 Set接口
java.util.Set接口和java.util.List接口一样,同样继承自Collection接口,它与Collection接口中的方法基本一致,并没有对Collection接口进行功能上的扩充,只是比Collection接口更加严格了。与List接口不同的是,Set接口中元素无序,并且都会以某种规则保证存入的元素不出现重复。
Set集合有多个子类,这里我们介绍其中的java.util.HashSet、java.util.LinkedHashSet这两个集合。
tips:Set集合取出元素的方式可以采用:迭代器、增强for。
3.1 HashSet集合介绍
java.util.HashSet是Set接口的一个实现类,它所存储的元素是不可重复的,并且元素都是无序的(即存取顺序不一致)。java.util.HashSet底层的实现其实是一个java.util.HashMap支持,由于我们暂时还未学习,先做了解。
HashSet是根据对象的哈希值来确定元素在集合中的存储位置,因此具有良好的存取和查找性能。保证元素唯一性的方式依赖于:hashCode与equals方法。
我们先来使用一下Set集合存储,看下现象,再进行原理的讲解:
public class HashSetDemo {
public static void main(String[] args) {
//创建 Set集合
HashSet<String> set = new HashSet<String>();
//添加元素
set.add(new String("cba"));
set.add("abc");
set.add("bac");
set.add("cba");
//遍历
for (String name : set) {
System.out.println(name);
}
}
}
输出结果如下,说明集合中不能存储重复元素:
cba abc bac
tips:根据结果我们发现字符串"cba"只存储了一个,也就是说重复的元素set集合不存储。
2.2 HashSet集合存储数据的结构(哈希表)
什么是哈希表呢?
在JDK1.8之前,哈希表底层采用数组+链表实现,即使用链表处理冲突,同一hash值的链表都存储在一个链表里。但是当位于一个桶中的元素较多,即hash值相等的元素较多时,通过key值依次查找的效率较低。而JDK1.8中,哈希表存储采用数组+链表+红黑树实现,当链表长度超过阈值(8)时,将链表转换为红黑树,这样大大减少了查找时间。
简单的来说,哈希表是由数组+链表+红黑树(JDK1.8增加了红黑树部分)实现的,如下图所示。

看到这张图就有人要问了,这个是怎么存储的呢?
为了方便大家的理解我们结合一个存储流程图来说明一下:

总而言之,JDK1.8引入红黑树大程度优化了HashMap的性能,那么对于我们来讲保证HashSet集合元素的唯一,其实就是根据对象的hashCode和equals方法来决定的。如果我们往集合中存放自定义的对象,那么保证其唯一,就必须复写hashCode和equals方法建立属于当前对象的比较方式。
2.3 HashSet存储自定义类型元素
给HashSet中存放自定义类型元素时,需要重写对象中的hashCode和equals方法,建立自己的比较方式,才能保证HashSet集合中的对象唯一
创建自定义Student类
public class Student {
private String name;
private int age;
public Student() {
}
public Student(String name, int age) {
this.name = name;
this.age = age;
}
public String getName() {
return name;
}
public void setName(String name) {
this.name = name;
}
public int getAge() {
return age;
}
public void setAge(int age) {
this.age = age;
}
@Override
public boolean equals(Object o) {
if (this == o)
return true;
if (o == null || getClass() != o.getClass())
return false;
Student student = (Student) o;
return age == student.age &&
Objects.equals(name, student.name);
}
@Override
public int hashCode() {
return Objects.hash(name, age);
}
}
public class HashSetDemo2 {
public static void main(String[] args) {
//创建集合对象 该集合中存储 Student类型对象
HashSet<Student> stuSet = new HashSet<Student>();
//存储
Student stu = new Student("于谦", 43);
stuSet.add(stu);
stuSet.add(new Student("郭德纲", 44));
stuSet.add(new Student("于谦", 43));
stuSet.add(new Student("郭麒麟", 23));
stuSet.add(stu);
for (Student stu2 : stuSet) {
System.out.println(stu2);
}
}
}
执行结果:
Student [name=郭德纲, age=44]
Student [name=于谦, age=43]
Student [name=郭麒麟, age=23]
2.3 LinkedHashSet
我们知道HashSet保证元素唯一,可是元素存放进去是没有顺序的,那么我们要保证有序,怎么办呢?
在HashSet下面有一个子类java.util.LinkedHashSet,它是链表和哈希表组合的一个数据存储结构。
演示代码如下:
public class LinkedHashSetDemo {
public static void main(String[] args) {
Set<String> set = new LinkedHashSet<String>();
set.add("bbb");
set.add("aaa");
set.add("abc");
set.add("bbc");
Iterator<String> it = set.iterator();
while (it.hasNext()) {
System.out.println(it.next());
}
}
}
结果:
bbb
aaa
abc
bbc
1.9 可变参数
在JDK1.5之后,如果我们定义一个方法需要接受多个参数,并且多个参数类型一致,我们可以对其简化成如下格式:
修饰符 返回值类型 方法名(参数类型... 形参名){ }
其实这个书写完全等价与
修饰符 返回值类型 方法名(参数类型[] 形参名){ }
只是后面这种定义,在调用时必须传递数组,而前者可以直接传递数据即可。
JDK1.5以后。出现了简化操作。... 用在参数上,称之为可变参数。
同样是代表数组,但是在调用这个带有可变参数的方法时,不用创建数组(这就是简单之处),直接将数组中的元素作为实际参数进行传递,其实编译成的class文件,将这些元素先封装到一个数组中,在进行传递。这些动作都在编译.class文件时,自动完成了。
代码演示:
public class ChangeArgs {
public static void main(String[] args) {
int[] arr = { 1, 4, 62, 431, 2 };
int sum = getSum(arr);
System.out.println(sum);
// 6 7 2 12 2121
// 求 这几个元素和 6 7 2 12 2121
int sum2 = getSum(6, 7, 2, 12, 2121);
System.out.println(sum2);
}
/*
* 完成数组 所有元素的求和 原始写法
public static int getSum(int[] arr){
int sum = 0;
for(int a : arr){
sum += a;
}
return sum;
}
*/
//可变参数写法
public static int getSum(int... arr) {
int sum = 0;
for (int a : arr) {
sum += a;
}
return sum;
}
}
tips: 上述add方法在同一个类中,只能存在一个。因为会发生调用的不确定性
注意:如果在方法书写时,这个方法拥有多参数,参数中包含可变参数,可变参数一定要写在参数列表的末尾位置。
第五章 Collections
2.1 常用功能
-
java.utils.Collections是集合工具类,用来对集合进行操作。部分方法如下:
-
public static <T> boolean addAll(Collection<T> c, T... elements):往集合中添加一些元素。 -
public static void shuffle(List<?> list) 打乱顺序:打乱集合顺序。 -
public static <T> void sort(List<T> list):将集合中元素按照默认规则排序。 -
public static <T> void sort(List<T> list,Comparator<? super T> ):将集合中元素按照指定规则排序。
代码演示:
public class CollectionsDemo {
public static void main(String[] args) {
ArrayList<Integer> list = new ArrayList<Integer>();
//原来写法
//list.add(12);
//list.add(14);
//list.add(15);
//list.add(1000);
//采用工具类 完成 往集合中添加元素
Collections.addAll(list, 5, 222, 1,2);
System.out.println(list);
//排序方法
Collections.sort(list);
System.out.println(list);
}
}
结果:
[5, 222, 1, 2]
[1, 2, 5, 222]
代码演示之后 ,发现我们的集合按照顺序进行了排列,可是这样的顺序是采用默认的顺序,如果想要指定顺序那该怎么办呢?
我们发现还有个方法没有讲,public static <T> void sort(List<T> list,Comparator<? super T> ):将集合中元素按照指定规则排序。接下来讲解一下指定规则的排列。
2.2 Comparator比较器
我们还是先研究这个方法
public static <T> void sort(List<T> list):将集合中元素按照默认规则排序。
不过这次存储的是字符串类型。
public class CollectionsDemo2 {
public static void main(String[] args) {
ArrayList<String> list = new ArrayList<String>();
list.add("cba");
list.add("aba");
list.add("sba");
list.add("nba");
//排序方法
Collections.sort(list);
System.out.println(list);
}
}
结果:
[aba, cba, nba, sba]
我们使用的是默认的规则完成字符串的排序,那么默认规则是怎么定义出来的呢?
说到排序了,简单的说就是两个对象之间比较大小,那么在JAVA中提供了两种比较实现的方式,一种是比较死板的采用java.lang.Comparable接口去实现,一种是灵活的当我需要做排序的时候在去选择的java.util.Comparator接口完成。
那么我们采用的public static <T> void sort(List<T> list)这个方法完成的排序,实际上要求了被排序的类型需要实现Comparable接口完成比较的功能,在String类型上如下:
public final class String implements java.io.Serializable, Comparable<String>, CharSequence {
String类实现了这个接口,并完成了比较规则的定义,但是这样就把这种规则写死了,那比如我想要字符串按照第一个字符降序排列,那么这样就要修改String的源代码,这是不可能的了,那么这个时候我们可以使用
public static <T> void sort(List<T> list,Comparator<? super T> )方法灵活的完成,这个里面就涉及到了Comparator这个接口,位于位于java.util包下,排序是comparator能实现的功能之一,该接口代表一个比较器,比较器具有可比性!顾名思义就是做排序的,通俗地讲需要比较两个对象谁排在前谁排在后,那么比较的方法就是:
-
public int compare(String o1, String o2):比较其两个参数的顺序。两个对象比较的结果有三种:大于,等于,小于。
如果要按照升序排序, 则o1 小于o2,返回(负数),相等返回0,01大于02返回(正数) 如果要按照降序排序 则o1 小于o2,返回(正数),相等返回0,01大于02返回(负数)
操作如下:
public class CollectionsDemo3 {
public static void main(String[] args) {
ArrayList<String> list = new ArrayList<String>();
list.add("cba");
list.add("aba");
list.add("sba");
list.add("nba");
//排序方法 按照第一个单词的降序
Collections.sort(list, new Comparator<String>() {
@Override
public int compare(String o1, String o2) {
return o2.charAt(0) - o1.charAt(0);
}
});
System.out.println(list);
}
}
结果如下:
[sba, nba, cba, aba]
2.3 简述Comparable和Comparator两个接口的区别。
Comparable:强行对实现它的每个类的对象进行整体排序。这种排序被称为类的自然排序,类的compareTo方法被称为它的自然比较方法。只能在类中实现compareTo()一次,不能经常修改类的代码实现自己想要的排序。实现此接口的对象列表(和数组)可以通过Collections.sort(和Arrays.sort)进行自动排序,对象可以用作有序映射中的键或有序集合中的元素,无需指定比较器。
Comparator强行对某个对象进行整体排序。可以将Comparator 传递给sort方法(如Collections.sort或 Arrays.sort),从而允许在排序顺序上实现精确控制。还可以使用Comparator来控制某些数据结构(如有序set或有序映射)的顺序,或者为那些没有自然顺序的对象collection提供排序。
2.4 练习
创建一个学生类,存储到ArrayList集合中完成指定排序操作。
Student 初始类
public class Student{
private String name;
private int age;
public Student() {
}
public Student(String name, int age) {
this.name = name;
this.age = age;
}
public String getName() {
return name;
}
public void setName(String name) {
this.name = name;
}
public int getAge() {
return age;
}
public void setAge(int age) {
this.age = age;
}
@Override
public String toString() {
return "Student{" +
"name='" + name + '\'' +
", age=" + age +
'}';
}
}
测试类:
public class Demo {
public static void main(String[] args) {
// 创建四个学生对象 存储到集合中
ArrayList<Student> list = new ArrayList<Student>();
list.add(new Student("rose",18));
list.add(new Student("jack",16));
list.add(new Student("abc",16));
list.add(new Student("ace",17));
list.add(new Student("mark",16));
/*
让学生 按照年龄排序 升序
*/
// Collections.sort(list);//要求 该list中元素类型 必须实现比较器Comparable接口
for (Student student : list) {
System.out.println(student);
}
}
}
发现,当我们调用Collections.sort()方法的时候 程序报错了。
原因:如果想要集合中的元素完成排序,那么必须要实现比较器Comparable接口。
于是我们就完成了Student类的一个实现,如下:
public class Student implements Comparable<Student>{
....
@Override
public int compareTo(Student o) {
return this.age-o.age;//升序
}
}
再次测试,代码就OK 了效果如下:
Student{name='jack', age=16}
Student{name='abc', age=16}
Student{name='mark', age=16}
Student{name='ace', age=17}
Student{name='rose', age=18}
2.5 扩展
如果在使用的时候,想要独立的定义规则去使用 可以采用Collections.sort(List list,Comparetor<T> c)方式,自己定义规则:
Collections.sort(list, new Comparator<Student>() {
@Override
public int compare(Student o1, Student o2) {
return o2.getAge()-o1.getAge();//以学生的年龄降序
}
});
效果:
Student{name='rose', age=18}
Student{name='ace', age=17}
Student{name='jack', age=16}
Student{name='abc', age=16}
Student{name='mark', age=16}
如果想要规则更多一些,可以参考下面代码:
Collections.sort(list, new Comparator<Student>() {
@Override
public int compare(Student o1, Student o2) {
// 年龄降序
int result = o2.getAge()-o1.getAge();//年龄降序
if(result==0){//第一个规则判断完了 下一个规则 姓名的首字母 升序
result = o1.getName().charAt(0)-o2.getName().charAt(0);
}
return result;
}
});
效果如下:
Student{name='rose', age=18}
Student{name='ace', age=17}
Student{name='abc', age=16}
Student{name='jack', age=16}
Student{name='mark', age=16}








浙公网安备 33010602011771号