STM32CubeMX生成模板代码步骤
1、STM32CubeMX官网下载地址
2、创建工程
(1)打开软件选择File -> New Project然后进到选择芯片界面。

(2)选择好芯片后进入配置参数界面。以下几个地方完成工程创建
1、系统时钟的选择 System Core ->RCC 界面选择成下图所示,表示系统时钟选择外部晶振,如果开发板并没有外部晶振就不用设置这个配置,使用内部时钟即可。

2、选择烧录方式 System Core ->SYS。这里我使用STLink烧录,选择SW方式,这里选择下图所示。使用JTAG选择对应的方式即可。

3、配置外设,选择配置GPIO口完成点亮LED灯,配置串口打印调试信息。
我的开发板是正点原子的精英板,这里选择LED的端口PB5和PD5。串口选择PA9(TX)和PA10(RX),LED灯选择GPIO_Output输出模式。

4、串口进行设置,Connectify目录下选择串口1设置好串口1的波特率,数据长度,停止位, 校验位,并在System Core目录下单的NVIC上设置串口1的中断,NVIC所有的中断都在这里设置了。


5、设置GPIO的输入输出,模式,频率等。在GPIO菜单下选择GPIO外设的默认电平,这里LED灯是低电平点亮所以这里选择默认的推挽输出,低电平信号。到这就配置好我们需要的全部外设,如果需要用到其他外设就按照位置进行配置就好了。

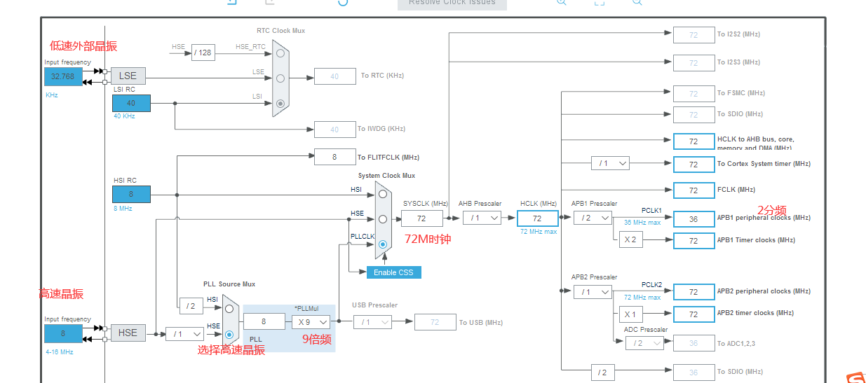
3、配置芯片时钟
1、时钟选择外部高速晶振配置成72M的最大速度。

4、生成代码。
(1)这里是生成代码的位置,编译器选择以及堆栈起始位置的设置。这里需要选择生成代码的编译器,一般使用Keil的选择MDK即可。

(2)这里是生成代码的常规设置,这里需要注意的是选择生成.c和.h分开,其他的都是默认的。可以根据说明自己选择需不要的一些功能。

(3)最后选择这里生成代码。如果保存路径下没有中文是可以在生成后选择打开项目。如果路径中有中文,那么最后会提示有错误,此时我们可以去生成的路径自己打开。但是有时候生成的代码,编译之后会没有.S文件会报错,我们可以手动添加.S文件改正错误。当然这种情况都是有中文路径出现的,所以最好保存项目的路径不要有中文。

(4)最后打开生成的代码检查看有无出错。最后生成的文件如下所示,MDK的项目在MDK-ARM文件下。


浙公网安备 33010602011771号