VKD233HH-单键低功耗/单通道1路触摸IC,电流小 灵敏度高,带16S自动复位,多用于台灯/蓝牙模块/运动手环等
品牌:永嘉微电/VINKA
型号:VKD233HH
封装:SOT23-6
概述:
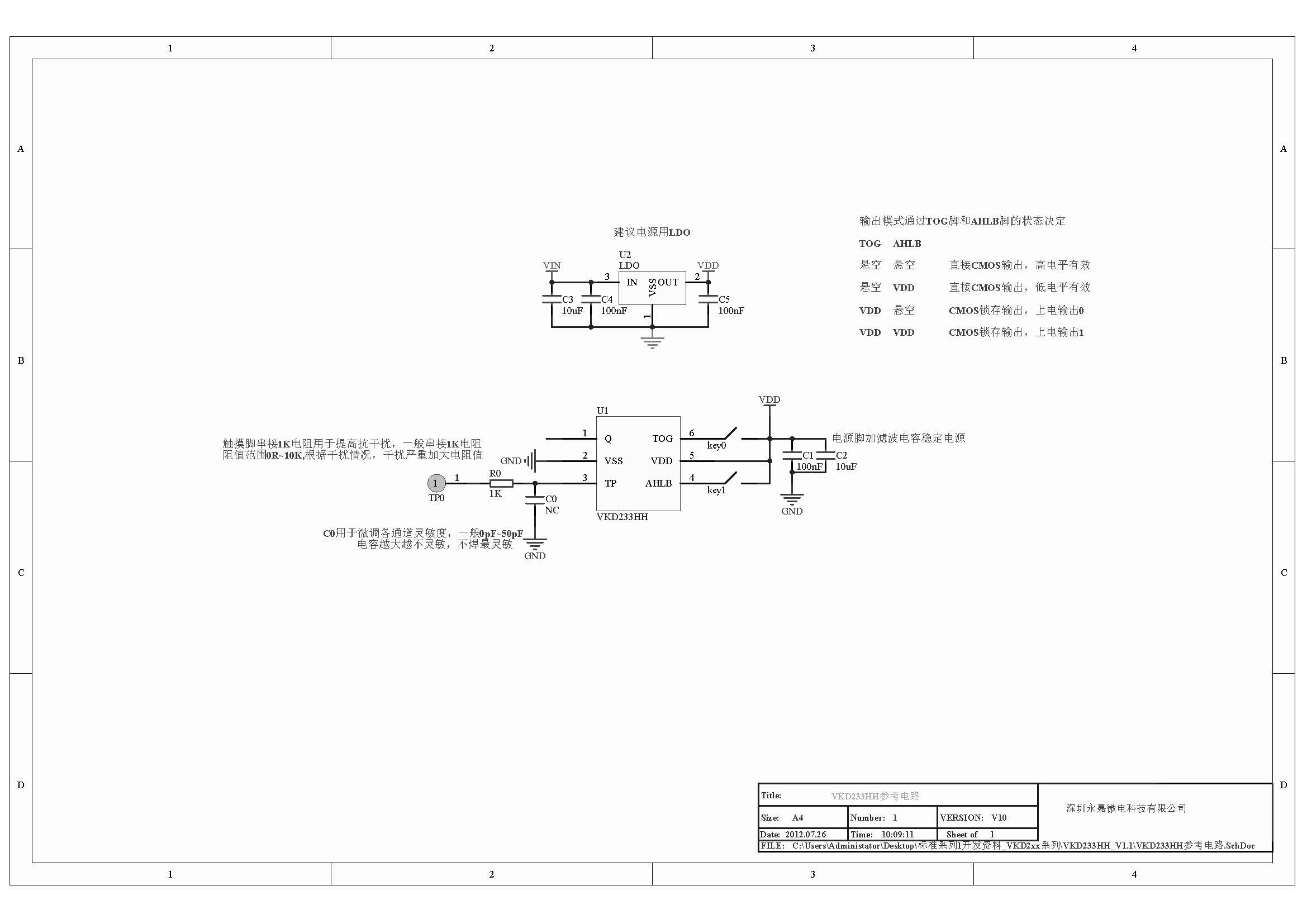
VKD233HH具有1个触摸按键,可用来检测外部触摸按键上人手的触摸动作。该芯片具有 较高的集成度,仅需极少的外部组件便可实现触摸按键的检测。
提供了1路输出功能,可通过IO脚选择输出电平,输出模式。芯片内部集成了稳压电路,
提供稳定的电压给触摸检测,可减少按键检测错误的发生,提高了可靠性。 此触摸芯片具有环境变化自校准功能,低待机电流,宽工作电压等特性,为各种单触摸 按键+IO输出的应用提供了一种简单而又有效的实现方法。
特点:
•
工作电压 2.4-5.5V
• 待机电流 1.5uA/3V
• 工作电流 4.0uA/3V
• 低压复位功能(LVR)
• 内置触摸检测专用稳压电路
• 触摸输出响应时间:工作模式 46mS ,待机模式160mS
• 通过AHLB脚选择输出电平:高电平有效或者低电平有效
• 通过TOG脚选择输出模式:直接输出或者锁存输出
• 各触摸通道单独接对地小电容微调灵敏度(0-50pF)
• 触摸防呆功能,最长输出时间约16S
• 上电0.5S内为稳定时间,禁止触摸
• 根据环境变化自校准参数
• 封装SOT23-6L(3mm x 3mm PP=0.95mm)







浙公网安备 33010602011771号