灯控/音响 低功耗四键/4键4通道4路触摸触控IC(芯片)-VKD104BC/CC SOP16 灵敏度高,FAE技术支持
产品品牌:永嘉微电/VINKA
产品型号:VKD104BC/CC
封装形式:SOP16
概述:
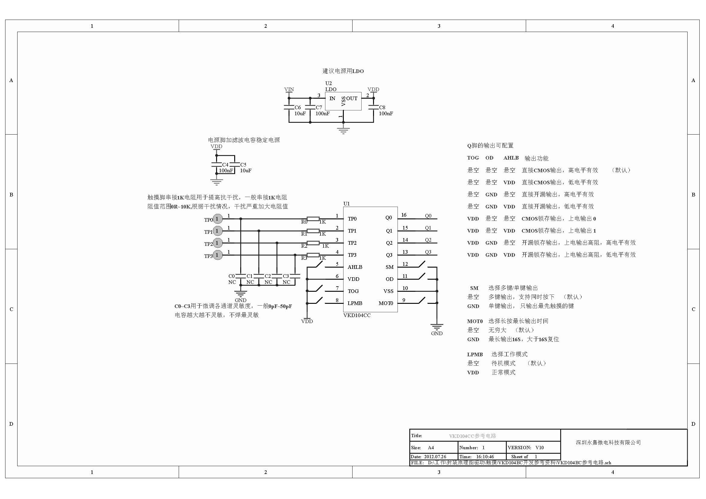
VKD104BC/CC SOP16具有4个触摸按键,可用来检测外部触摸按键上人手的触摸动作。该芯片具有较
高的集成度,仅需极少的外部组件便可实现触摸按键的检测。 提供了4路输出功能,可通过IO脚选择输出电平,输出模式,输出脚结构,单键/多键和最 长输出时间。芯片内部采用特殊的集成电路,具有高电源电压抑制比,可减少按键检测错误的
发生,此特性保证在不利环境条件的应用中芯片仍具有很高的可靠性。 此触摸芯片具有自动校准功能,低待机电流,抗电压波动等特性,为各种触摸按键+IO输 出的应用提供了一种简单而又有效的实现方法。
特点:
• 工作电压 2.4-5.5V
• 待机电流2.5uA/3V,5.5uA/5V
• 触摸输出响应时间:工作模式 60mS ,待机模式160mS
• 通过AHLB脚选择输出电平:高电平有效或者低电平有效
• 通过TOG脚选择输出模式:直接输出或者锁存输出
• 通过LPMB脚选择工作模式:正常模式或者待机模式
• 通过MOT0脚有效键最长输出时间:无穷大或者16S
• 通过OD脚选择开漏输出:开漏输出或者CMOS输出
• 通过SM脚选择输出:多键有效或者单键有效
• 各触摸通道单独接对地小电容微调灵敏度(0-50pF)
• 上电0.5S内为稳定时间,禁止触摸
•
上电后8S内自校准周期为1S,上电后8S内有触摸或8s后仍未触摸自校准周期切换为4S
• 封装SOP16(150mil)(9.9mm x 3.9mm PP=1.27mm)




浙公网安备 33010602011771号