低功耗高抗干扰/抗噪 四键/4键4通道4路触摸触控检测IC (芯片) -VK3604A/B SOP16/TSSOP16 适用风扇/空调/触摸灯控等
产品品牌:永嘉微电/VINKA
产品型号:VK3604A/B
封装形式:SOP16/TSSOP16
概述:
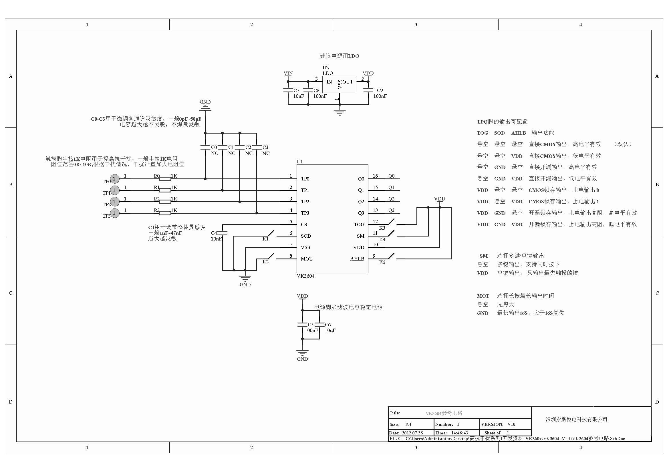
VK3604具有4个触摸按键,可用来检测外部触摸按键上人手的触摸动作。该芯片具有较高的集成度,仅需极少的外部组件便可实现触摸按键的检测。
提供了4路输出功能,可通过IO脚选择输出电平,输出模式,输出脚结构,单键/多键和最 长输出时间。芯片内部采用特殊的集成电路,具有高电源电压抑制比,可减少按键检测错误的 发生,此特性保证在不利环境条件的应用中芯片仍具有很高的可靠性。
此触摸芯片具有自动校准功能,低待机电流,抗电压波动等特性,为各种4触摸按键+IO输
出的应用提供了一种简单而又有效的实现方法。
特点:
• 工作电压 2.4-5.5V 
• 待机电流7uA/3.0V,14uA/5V 
• 上电复位功能(POR) 
• 低压复位功能(LVR) 
• 触摸输出响应时间:工作模式 48mS ,待机模式160mS
• 通过AHLB脚选择输出电平:高电平有效或者低电平有效
• 通过TOG脚选择输出模式:直接输出或者锁存输出
• 通过SOD脚选择输出方式:CMOS输出或者开漏输出
• 通过SM脚选择输出:多键有效或者单键有效
• 通过MOT脚有效键最长输出时间:无穷大或者16S 
• 通过CS脚接对地电容调节整体灵敏度(1-47nF)
• 各触摸通道单独接对地小电容微调灵敏度(0-50pF)
• 上电0.25S内为稳定时间,禁止触摸
• 上电后4S内自校准周期为64mS,4S无触摸后自校准周期为1S 
• 封装:
VK3604A-SOP16(150mil)(9.9mm x 3.9mm PP=1.27mm) 
VK3604B-TSSOP16(175mil)(5.0mm x 6.4mm PP=0.65mm)


 
                    
                
 
                
            
         浙公网安备 33010602011771号
浙公网安备 33010602011771号