1 CD4017
CD4017是一种十进制计数器/脉冲分配器。CD4017是5位Johnson计数器,具有10个译码输出端,CP、CR、INH输入端。时钟输入端的斯密特触发器具有脉冲整形功能,对输入时钟脉冲上升和下降时间无限制。CD4017提供了16引线多层陶瓷双列直插(D)、熔封陶瓷双列直插(J)、塑料双列直插(P)和陶瓷片状载体(C)4种封装形式。
1.1 CD4017工作条件
电源电压范围:3V-15V
输入电压范围:0V-VDD
工作温度范围
M类:-55℃-125℃
E类:-40℃-85℃
1.2 CD4017引脚图及功能

CO:进位脉冲输出
CP:时钟输入端
CR:清除端
INH:禁止端
Y0~Y9:计数脉冲输出端
VDD:正电源
VSS:地
1.3 CD4017真值表

1.4 CD4017工作原理
cd4017计数器,提供了快速操作、2 输入译码选通和无毛刺译码输出。防锁选通,保证了正确的计数顺序。译码输出一般为低电平,只有在对应时钟周期内保
持高电平。在每10 个时钟输入周期CO 信号完成一次进位,并用作多级计数链的下级脉动时钟。
1.5 CD4017内部结构图

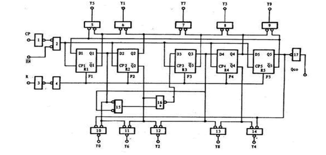
图 2 CD4017 内部逻辑电原理图
CD4017内部逻辑电原理图如图2所示。它是由十进制计数器电路和时序译码电路两部分组成。其中的D触发器Fl~F5构成了十进制约翰逊计数器,门电路5~14 构成了时序译码电路。约翰逊计数器的结构比较简单.它实质上是一种串行移位寄存器。除了第3个触发器是通过门电路15、16构成的组合逻辑电路作用于F3的D3端以外,其余各级均是将前一级触发器的输出端连接到后一级触发器的输入端D的,计数器最后—级的Q5端连接到第一级的D1端。这种计数器具有编码可靠,工作速度快、译码简单,只需由二输入瑞的与门即可译码,且译码输出无过渡脉冲干扰等特点。通常只有译码选中的那个输出端为高电平,其余输出端均为低电平。约翰逊计数器状态如表1-1所示。
当加上清零脉冲后,Q1~Q5均“0”,由于Q1的数据输入端D1是Q5输出的反码,因此,输入第—个时钟脉冲后,Q1即为“l”,这时Q2-Q5均依次进行移位输出,Ql的输出移至Q2,Q2的输出移至Q3……。如果继续输入脉冲,则Q1为新的Q5,Q2~Q5仍然依次移位输出,这样就得到了表l~l的状态及图l~3的波形
由五级计数单元组成的约翰逊计数器,其输出端可以有32种组合状态,而构成十进制计数器只需10种计数状态,因此,当电路接通电源之后,有可能进入我们所不需要的22种伪码状态。
为了使电路能迅速进入表1~l所列状态,就在第三级计数单元的数据输入端上加接了两级组合逻辑门,使Q2不直接连接D3,而使03由下列关系决定:
D3=Q2(Ql+Q3)
这样做,当电源接通后,不管计数单元出现哪种随机组合,最多经过8个时钟脉冲输入之后,都会自动进入表l~l所列状态。
CD4017有3个输入端:复位清零端R,当在R端加高电平或正脉冲时,计数器清零,在所有输出中,只有对应“0”状态的Q0输出高电平,其余输出均为低电平:时钟输入端CP和CE,其中CP端用于上升沿计数,CE端用于下降沿计数,这两个输入端的内部逻辑电路如图2所示。由图2可见,CP和CE还有互锁的关系,即利用CP计数时,CE端要接低电平:利用CE计数时,CP端要接高电平。反之则形成互锁。
在“R”端加上高电平或正脉冲日子,计数器中各计数单元F1~F5均被置零,计数器为“00000”状态。
CD4017有10个译码输出端Q0~Q9,它仍随时钟脉冲的输入而依次出现高电平,见图3。此外,为了级联方便,还设有进位输出端QC,每输入10个时钟脉冲,就可得到一个进位输出脉冲,所以QC可作为下一级计数器的时钟信号。
从上述分析中可以看出,CD4017(它的基本功能是对“CP”端输入脉冲的个数进行十进制计数,并按照输入脉冲的个数顺序将脉冲分配在Yo—Y9这十个输出端,计满十个数后计数器复零,同时输出—个进位脉冲。我们只要掌握了这些基本功能就能设计出千姿百态的应用电路来。
浙公网安备 33010602011771号