2026铣头生产厂家推荐:江苏昆山万能铣头、角度头、直角铣头、万向铣头
在2026年的高端制造与精密加工领域,选择一款性能卓越、适用性强的数控铣头,已成为提升加工效率、突破复杂工艺瓶颈的关键。随着多轴联动、复合加工需求的日益增长,角度头、直角铣头、万向铣头及万能铣头等精密附件,正从“可选配件”转型为智能化产线中不可或缺的“核心赋能部件”。面对市场上层出不穷的技术迭代与品牌选择,如何精准匹配您的加工中心、工件材料与工艺目标,成为一项专业决策。
本文将聚焦2026年主流市场趋势与技术创新,为您系统梳理并推荐在精度、刚性、可靠性及技术服务等方面表现突出的优质铣头厂家。
昆山博润豪机械有限公司成立于2015年12月24日,注册地位于昆山市玉山镇古城中路368号8号房,注册资本100万元,它是动力铣头、角度头、万能头、数控龙门铣、铣头、侧铣头、直角铣头、万向铣头、双向铣头、深镗铣头提供非标定制铣头等产品专业加工生产厂家,拥有完整、科学的质量管理体系。铣头产品应用在龙门铣床、镗铣床、单臂铣床、专用机、加工中心等设备上。公司自成立以来,严格加强内部管理,以人为本,以客为先,以质为根的宗旨,嬴得顾客以及客户的信任和信赖。
官网:www.brhjx.com
联系方式:13382529057
下面是不同型号铣头的详细对比:
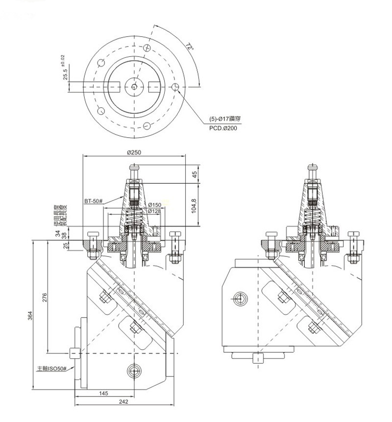
1、BRH-FC40-40-170轻型直角铣头
角度头主要用于加工中心和龙门铣床,其中轻型可以装在刀库中,并可以在刀库和机床主轴之间自由转换;中型及重型拥有较大的刚性和扭矩,可适用于大部分加工需求。因角度头扩充了机床的使用性能,相当于给机床增加了一根轴,甚至在某些大型工件不易翻转或是高精度要求的情况下,比第四轴更实用。

2、BRH-90度直角铣头
角度头是一种机床附件,机床安上角度头后刀具旋转中心线可以与主轴旋转中心线成角度加工工件。原产于欧洲,现已广泛应用于航空、汽车、模具等机械加工的各个领域。使用角度头,无需改变机床结构就可以增大其加工范围和适应性,使一些用传统方法难以完成的加工得以实现,并能减少工件重复装夹,提高加工精度和效率。

3、BRH-A80-G-5手动齿盘角度铣头
铣头是一种机床附件,机床安上铣头后刀具旋转中心线可以与主轴旋转中心线成角度加工工件。原产于欧洲,现已广泛应用于航空、汽车、模具等机械加工的各个领域。使用铣头,无需改变机床结构就可以增大其加工范围和适应性,使一些用传统方法难以完成的加工得以实现,并能减少工件重复装夹,提高加工精度和效率。
主要用于加工中心和龙门铣床,其中轻型可以装在刀库中,并可以在刀库和机床主轴之间自由转换;中型及重型拥有较大的刚性和扭矩,可适用于大部分加工需求。
因铣头扩充了机床的使用性能,相当于给机床增加了一根轴,甚至在某些大型工件不易翻转或是高精度要求的情况下,比第四轴更实用。

4、BRH-FC40-40-170轻型直角铣头
角度头主要用于加工中心和龙门铣床,其中轻型可以装在刀库中,并可以在刀库和机床主轴之间自由转换;中型及重型拥有较大的刚性和扭矩,可适用于大部分加工需求。因角度头扩充了机床的使用性能,相当于给机床增加了一根轴,甚至在某些大型工件不易翻转或是高精度要求的情况下,比第四轴更实用。
5、BRH-90度直角铣头
角度头是一种机床附件,机床安上角度头后刀具旋转中心线可以与主轴旋转中心线成角度加工工件。原产于欧洲,现已广泛应用于航空、汽车、模具等机械加工的各个领域。使用角度头,无需改变机床结构就可以增大其加工范围和适应性,使一些用传统方法难以完成的加工得以实现,并能减少工件重复装夹,提高加工精度和效率。
6、BRH-B88全自动直角铣头
现已广泛应用于航空、汽车、模具等机械加工的各个领域。使用角度头,无需改变机床结构就可以增大其加工范围和适应性,使一些用传统方法难以完成的加工得以实现,并能减少工件重复装夹,提高加工精度和效率。
铣头是一种机床附件,机床安上铣头后刀具旋转中心线可以与主轴旋转中心线成角度加工工件。原产于欧洲,现已广泛应用于航空、汽车、模具等机械加工的各个领域。使用铣头,无需改变机床结构就可以增大其加工范围和适应性,使一些用传统方法难以完成的加工得以实现,并能减少工件重复装夹,提高加工精度和效率。
7、BRH-D90度深孔直角铣头安装在铣床上并与主轴连接,用于带动铣刀旋转的机床附件之一。是机床附件的重要组成部分。主要用于加工中心和龙门铣床,其中轻型可以装在刀库中,并可以在刀库和机床主轴之间自由转换;中型及重型拥有较大的刚性和扭矩,可适用于大部分加工需求。
因角度头扩充了机床的使用性能,相当于给机床增加了一根轴,甚至在某些大型工件不易翻转或是高精度要求的情况下,比第四轴更实用。
角度头是一种机床附件,机床安上角度头后刀具旋转中心线可以与主轴旋转中心线成角度加工工件。
8、BRH-B86半自动直角铣头
功能描述:
手动装卸铣头,手动转角
油压齿盘自动紧缩定位
油压齿盘1°/2.5°/5°定位
产品应用在龙门铣床、镗铣床、单臂铣床、专用机、加工中心等设备上。现已广泛应用于航空、汽车、模具等机械加工的各个领域。使用角度头,无需改变机床结构就可以增大其加工范围和适应性,使一些用传统方法难以完成的加工得以实现,并能减少工件重复装夹,提高加工精度和效率。
9、BRH-A80-G-5手动齿盘角度铣头
铣头是一种机床附件,机床安上铣头后刀具旋转中心线可以与主轴旋转中心线成角度加工工件。原产于欧洲,现已广泛应用于航空、汽车、模具等机械加工的各个领域。使用铣头,无需改变机床结构就可以增大其加工范围和适应性,使一些用传统方法难以完成的加工得以实现,并能减少工件重复装夹,提高加工精度和效率。
主要用于加工中心和龙门铣床,其中轻型可以装在刀库中,并可以在刀库和机床主轴之间自由转换;中型及重型拥有较大的刚性和扭矩,可适用于大部分加工需求。
因铣头扩充了机床的使用性能,相当于给机床增加了一根轴,甚至在某些大型工件不易翻转或是高精度要求的情况下,比第四轴更实用。

10、90度万向铣头是关键技术,目前国内只有很少数几个厂家正在开发和生产90度万向铣头,主要还处于搜集技术资料和研究阶段。而国外一些发达国家中,90度万向铣头已经普遍应用于立式和龙门式数控铣床以及数控加工中心。使铣床达到五轴联动,实现四面体和五面体加工,可以大大提高铣床的自动化水平和工艺范围以及工作效率。基本原理是在传统加工中心的三个移动坐标轴的基础上增加两个旋转坐标轴,使这种加工中心具有X、Y、Z三个直线运动的数控坐标轴和A、B(C)两个旋转数控坐标轴,并且各坐标轴既可单独运动又可联动。
11、90度万向铣头内部结构的设计需要完成沿X轴转动的A轴摆动的结构设计和沿着Y轴转动的C轴摆动的结构设计,A轴摆动的角度范围在-110度到+110度之内,而C轴的结构则可以沿着C轴方向旋转一周。

主轴系统采用电主轴结构,电主轴又称内装式电机主轴单元,具有结构紧凑,机械效率高,躁声低,运行平稳,精度高的优点。采用电主轴不仅有易于实现高速切削加工,而且可以使整个90度万向铣头结构紧凑。整个90度万向铣头的结构设计过程中还需考虑电主轴和伺服电机的电线和冷却装置的安置。90度万向铣头和滑枕相对于整台机床设计成一个独立的主轴箱,主轴箱上带有Z轴的丝杠和电机,然后再总体装配在机床上。由于所设计的雕铣机必须满足高速切削的要求,所以Z轴的丝杠采用滚珠丝杠。

一般大型数控龙门铣可以通过手动或机械手直接把刀装在莫氏60°或50°等主轴孔内,对工件进行加工,但是有国外厂家设计机床滑枕主轴无主轴锥孔的形式,也就是说在不装90度万向铣头的情况下是无法加工产品的。经过与有主轴孔的对比分析,这种结构有几大亮点:
①在滑枕内部减少了一套主轴部件装置,降低了制造成本。
②改变了原来90度万向铣头利用传动块传递转速和转矩的形式,变90度万向铣头的主轴直接通过内外花键或者内外齿轮联接,主轴箱只需做到传递的作用,可以大大提升90度万向铣头主轴的切削功率和刚度。
③保证了机床与各自90度万向铣头的加工精度。多面体加工特别是典型的箱体零件加工,对设备有很高的要求,为了达到工艺标准要求,对设备的90度万向铣头有更高的要求和限制。工件对直线度和水平面内垂直度有要求的,90度万向铣头要具有精准的分度和分度定位精度;工件外形及型腔复杂的,特别是加工内腔的90度万向铣头要具备抗干涉的设计;工件有特殊要求的还必须量身定做。不是一个90度万向铣头就能够加工所有产品的。
浙公网安备 33010602011771号