STM32F207时钟系统解析
在前几天的文章《晶振原理解析》中介绍了晶振如何产生时钟的,板子使用的是25M无源晶振,下文将介绍STM32F207的时钟系统如何将25M晶振时钟转换为120M系统主频时钟的。
01、时钟系统介绍

▲时钟系统专业名词缩写
时钟系统关键组成部分
01 内部高速时钟(HSI)
HSI时钟信号可以通过内部16MHZ的RC振荡器产生,可以直接用于系统时钟或者用于PLL输入。
HSI的RC振荡器的优势是:在最小成本(没有外部器件)情况下提供一个时钟源。它的启动速度要比HSE晶体振荡器更快,但是即使校准频率后,它的精度仍然小于外部晶体振荡器或陶瓷谐振器。
02 外部高速时钟(HSE)
外部高速时钟信息(HSE)可以通过两个时钟源产生:
① 外部晶体/陶瓷谐振器
② 外部用户时钟

▲两种时钟源接入示意图
03 主锁相环时钟(PLL)
STM32F2xx具有两个PLL
① 主要的PLL通过HSE或HSI提供时钟,并且有两个输出时钟;
② 专用的PLL(PLLI2S)被用于产生一个精确的时钟去实现高质量音频效果在I2S接口;

HSE/M*N/P得到PLL时钟
关于PLL锁相环说明

从1处输入,3处输出是1的N倍。
3处除以N又作为输入,当1和2的频率一样,就锁定了。(之所以图上是xN,因为从2看向3的)
04 低速外部时钟(LSE)
LSE是一个32.768KHZ低速外部晶振或陶瓷谐振器。
它的优点:提供低速但是高精度时钟给RTC外设,为时钟/日历或其他时间应用。
05低速内部时钟(LSI)
LSI RC作为一个低速时钟源,它可以运行在停止和待机模式中给独立看门狗(IWDG)和自动唤醒(AWU)。它的时钟频率在32MHZ左右。
02、代码分析
时钟初始化代码在system_stm32f2xx.c文件中,大部分时候我们不需要修改时钟代码的,各个总线的频率我们可以在文件头看到。
============================================================================= *============================================================================= * Supported STM32F2xx device revision | Rev B and Y *----------------------------------------------------------------------------- * System Clock source | PLL (HSE) *----------------------------------------------------------------------------- * SYSCLK(Hz) | 120000000 *----------------------------------------------------------------------------- * HCLK(Hz) | 120000000 *----------------------------------------------------------------------------- * AHB Prescaler | 1 *----------------------------------------------------------------------------- * APB1 Prescaler | 4 *----------------------------------------------------------------------------- * APB2 Prescaler | 2 *----------------------------------------------------------------------------- * HSE Frequency(Hz) | 25000000 *----------------------------------------------------------------------------- * PLL_M | 25 *----------------------------------------------------------------------------- * PLL_N | 240 *----------------------------------------------------------------------------- * PLL_P | 2 *----------------------------------------------------------------------------- * PLL_Q | 5 *----------------------------------------------------------------------------- * PLLI2S_N | NA *----------------------------------------------------------------------------- * PLLI2S_R | NA *----------------------------------------------------------------------------- * I2S input clock | NA *----------------------------------------------------------------------------- * VDD(V) | 3.3 *----------------------------------------------------------------------------- * Flash Latency(WS) | 3 *----------------------------------------------------------------------------- * Prefetch Buffer | ON *----------------------------------------------------------------------------- * Instruction cache | ON *----------------------------------------------------------------------------- * Data cache | ON *----------------------------------------------------------------------------- * Require 48MHz for USB OTG FS, | Enabled * SDIO and RNG clock | *----------------------------------------------------------------------------- *============================================================================= ******************************************************************************
在文件开始定义的有系统时钟频率的全局变量SystemCoreClock,其他地方需要时钟频率,可以直接使用该变量。
uint32_t SystemCoreClock = 120000000;
时钟配置从SystemInit函数执行,调用SystemInit的在汇编文件中startup_stm32f2xx.s(Keil编译环境)。
IMPORT __main LDR R0, =SystemInit BLX R0 LDR R0, =__main BX R0 ENDP
在这里说明一下文档版本的问题:

▲STM32F20X_User_manual的V7版和V8版对比图
上述两图的区别是系统最大时钟从120MHZ变成了168MHZ,我的理解是同样是STM32F20X,ST由于技术进步或其他,使得新版STM32F207芯片超频支持168MHZ。
文档下载地址:
https://www.st.com/en/microcontrollers-microprocessors/stm32f2x7.html#resource
在线预览地址:
下面我们主要分析SystemCoreClock的120M时钟怎么从一个外部25MHZ的HSE得到的。

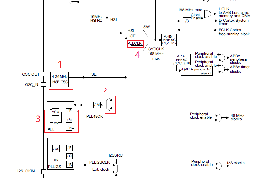
我们要从25MHZ的外部时钟得到120M的系统时钟,需要上图中标注的重要4点:
1、使能HSE
2、选择HSE作为主PLL的输入时钟
3、主PLL倍频后得到120MHZ时钟
4、系统时钟选择主PLL时钟输出作为系统时钟
我们找到对应的代码
1、使能HSE
/* Enable HSE */ RCC->CR |= ((uint32_t)RCC_CR_HSEON);
在RCC_CR寄存器(RCCclock control register RCC时钟控制器)中,有打开HSE的控制位

输入时钟
/* Configure the main PLL */ RCC->PLLCFGR = PLL_M | (PLL_N << 6) | (((PLL_P >> 1) -1) << 16) | (RCC_PLLCFGR_PLLSRC_HSE) | (PLL_Q << 24);
RCC_PLLCFGR_PLLSRC_HSE就是配置HSE作为主PLL的输入时钟
3、主PLL倍频后得到120MHZ时钟
/* Configure the main PLL */ RCC->PLLCFGR = PLL_M | (PLL_N << 6) | (((PLL_P >> 1) -1) << 16) | (RCC_PLLCFGR_PLLSRC_HSE) | (PLL_Q << 24);
4、配置主PLL作为系统时钟的输入时钟
/* Select the main PLL as system clock source */ RCC->CFGR &= (uint32_t)((uint32_t)~(RCC_CFGR_SW)); RCC->CFGR |= RCC_CFGR_SW_PL
对于主PLL的配置寄存器,在RCC_PLLCFGR寄存器中有说明

整理后得知f(out)=f(in)* N / M / P
/* PLL_VCO = (HSE_VALUE or HSI_VALUE / PLL_M) * PLL_N */ #define PLL_M 25 #define PLL_N 240 /* SYSCLK = PLL_VCO / PLL_P */ #define PLL_P 2
这样就获得了120M时钟
注意:

PLL_M大于等于2且小于等于63

PLL_N大于等于64且小于等于432

PLL_P只能是2、4、6、或8
但2对应0,4对应1,6对应2,8对应3。
ST并没有使用if或case语句判断,因为对应的数据除以2减去1就是寄存器这两位的值,所以可以按照下面这样写,这种写法值得我们学习。
(((PLL_P >> 1) -1) << 16)
其他外设的时钟配置时
/* HCLK = SYSCLK / 1*/ RCC->CFGR |= RCC_CFGR_HPRE_DIV1; /* PCLK2 = HCLK / 2*/ RCC->CFGR |= RCC_CFGR_PPRE2_DIV2; /* PCLK1 = HCLK / 4*/ RCC->CFGR |= RCC_CFGR_PPRE1_DIV4;
03、备 注
时钟中断

可以配置外部晶振出错时的中断,还有RCC中断,因此我们可以在外部时钟出问题时,切换为内部时钟,不至于整个系统挂掉。具体见ST给的官方代码。
无源晶振不起振
没有程序,无源晶振是不起振的,需要配置RCC时钟控制寄存器的HSEON位打开或关闭HSE振荡器。具体可以看之前的文章《晶振原理解析》。
关于APB和PCLK
F207是时钟图没有显示PCLK1和PCLK2,应该就是APB1和APB2
应该指的是一个PCLK应该是PeripheralClock的简称,看F105手册

点击查看本文所在的专辑,STM32F207教程

浙公网安备 33010602011771号