第2部分_CPU微机架构的实现
第二部分 CPU微机架构的实现
本文是对B站UP踌躇月光出的8位二进制CPU的设计和实现的文字教程复现第二部分 CPU微机架构的实现
相关 github 地址:https://github.com/StevenBaby/computer
PS:有错误的地方请指正,谢谢!共同学习,一起进步!
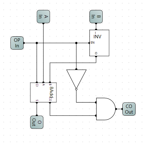
ALU和半自动加法机
参考工程:16 ALU和半自动加法机
回顾第一部分做的加法运算器,封装一下即得到
ALU(算术逻辑单元(arithmetic and logic unit))

- A,B是两个8位数输入,做相加运算用
- OP是选择做加法还是减法,为1时做减法,为0时做加法
- O是相加输出,CO是进位输出
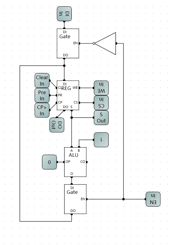
半自动加法机
通过
ALU和三位计数器、ROM、寄存器我们可以组成一个半自动加法器,如下所示

其中
- 三位计数器用来遍历ROM里所有地址的数据
- ALU负责做加法运算
- 寄存器暂存加法运算后的数据
计算步骤
-
上电之后,点击左上角按键,计数器和寄存器都被置为0。接着我们打开计数器使能,寄存器写使能,给寄存器一个时钟信号,将ROM里0地址的数写到加法器的A输入口。

-
然后再给计数器一个时钟信号,读出ROM中1地址的数据。ALU经过加法运算后输出到寄存器的输入。

-
再给寄存器一个时钟信号,让计算结果再写到A

-
依次循环,即可实现半自动加法。
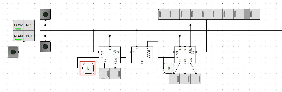
全自动加法机
参考工程:17 全自动加法机
上面我们做出来一个半自动加法机,现在我们尝试实现一个全自动加法机,不需要我们手动去给时钟信号。
- 首先我们创建一个自动化总线:可以控制启动和停止,并提供时钟信号的一个总线
我们需要两个开关和两个按键:
POW:启动开关,1启动,0关闭MAN:手动时钟开关,1手动提供时钟,0自动时钟(测试用)RES:复位按键,按下之后总线提供一个复位信号PUL:手动时钟按键,通过该按键手动提供时钟信号(测试用)
同时提供一个停止输入和时钟输入,复位输出和时钟输出
HLT:停止信号输入,提供一个输入口让外部提供一个停止信号,时钟信号就被关闭CLOCK:内部提供一个时钟输入,没有接口RES:一个复位输出信号,给总线上的器件一个复位信号(初始化或者复位时使用)CP:时钟输出,给总线上器件提供时钟信号
总线布局如下:

分析一下两个信号输出:时钟输出和复位输出
- 时钟输出

用文字语言描述就是:有两种提供时钟信号的方式,分别是时钟信号和手动脉冲信号,受MAN的控制,前提是电源打开,没有复位,没有停止信号。
- 复位输出

复位信号的条件是:1、电源没有打开 2、电源打开的同时按下复位信号
然后我们将前面的半自动加法器移植到这里,构成全自动加法机

运行步骤
ROM里预置数据

- 启动仿真,RES复位一直拉高,计数器和寄存器复位(清零)

- 按下POW,启动全自动加法机,此时时钟信号打开,复位信号关闭(为了方便观察,使用手动信号),按下PUL输入,第一个上升沿,寄存器执行写操作,将ROM的0地址数据写到A输入口;松开PUL,第一个下降沿,对应计数器的第一个上升沿,计数器+1,ROM地址+1,读出ROM的1地址数据。

- 依次类推,关闭手动时钟信号,开启自动时钟信号,全自动加法机自动完成运算(读到FF数据停止运算)

程序计数器和内存
参考工程:18 程序计数器和内存
这一节我们来实现一个程序计数器,来支持后面微控制器程序的运行,程序计数器和前面的8位计数器其实差不多。
但是因为要支持跳转指令,所以要原来的8位计数器需要做个改造,加一个预置数的功能,所以其实程序计数器本质是一个寄存器加上+1的功能。
程序计数器实现

EN:三态门使能,在输入输出端分别加上三态门用来隔离总线;EN=1输出(计数),EN=0输入(预置数)
功能测试

-
上电(POW打开),程序计数器CS=1WE=1写使能,EN=1计数使能,程序计数器(PC)从零开始增加
-
预置数6,打开三态门,数据被送到总线上,EN=0程序计数器预置数功能打开,程序计数器预置数6

-
打开PC计数功能,计数器从6开始自增,打开预置数器的总线隔离,总线上数据6消失

通过程序计数器读取内存
前面说道,程序计数器的作用就是用来读取程序,一般程序都放在RAM里,所以这里我们利用程序计数器来读取一下RAM里的数据。

-
设置RAM为随机数,打开仿真,先看一下RAM里的随机数

-
选择手动脉冲输入(MAN打开),初始,读出RAM的0地址数据B

-
打开计数器计数功能(CS=WE=EN=1),RAM的总线隔离打开(CS=WE=1),手动输入一个脉冲,则读出第一个数据23(但是并没有读到总线上,关掉总线隔离即可读到总线上)

-
现在要指定读RAM的5地址的数据,查的是85,读取步骤:打开RAM总线隔离(CS=WE=1)->打开计数器预置数功能(CS=WE=1,EN=0)->关闭预置数(提前设置为5)总线隔离->给一个时钟脉冲

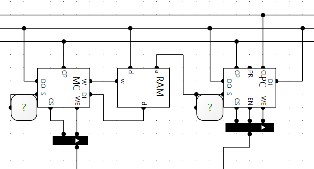
微程序控制
参考工程:19 微程序控制
!!!注意:此章是本部分最重要的内容
前面做了
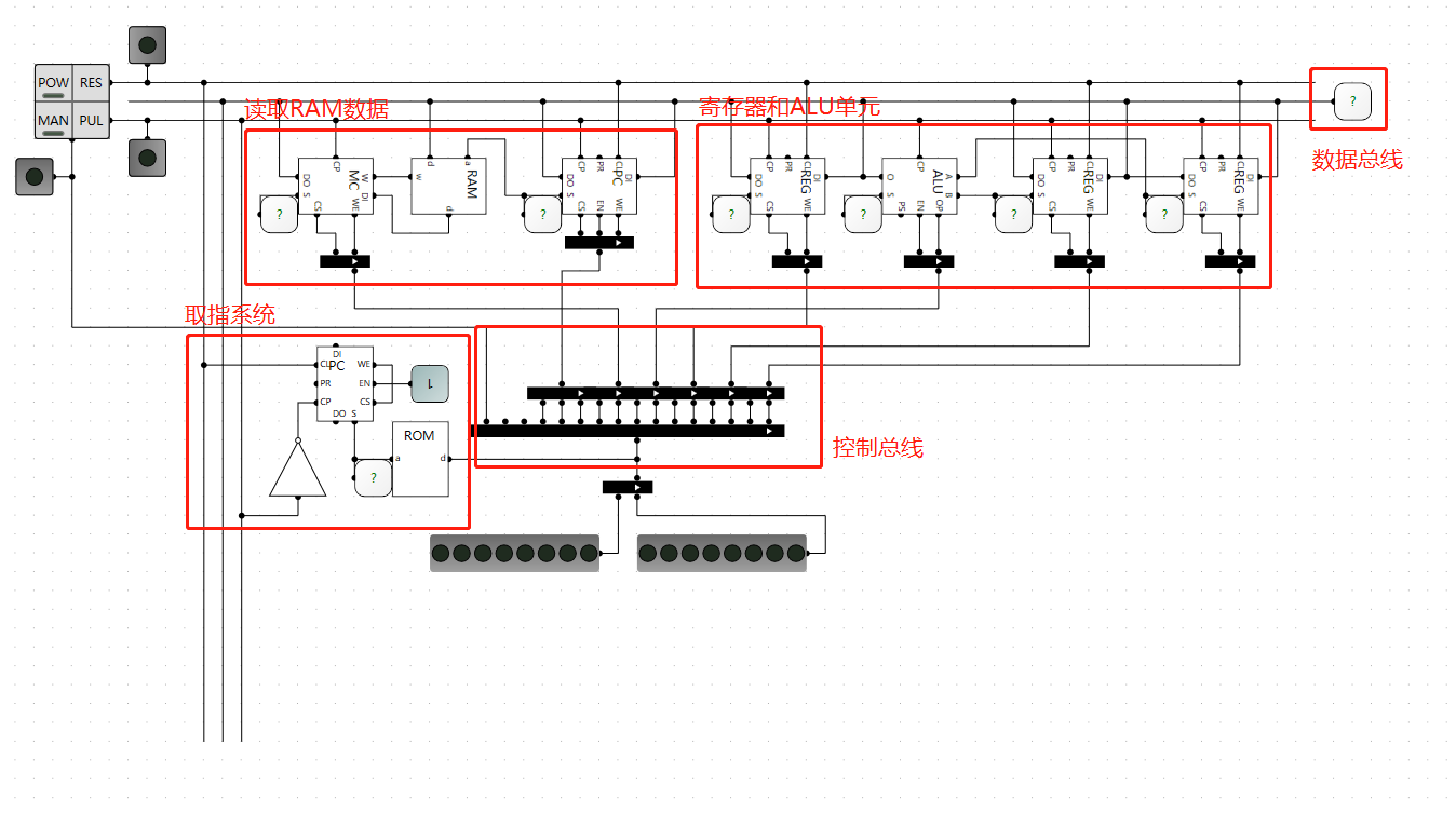
全自动加法机和程序计数器两个重要的功能,其中程序计数器PC是程序运行的一个重要部分,他的功能就是顺序读取RAM或者ROM里的数据(计数器自增)和跳转功能,那么本节就是来讲如何将对寄存器以及其他器件的控制转化ROM中的数据(即程序)。
CPU的控制分为两种,分布是
微程序控制和硬布线。微程序控制是较为简单的一种,我们这里就介绍这种,相信介绍完之后,大家会对硬布线的理解也会更加深刻。
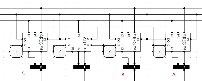
考虑实现这样一个功能:将RAM中0地址和1地址的数据相加,结果放到2地址中。
首先,我们需要改造一下ALU,将他也连到总线上

功能描述:将RAM中0地址和1地址的数据相加,结果放到2地址中。
硬件设计
要完成上面的功能,需要完成以下操作
- 从
RAM里读写数据 - 需要额外的
三个寄存器来作为中间量做运算使用 - 需要一个
ALU单元做加法运算 - 需要一套
取指系统(从ROM读取程序) 控制总线(要通过这个控制总线来控制所有的器件)数据总线(所有器件的数据交换需要通过这个总线)
我们一个个来解决:
- 从
RAM里读写数据
使用前面搭建的PC程序计数器读取RAM电路

- 需要额外的
三个寄存器来作为中间量做运算使用、一个ALU单元做加法运算
A寄存器中数据加上B寄存器中数据送到C寄存器中

- 需要一套
取指系统(从ROM读取程序)

控制总线(要通过这个控制总线来控制所有的器件)、数据总线(所有器件的数据交换需要通过这个总线)

指令设计
重点分析一下控制总线:
控制总线总共16位
寄存器A的WE接0位,CS接1位寄存器B的WE接2位,CS接3位寄存器C的EW接4位,CS接5位ALU单元的OP接6位,EN接7位RAM总线隔离的WE接8位,CS接9位PC计数器的WE接10位,EN接11位,CS接12位程序停止HLT的接15位
其实根据我们前面的经验可以知道,运算步骤其实就是控制这些位的通断,那么根据这个原理我们设计一下该套系统的指令
WE_A = 2 ** 0 # 寄存器A的WE位接0位,使能为1
CS_A = 2 ** 1 # 寄存器A的CS位接1位,使能为1
WE_B = 2 ** 2 # 寄存器B的WE位接2位,使能为1
CS_B = 2 ** 3 # 寄存器B的CS位接3位,使能为1
WE_C = 2 ** 4 # 寄存器C的WE位接4位,使能为1
CS_C = 2 ** 5 # 寄存器C的CS位接5位,使能为1
ALU_ADD = 0 # ALU单元的OP接6位,设为0 加法
ALU_SUB = 2 ** 6 # ALU单元的OP接6位,设为1 减法
ALU_OUT = 2 ** 7 # ALU单元的EN接7位,使能为1
WE_M = 2 ** 8 # RAM的总线隔离WE位接8位,使能为1
CS_M = 2 ** 9 # RAM的总线隔离CS位接9位,使能为1
WE_PC = 2 ** 10 # PC计数器的WE位接10位,使能为1
EN_PC = 2 ** 11 # PC计数器的EN位接11位,使能为1
CS_PC = 2 ** 12 # PC计数器的CS位接12位,使能为1
HLT = 2 ** 15 # 程序停止HLT位接15位,使能为1 程序停止
程序分析
要完成
将RAM中0地址和1地址的数据相加,结果放到2地址中这样一个任务,我们分析一下需要如何做。
- 首先将
RAM的0地址的数据取出送到A寄存器中 - 然后将
RAM的1地址的数据去除送到B寄存器中 - 通过
ALU加法运算过后的数据送到C寄存器中 - 最后将计算过后的数据(在
C寄存器里)送到RAM的2地址 - 程序结束
详细动作
-
首先将
RAM的0地址的数据取出送到A寄存器中
将RAM输出总线隔离关闭(CS=1,WE=0),寄存器A的写打开(CS=WE=1),完了之后PC计数器打开计数器功能(WE=EN=CS=1)
翻译为机器语言就是CS_M | CS_A | WE_A | WE_PC | EN_PC | CS_PC(0001 1110 0000 0011b=1e 03h) -
然后将
RAM的1地址的数据去除送到B寄存器中
将RAM输出总线隔离关闭(CS=1,WE=0),寄存器B的写打开(CS=WE=1),完了之后PC计数器打开计数器功能(WE=EN=CS=1)
翻译为机器语言就是CS_M | CS_A | WE_A | WE_PC | EN_PC | CS_PC(0001 1110 0000 1100b=1e 0ch) -
通过
ALU加法运算过后的数据送到C寄存器中
ALU运算单元设置为加法使能(OP=0,EN=1),然后将寄存器C的写打开(CS=WE=1)
翻译为机器语言就是ALU_SUB | ALU_OUT | CS_C | WE_C(0000 0000 1011 0000b=00 b0ch) -
最后将计算过后的数据(在
C寄存器里)送到RAM的2地址
寄存器C的读打开(CS=1,WE=0),RAM的写打开(CS=1,WE=1),完了之后PC计数器打开计数器功能(WE=EN=CS=1)(也可以不用)
翻译为机器语言就是CS_C | WE_M | CS_M | WE_PC | EN_PC | CS_PC(0001 1111 0010 0000b=1f 20ch) -
程序结束
HLT置1
翻译为机器语言就是HLT(1000 0000 0000 0000b=80 00ch)
总结所有的指令为
CS_M | CS_A | WE_A | WE_PC | EN_PC | CS_PC,
CS_M | CS_B | WE_B | WE_PC | EN_PC | CS_PC,
ALU_ADD | ALU_OUT | CS_C | WE_C,
CS_C | WE_M | CS_M | WE_PC | EN_PC | CS_PC,
HLT
编译下载
将指令转换为二进制文件
import os
dirname = os.path.dirname(__file__)
filename = os.path.join(dirname, 'ins.bin')
WE_A = 2 ** 0 # 1
CS_A = 2 ** 1 # 1x
WE_B = 2 ** 2 # 1xx
CS_B = 2 ** 3
WE_C = 2 ** 4 # 1xx
CS_C = 2 ** 5
ALU_ADD = 0
ALU_SUB = 2 ** 6
ALU_OUT = 2 ** 7
WE_M = 2 ** 8
CS_M = 2 ** 9
WE_PC = 2 ** 10
EN_PC = 2 ** 11
CS_PC = 2 ** 12
HLT = 2 ** 15
micro = [
CS_M | CS_A | WE_A | WE_PC | EN_PC | CS_PC,
CS_M | CS_B | WE_B | WE_PC | EN_PC | CS_PC,
ALU_ADD | ALU_OUT | CS_C | WE_C,
CS_C | WE_M | CS_M | WE_PC | EN_PC | CS_PC,
HLT,
]
with open(filename, 'wb') as file:
for value in micro:
result = value.to_bytes(2, byteorder='little')
file.write(result)
print(value, result)
print('Finish compile!!!')
将二进制文件导入到ROM中

运行测试
提前往RAM里写入两个数据

启动程序

可以步进跟踪程序,也可以改一改指令。
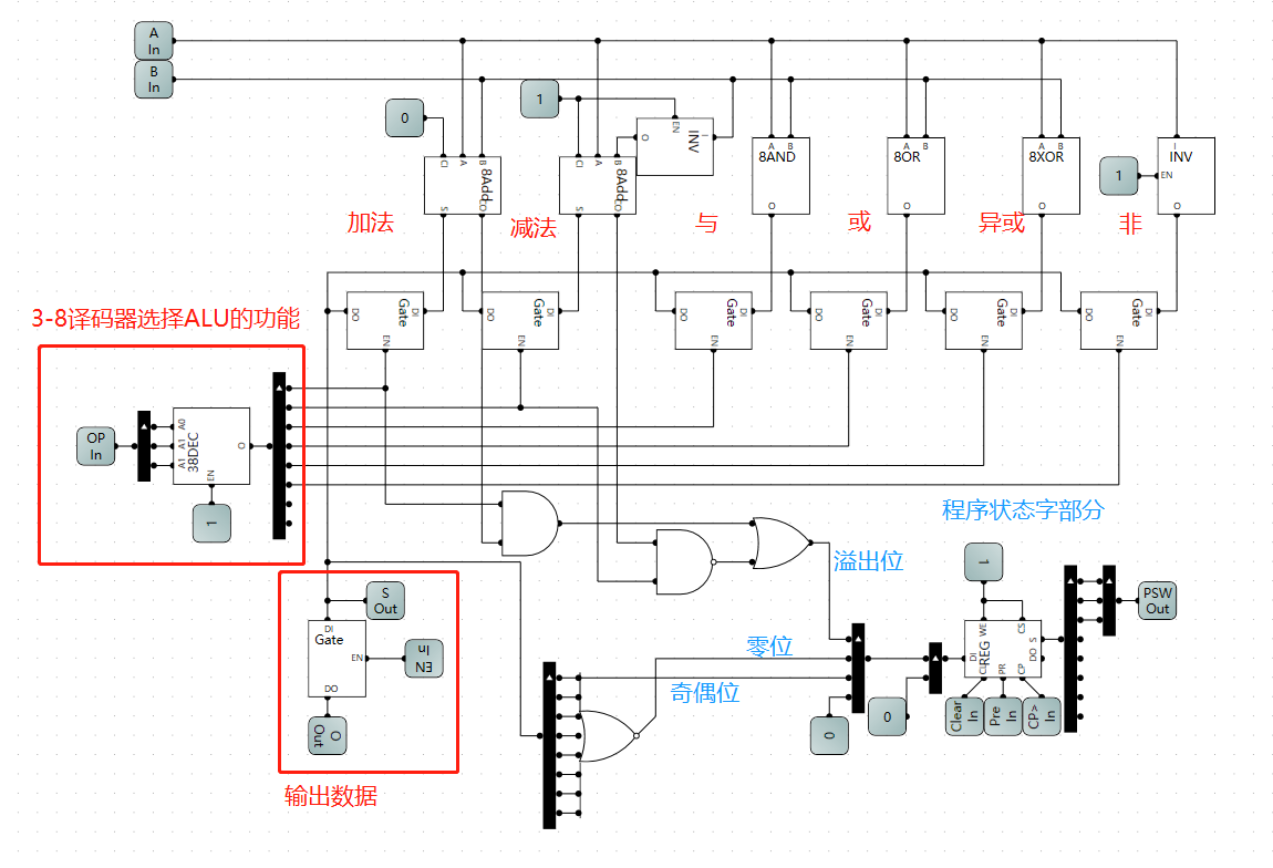
逻辑运算
参考工程:20 逻辑运算
ALU除了支持加法减法,还要支持,乘法除法(可以用加法减法来实现),逻辑运算
这一节来实现一下逻辑运算中的
与、或、非、异或的八位逻辑运算
-
8位
与运算 8AND

-
8位
或运算 8OR

-
8位
非运算 Invert
第一部分已实现过,即8位反转

-
8位
异或运算 8XOR

程序状态字
参考工程:21 程序状态字
ALU扩充
然后我们将以上的功能添加到ALU上,同时将运算过后的输出状态输出到程序状态字
PSW中


浙公网安备 33010602011771号