制图国标
一、工程制图国家标准
https://www.doc88.com/p-0983825216101.html?r=1



A0依次对折

0.5mm忽略不计
括号需要自己输入
二、比例



字体在AutoCAD中采样gbenor.shx
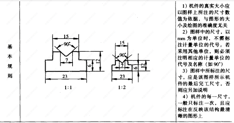
1.机件的真实大小应以图样上所注的尺寸数值为依据与图形的大小及绘图的比例、准确度无关。
2.图样中的尺寸,以mm为单位时,不需要标注计量单位的代号。若采用其它单位,则必须注明相应的计量单位的代号和名称。
3.图样中所标注的尺寸,应是该图样所示机件的最后完工尺寸,否则应另加说明。
4.机件的每一尺寸,一般只标注一次,且应标注在反映该结构最清楚的地方。

三、 尺寸注法规则







总结
(1)组成:图样中的尺寸,一般由尺寸界线、尺寸线(含尺寸线终端)和尺寸数字组成。
(2)注法:尺寸界线及尺寸线均用细实线绘制,尺寸界线可以用轮廓线、轴线及中心线代替;尺寸线不可代替;箭头的画法及数字的书写应符合标准,数字应注写在尺寸线上方并将字头应朝上,垂直方向时字头朝左,角度的数字应水平书写。

四、平面图形的分析
1、平面图形的尺寸分析:
(1)定形尺寸:确定平面图形中各线段形状大小的尺寸。
(2)定位尺寸:确定平面图形中各线段之间相对位置的尺寸。
2、平面图形的线段分析:
( 1)已知线段:具有完整的定形尺寸和定位尺寸的线段。
(2)中间线段:具有定形尺寸和一个定位尺寸的线段。
(3)连接线段:只有定形尺寸而没有定位尺寸的线段。




浙公网安备 33010602011771号