铁头山羊-STM32(UART模块的启用方法)
一、USART模块介绍
1. 什么是USART
· 定义:通用同步异步收发器(Universal Synchronous Asynchronous Receiver Transmitter)
· 效果:单片机内部的串口通信模块
· 数量:STM32单片机通常有3个USART模块(USART1、USART2、USART3)
· 类比:类似人的嘴巴和耳朵结合体,既能发送也能接收数据
二、USART基本使用方法
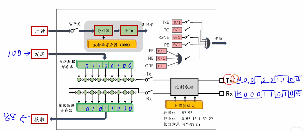
1. 核心寄存器
· 发送数据寄存器(TDR):写入要发送的数据
· 接收数据寄存器(RDR):读取接收到的数据
2. 数据收发流程
发送数据:
1. 将数据写入发送数据寄存器
2. USART自动将数据转换为串行数据帧格式
3. 通过TX引脚发送出去
接收数据:
1. 通过RX引脚接收串行资料
2. USART自动解析数据帧格式
3. 将内容存入接收数据寄存器
4. 编程人员直接读取数据
三、移位寄存器与串并转换
1. 串行与并行概念
· 并行:多个比特位同时操作(如:8位数据同时写入寄存器)
· 串行:一个比特位一个比特位依次处理(如:通过引脚逐个发送比特位)
2. 移位寄存器作用
· 发送时

浙公网安备 33010602011771号