西门子PLC 8种入门实例接线与控制
此次为大家带来的是关于一些PLC编程控制入门常用到的实例,以此为借鉴,让学PLC的进度条缩短,加大掌握程度。里面包含的知识点是较为齐全的,如:I/O分配表、PLC接线图、梯形图程序等。
一、电动机顺序启动、顺序停止控制(I/O分配表、PLC接线图、梯形图程序)
二、 电动机的顺序启动、同时停止(I/O分配表、PLC接线图、梯形图程序)
三、电动机的顺序启动、逆序停止(I/O分配表、PLC接线图、梯形图程序)
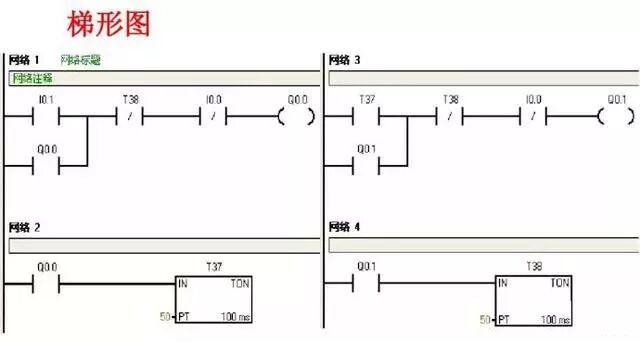
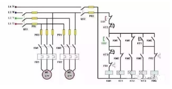
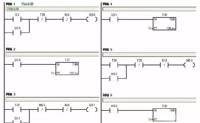
四、电动机延时启动、停止控制(I/O分配表、PLC接线图、梯形图程序)
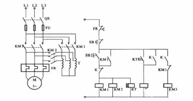
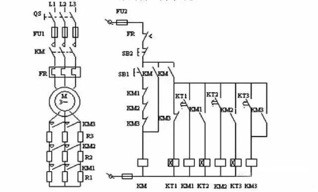
五、笼型感应电动机定子绕组从串电阻降压启动控制系统(I/O分配表、PLC接线图、梯形图程序)
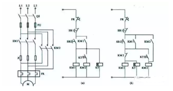
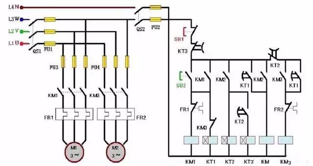
六、三相绕线感应电动机转子绕组串电阻降压启动控制系统(I/O分配表、PLC接线图、梯形图程序)
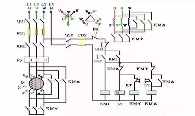
七、Y-降压启动控制系统(I/O分配表、PLC接线图、梯形图程序)
Y-降压启动控制(1)
Y-降压启动控制(2)
八、自耦变压器降压启动控制系统(I/O分配表、PLC接线图、梯形图程序)
免责声明:本文系网络转载,版权归原作者所有
下面是小编给大家准备的“西门子全套”资料,含手册、案例、软件等资料,不要忘记领取哦~

浙公网安备 33010602011771号