西门子200SMART PLC CRC校验程序的编写
那首先我们来看CRC校验的步骤,严格按照步骤来写程序即可:
1、设置CRC存储器为16#FFFF。
2、把第一个参与校验的8位数与CRC的低八位进行异或运算结果仍存与CRC。
3、把CRC右移一位,最高位补0,检查最低位b0位。
4、若b0=0,CRC不变,若b0=1, CRC与16#A001进行异或运算,结果仍存与CRC。
5、重复3、4两步,直到右移8次,这样第一个八位数就进行处理了结果仍然存于CRC。
6、重复2-5步,处理第二个八位数。
【程序结构描述】
西门子S7-200SMART系列PLC的程序结构分为主程序、子程序、中断程序。此程序用“MAIN”程序调用“CRC校验程序”子程序
定义子程序变量表:如图1-0
子程序变量表定义图1-0
(1)“CRC校验程序”子程序,初始化存储器,并把16#FFFF装载到CRC寄存器中(定义AC0为CRC寄存器)。并利用FOR语句循环,循环的次数由LW4决定。程序如图1-1所示
图1-1初始化存储器
(2)取第一个地址与CRC寄存器做异或运算。并利用FOR语句循环,循环的次数为8,因为一个字节的数据是8个位。程序如图1-2所示
图1-2异或运算
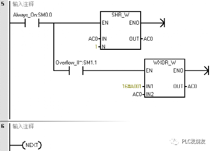
(3)执行移位操作,并判断移出为的状态,若移出位为1,则在与16#A001做异或运算。程序如图1-3所示
图1-3执行移位操作
(4)利用指针,指针加1,指向下一个地址,取出下一个地址之后再进行重复以上步骤效验,直到数据都效验完,程序退出FOR循环。程序如图1-4所示
图1-4指针加1
(5)对计算结果进行高低字节交换,把结果输出。程序如图1-5所示
图1-5高低字节交换
(6)在“MAIN”程序中通过按钮的触发调用“CRC校验程序”子程序。
验证一:写入数据到VB0至VB5中,CRC效验值存储在VW100中
CRC效验计算小助手(与程序中计算相符):
验证二:写入数据到VB0至VB5中,CRC效验值存储在VW100中
CRC效验计算小助手计算(与程序中计算相符):
来源:PLC发烧友,作者:技成-郭彪。转载请注明出处!评论处大家可以补充文章解释不对或欠缺的部分,这样下一个看到的人会学到更多,你知道的正是大家需要的。。。

浙公网安备 33010602011771号