S7-200SMART PLC与变频器MODBUS RTU通讯与SMART LINE系列屏控制(案例三)
一、学习目的
本文章是运用S7-200SMART PLC MODBUS RTU库指令与MCGS触摸屏基本操作的应用,通过本文章来让大家对于MODBUS RTU库指令通信的理解与应用以及MCGS触摸屏基础应用。
二、设备配置
1.海浦蒙特HD20变频器一台
2.S7-200SMART PLC ST40一台
3.485通讯线一根
4.一台电机
5.Smart 1000 IE V3触摸屏一台
三、控制要求
S7-200SMART PLC与海浦蒙特HD20变频器MODBUS RTU通讯控制变频器与如何在触摸屏启动、停止、正转、反转、写频率以及读取电流和电压。
四、接线说明1.电源接L1与L3N(220V)、电源L1/L2/L3N(380V)
2.使用RJ45网线水晶头来根据如下图所示来接线,对于PLC是3正8负,变频器是2正和7负。
五、设置变频器参数
F00.10设置为2(频率通信给定2)
F00.11设置为2(命令通信给定2)
F17.00设置为1(1个停止位、8个数据位、偶校验、)
F17.01设置为3(波特率9600)
F17.02设置为2(变频器站地址2)
六、编写PLC程序
第一步:(上电初始化所使用到的M地址)
第二步:(使用初始化指令完成位来激活MSG指令)
第三步:(设置写入控制命令MSG指令)
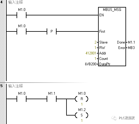
EN使能端使用M1.0接通
First:激活端使用M1.0加上升沿激活
RW:填写1写入
ADDR:填写412801(PLC MODBUS RTU起始寄存地址40001和变频器控制命令字0x3200,0x表示16进制换算成十进制12800并相加等于412801)
Count:使用地址数,填写1
DataPtr:存放地址,填写&VB200即VW200开始的地址
Done:完成位,位地址,填写M1.1
Error:错误位,填写MB3
程序段5使用轮询的方式来做,当M1.0接通,完成位M1.1接通复位M1.0并置位下一条MSG指令M1.2。
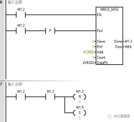
第四步:(设置写入频率令MSG指令)
EN使能端使用M1.2接通
First:激活端使用M1.2加上升沿激活
RW:填写1写入
ADDR:填写412802(PLC MODBUS RTU起始寄存地址40001和变频器控制命令字0x3201,0x表示16进制换算成十进制12801并相加等于412802)
Count:使用地址数,填写1
DataPtr:存放地址,填写&VB202即VW202开始的地址
Done:完成位,位地址,填写M1.3
Error:错误位,填写MB4
程序段7使用轮询的方式来做,当M1.2接通,完成位M1.3接通复位M1.2并置位下一条MSG指令M1.5。
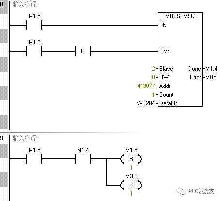
第五步:(设置读取输出电压MSG指令)
EN使能端使用M1.5接通
First:激活端使用M1.5加上升沿激活
RW:填写0读取
ADDR:填写413077(PLC MODBUS RTU起始寄存地址40001和变频器控制命令字0x3314,0x表示16进制换算成十进制13076并相加等于413077)
Count:使用地址数,填写1
DataPtr:存放地址,填写&VB204即VW204开始的地址
Done:完成位,位地址,填写M1.4
Error:错误位,填写MB5
程序段7使用轮询的方式来做,当M1.5接通,完成位M1.4接通复位M1.5并置位下一条MSG指令M13.0。
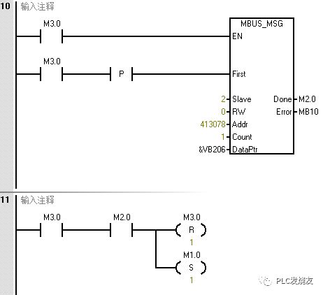
第六步:(设置读取输出电流MSG指令)
EN使能端使用M3.0接通
First:激活端使用M3.0加上升沿激活
RW:填写0读取
ADDR:填写413078(PLC MODBUS RTU起始寄存地址40001和变频器控制命令字0x3315,0x表示16进制换算成十进制13077并相加等于413078)
Count:使用地址数,填写1
DataPtr:存放地址,填写&VB206即VW206开始的地址
Done:完成位,位地址,填写M2.0
Error:错误位,填写MB10
程序段7使用轮询的方式来做,当M3.0接通,完成位M2.0接通复位M3.0并置位下一条MSG指令M1.0。
第七步:(使用触点控制变频器启动、停止、正转、反转、写频率)
七、SMART LINE系列触摸屏组态配置
第一步:(选择实际触摸屏对应的型号,这里我是Smart 1000 IE V3这款型号,大家可以根据自己实际触摸屏型号来选择。)
第二步:(连接—创建SIMATIC S7 200 Smart驱动)
左边触摸屏接口选择以太网,IP地址如若是仿真填写电脑IP地址,如若是和实际触摸屏通信填写触摸屏地址,这里我是在线模拟填写192.168.0.55。
右边PLC地址填写PLC通信IP地址:192.168.0.145。
第三步:(变量—添加创建PLC变量地址)
八、SMART LINE系列触摸屏画面设计
第一步:(使用文本域创建标题)
第二步:(使用IO域创建数值输入输出并关联PLC地址变量)
第三步:(使用开关创建并关联PLC变量地址)
九、演示效果
温馨提醒:
1.由于西门子200系列不支持2个停止位,所以在选择变频器通信格式的时候要注意,否则通信不上去。
2.西门子S7-200SMART PLC寄存器地址是可以扩展到最大400001,所以在ADDR引脚填写超过40001的地址。
此时此刻S7-200SMART PLC与海浦蒙特HD20变频器MODBUS RTU通讯控制变频器与如何在触摸屏启动、停止、正转、反转、写频率以及读取电流和电压已编写完成,大家都理解并且掌握了吗?可以在上述文章找答案!
来源:PLC发烧友,作者:技成-徐陈爽。转载请注明出处!评论处大家可以补充文章解释不对或欠缺的部分,这样下一个看到的人会学到更多,你知道的正是大家需要的。。。

浙公网安备 33010602011771号