【案例】200SMART PLC 运行时间累积
【案例】200SMART PLC 运行时间累积
↖戳上方 蓝字 “ PLC发烧友 ” 关注我们!
免费领,电气行业必备16套超清PPT(1034页)
导读:在自动化设备中,经常需要对设备进行运行时间的统计,并且在触摸屏上显示让工作人员知道设备的运行情况。比如:某台电机运行了多少天、多少小时、多少分钟等(如图一)。那么今天呢,我们就用200SMART PLC做一个运行时间累积的案例和大家一起分享。
图一
控制要求:
1.按下启动按钮I0.1,电机开始运行(输出Q0.0),运行时间开始累积。
2.运行时间到达60秒后,分钟开始累积,分钟到达60秒后,小时开始累积
3.当按下停止按钮(I0.2)或者设备故障(I0.3),电机累积时间停止。待电机再次运行,时间累积在之前基础上再次叠加。
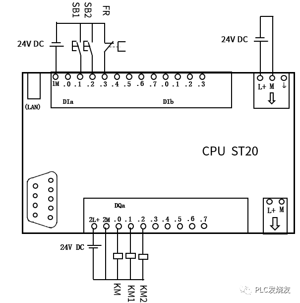
PLC接线:
IO地址分配:
|
PLC符号名称 |
PLC地址 |
功能说明 |
|
启动 |
I0.1 |
启动电机 |
|
停止 |
I0.2 |
停止电机 |
|
故障 |
I0.3 |
停止电机 |
|
电机 |
Q0.0 |
驱动电机 |
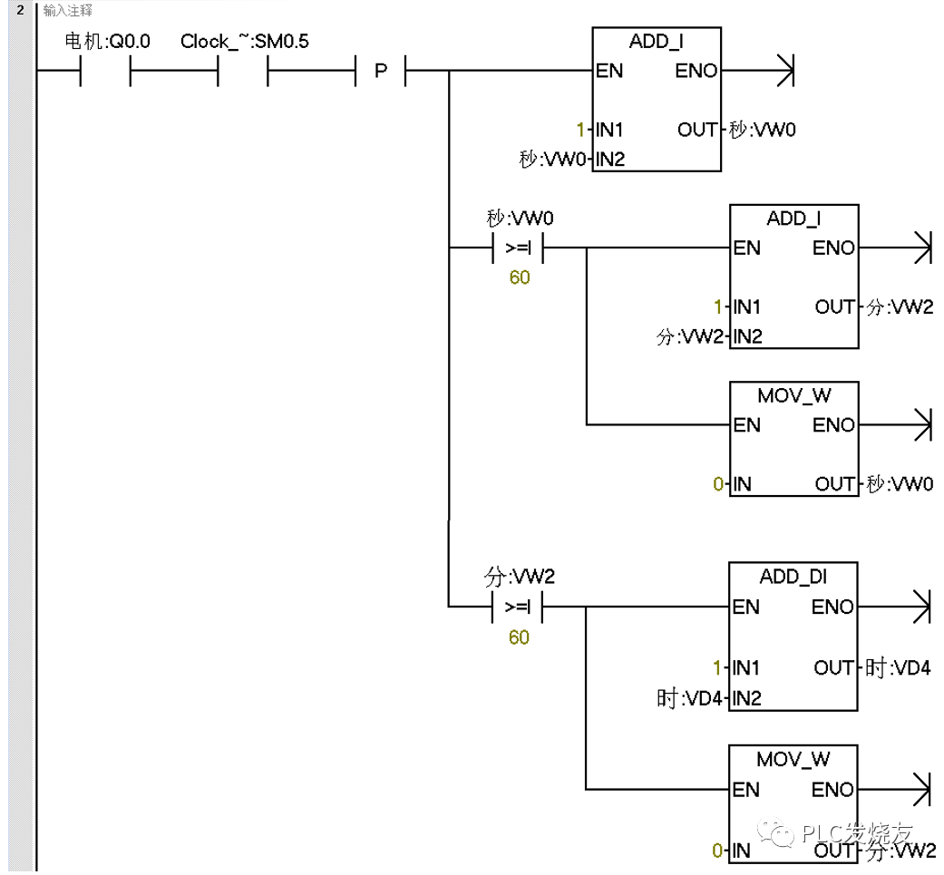
程序编写:
程序解读:
网络1中,对电机的启停控制、故障的互锁等。
网络2中,利用SM0.5秒脉冲实现对电机的秒时间累积。秒时间存储器地址为VW0,接下来利用比较指令。当VW0数据大于60(也就是秒累积60),分钟存储器地址VW2加1,实现分钟的累积。同时秒时间清零。小时的累积也是一样的,不再赘述。为了存储较长的小时时间,小时的存储器用32位存储器VD4。
来源:技成培训网,作者:郭彪,转载请注明出处,评论处大家可以补充文章解释不对或欠缺的部分,这样下一个看到的人会学到更多,你知道的正是大家需要的。。。

浙公网安备 33010602011771号