S32K3 EMIOS


每个EMIOS有24个通道,通道类型有Type_X、Type_Y、Type_G、Type_H

BUS B为通道0~7提供时钟,通道0是BUS B的时基单元;
BUS C为通道8~15提供时钟,通道8是BUS C的时基单元;
BUS D为通道16~23提供时钟,通道16是BUS D的时基单元;
BUS A为通道0~23提供时钟,通道23是BUS A的时基单元;
BUS F为通道0~23提供时钟,通道22是BUS F的时基单元;


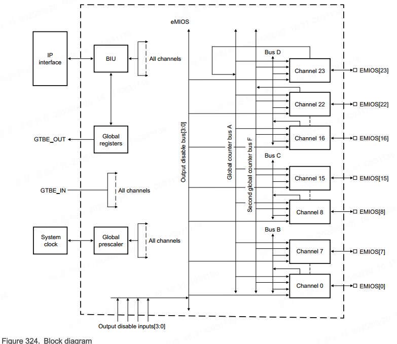
每个EMIOS有24个通道,通道类型有Type_X、Type_Y、Type_G、Type_H

BUS B为通道0~7提供时钟,通道0是BUS B的时基单元;
BUS C为通道8~15提供时钟,通道8是BUS C的时基单元;
BUS D为通道16~23提供时钟,通道16是BUS D的时基单元;
BUS A为通道0~23提供时钟,通道23是BUS A的时基单元;
BUS F为通道0~23提供时钟,通道22是BUS F的时基单元;