一、I2C串行总线概述
1、I2C总线是PHLIPS公司推出的一种串行总线,是具备多主机系统所需的包括总线裁决和高低速器件同步功能的高性能串行总线。
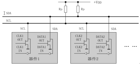
I2C总线只有两根双向信号线。一根是数据线SDA,另一根是时钟线SCL。

2、I2C总线通过上拉电阻接正电源。当总线空闲时,两根线均为高电平。连到总线上的任一器件输出的低电平,都将使总线的信号变低,即各器件的SDA及SCL都是线“与”关系。

3、每个接到I2C总线上的器件都有唯一的地址。主机与其它器件间的数据传送可以是由主机发送数据到其它器件,这时主机即为发送器。由总线上接收数据的器件则为接收器。在多主机系统中,可能同时有几个主机企图启动总线传送数据。为了避免混乱, I2C总线要通过总线仲裁,以决定由哪一台主机控制总线。
在80C51单片机应用系统的串行总线扩展中,我们经常遇到的是以80C51单片机为主机,其它接口器件为从机的单主机情况。
二、I2C总线的数据传送
1、数据位的有效性规定
I2C总线进行数据传送时,时钟信号为高电平期间,数据线上的数据必须保持稳定,只有在时钟线上的信号为低电平期间,数据线上的高电平或低电平状态才允许变化。

2、起始和终止信号
(1)SCL线为高电平期间,SDA线由高电平向低电平的变化表示起始信号;SCL线为高电平期间,SDA线由低电平向高电平的变化表示终止信号。

(2)起始和终止信号都是由主机发出的,在起始信号产生后,总线就处于被占用的状态;在终止信号产生后,总线就处于空闲状态。
(3)连接到I2C总线上的器件,若具有I2C总线的硬件接口,则很容易检测到起始和终止信号。
(4)接收器件收到一个完整的数据字节后,有可能需要完成一些其它工作,如处理内部中断服务等,可能无法立刻接收下一个字节,这时接收器件可以将SCL线拉成低电平,从而使主机处于等待状态。直到接收器件准备好接收下一个字节时,再释放SCL线使之为高电平,从而使数据传送可以继续进行。
三、数据传送格式
1、字节传送与应答
每一个字节必须保证是8位长度。数据传送时,先传送最高位(MSB),每一个被传送的字节后面都必须跟随一位应答位(即一帧共有9位)。

(1)由于某种原因从机不对主机寻址信号应答时(如从机正在进行实时性的处理工作而无法接收总线上的数据),它必须将数据线置于高电平,而由主机产生一个终止信号以结束总线的数据传送。
(2)如果从机对主机进行了应答,但在数据传送一段时间后无法继续接收更多的数据时,从机可以通过对无法接收的第一个数据字节的“非应答”通知主机,主机则应发出终止信号以结束数据的继续传送。
(3)当主机接收数据时,它收到最后一个数据字节后,必须向从机发出一个结束传送的信号。这个信号是由对从机的“非应答”来实现的。然后,从机释放SDA线,以允许主机产生终止信号。
2、数据帧格式
I2C总线上传送的数据信号是广义的,既包括地址信号,又包括真正的数据信号。
在起始信号后必须传送一个从机的地址(7位),第8位是数据的传送方向位(R/T),用“0”表示主机发送数据(T),“1”表示主机接收数据(R)。每次数据传送总是由主机产生的终止信号结束。但是,若主机希望继续占用总线进行新的数据传送,则可以不产生终止信号,马上再次发出起始信号对另一从机进行寻址。
在总线的一次数据传送过程中,可以有以下几种组合方式:
(1)主机向从机发送数据,数据传送方向在整个传送过程中不变:

注:有阴影部分表示数据由主机向从机传送,无阴影部分则表示数据由从机向主机传送。
A表示应答, A非表示非应答(高电平)。S表示起始信号,P表示终止信号。
(2)主机在第一个字节后,立即从从机读数据

(3)在传送过程中,当需要改变传送方向时,起始信号和从机地址都被重复产生一次,但两次读/写方向位正好反相。

四、总线的寻址
I2C总线协议有明确的规定:采用7位的寻址字节(寻址字节是起始信号后的第一个字节)。
1、寻址字节的位定义

D7~D1位组成从机的地址。D0位是数据传送方向位,为“0”时表示主机向从机写数据,为“1”时表示主机由从机读数据。
2、主机发送地址时,总线上的每个从机都将这7位地址码与自己的地址进行比较,如果相同,则认为自己正被主机寻址,根据R/T位将自己确定为发送器或接收器。
3、从机的地址由固定部分和可编程部分组成。在一个系统中可能希望接入多个相同的从机,从机地址中可编程部分决定了可接入总线该类器件的最大数目。如一个从机的7位寻址位有 4位是固定位,3位是可编程位,这时仅能寻址8个同样的器件,即可以有8个同样的器件接入到该I2C总线系统中。
五、 80C51单片机I2C串行总线器件的接口
主机可以采用不带I2C总线接口的单片机,如80C51、AT89C2051等单片机,利用软件实现I2C总线的数据传送,即软件与硬件结合的信号模拟。
1、典型信号模拟
为了保证数据传送的可靠性,标准的I2C总线的数据传送有严格的时序要求。I2C总线的起始信号、终止信号、发送“0”及发送“1”的模拟时序 :

2、典型信号模拟子程序
1 //(1)起始信号 2 void I2CStart(void) 3 { 4 SDA = 1; 5 SomeNop( ); // 大于4.7us 6 SCL = 1; // 若scl高电平期间,sda由高->低,则产生一个起始信号 7 SomeNop( ); 8 SDA = 0; // sda:1->0 9 SomeNop( ); // 大于4us 10 } 11 //(2)终止信号 12 void I2cStop(void) 13 { 14 SDA = 0; 15 SomeNop( ); // 大于4us 16 SCL = 1; // 若scl高电平期间,sda由低->高,则产生一个终止信号 17 SomeNop( ); 18 SDA = 1; // sda:0->1 19 SomeNop( ); // 大于4.7us 20 21 } 22 //(3)应答信号 23 void ack() 24 { 25 uchar i; 26 scl=1; // 第9个时钟周期开始为高电平 27 delay(); 28 while((sda==1)&&(i<250))i++; // 第9个时钟周期clk为高电平期间,若sda被从机拉低则产生一个应答信号,若超时,则为非应答信号 29 scl=0; // 第9个时钟周期结束为低电平 30 delay(); 31 } 32 //(4)写一字节的数据 33 /* 34 void write_byte(uchar dat) 35 { 36 uchar i,temp; 37 temp=dat; 38 for(i=0;i<8;i++) 39 { 40 temp=temp<<1; 41 scl=0; // scl为低电平时写1bit的数据 42 delay(); 43 sda=CY; 44 delay(); 45 scl=1; // scl为高电平时数据保持稳定 46 delay(); 47 } 48 scl=0; 49 delay(); 50 sda=1; // 写完一个字节的数据,释放sda总线 51 delay(); 52 } 53 */ 54 void delay(){ ;; } 55 void write_byte(uchar dat) 56 { 57 uchar i,temp; 58 temp=dat; 59 for(i=0;i<8;i++) 60 { 61 scl=0; // scl为低电平时写1bit的数据 62 delay(); 63 if (0x80&temp) // 1000 0000为真写1,0000 0000为假写0 64 { 65 sda = 1; 66 } 67 else 68 { 69 sda = 0; 70 } 71 delay(); 72 scl=1; // scl为高电平时数据保持稳定 73 delay(); 74 temp=temp<<1; 75 } 76 scl=0; 77 delay(); 78 sda=1; // 释放数据总线等待应答(不释放数据总线是检测不到应答的) 79 delay(); 80 } 81 //(5)读取一字节的数据 82 uchar read_byte() 83 { 84 uchar i,k; 85 scl=0; // scl为低时,可以把sda拉高释放总线 86 delay(); 87 sda=1; 88 delay(); 89 for(i=0;i<8;i++) 90 { 91 scl=1; // scl为高时,sda才是有效数据 92 delay(); 93 k=(k<<1)|sda; // 把1bit的数据放入k 94 scl=0; // 拉低scl,方便下一个时钟周期更新sda数据 95 delay(); 96 } 97 return k; // 从sda上读取1个字节的数据 98 } 99 100 //(6)向某个地址(如EEPROM)写入一个字节的数据 101 void write_add(uchar address,uchar date) 102 { 103 start(); // 主机发出开始信号 104 write_byte(0xa0); // 主机写设备地址 105 ack(); // 从机应答 106 write_byte(address); // 主机写要写入数据的地址 107 ack(); // 从机应答 108 write_byte(date); // 主机写入数据 109 ack(); // 从机应答 110 stop(); 111 } 112 //(7)从某个地址(如EEPROM)都一个字节的数据 113 uchar read_add(uchar address) 114 { 115 uchar date; 116 start(); 117 write_byte(0xa0); // 写设备地址,写模式 118 ack(); 119 write_byte(address); // 写入读取数据的地址 120 ack(); 121 start(); 122 write_byte(0xa1); // 写设备地址,读模式 123 ack(); 124 date=read_byte(); // 特定地址所读出的数据 125 stop(); 126 return date; 127 }
六、完整代码(51为例)
#include<reg52.h> #define uchar unsigned char sbit sda=P2^0; sbit scl=P2^1; uchar a; void delay() { ;; } void start() // 开始信号 { sda=1; delay(); scl=1; delay(); sda=0; delay(); } void stop() // 停止 { sda=0; delay(); scl=1; delay(); sda=1; delay(); } void respons() // 应答 { uchar i; scl=1; delay(); while((sda==1)&&(i<250))i++; scl=0; delay(); } void init() { sda=1; delay(); scl=1; delay(); } void write_byte(uchar date) { uchar i,temp; temp=date; for(i=0;i<8;i++) { temp=temp<<1; scl=0; delay(); sda=CY; delay(); scl=1; delay(); } scl=0; delay(); sda=1; delay(); } uchar read_byte() { uchar i,k; scl=0; delay(); sda=1; delay(); for(i=0;i<8;i++) { scl=1; delay(); k=(k<<1)|sda; scl=0; delay(); } return k; } void delay1(uchar x) { uchar a,b; for(a=x;a>0;a--) for(b=100;b>0;b--); } void write_add(uchar address,uchar date) { start(); write_byte(0xa0); respons(); write_byte(address); respons(); write_byte(date); respons(); stop(); } uchar read_add(uchar address) { uchar date; start(); write_byte(0xa0); respons(); write_byte(address); respons(); start(); write_byte(0xa1); respons(); date=read_byte(); stop(); return date; } void main() { init(); write_add(23,0xaa); delay1(100); // 加延时防止时序出错 P1=read_add(23); while(1); }
浙公网安备 33010602011771号