Redis_IO多路复用底层原理
从底层了解IO多路复用模型
前言
当我们去面试的时候,问到了 redis,nginx,netty他们的底层模型分别是什么?
- redis -> epoll
- nginx-> epoll
- netty-> epoll?
需要从操作系统的层面上来谈
BIO
当我们开机的时候,首先被加载进内存的是我们的Kernel(内核),内核是用于管理我们的硬件的,同时内核还会创建一个GDT表,然后划分两个空间(用户空间和内核空间),同时空间中的内容是开启了保护模式,无法被修改的。
同时还有一个CPU的概念,CPU有自己的指令集,并且指令集是分了几个级别的,分别是从0~3的,Kernel属于0级别。APP只能用级别为3的指令集。
从上面我们可以知道,我们的应用程序是无法直接访问我们的Kernel的,也就是程序不能直接访问我们的磁盘,声卡,网卡等设备,只有内核才可以访问,那我们怎么办?
只有APP通过调用Kernel提供的 syscall(系统软中断和硬中断)来获取硬件中的内容。
- 软中断
- 硬中断:硬中断指的是我们的键盘,按下一个按键的时候,就会触发我们的硬中断,也就是内核会有一个中断号,然后得到一个callback的回调函数
说到这里,其实就是为了引出一个 概念,就是 IO 和 内核之间的成本问题

/**
* 服务器读取文件
* @author: 陌溪
* @create: 2020-07-01-20:40
*/
public class TestSocket {
public static void main(String[] args) throws IOException {
ServerSocket server = new ServerSocket(8090);
System.out.println("step1: new ServerSocket(8090)");
while(true) {
Socket client = server.accept();
System.out.println("step2: client " + client.getPort());
new Thread(() -> {
try {
InputStream in = client.getInputStream();
BufferedReader reader = new BufferedReader(new InputStreamReader(in));
while(true) {
System.out.println(reader.readLine());
}
} catch (IOException e) {
e.printStackTrace();
}
}, "t1").start();
}
}
}
抓取程序对内核有没有系统调用,然后输出
strace -ff -o ./ooxx java TestSocket
然后我们执行上面的程序,得到我们的结果

然后我们在通过jps命令,查看当前TestSocket的进程号
jps
2912 Jps
2878 TestSocket
然后我们在进入下面的这个目录下,启动2878是线程的id号,这个目录就是存放该线程的一些信息
cd /proc/2878
我们可以看到2878进程下的,通过查看task目录,可以看到所有线程数

还有一个目录,就是 fd目录,在该目录下,就是我们的一些IO流

上面的0,1,2,分别对应着 输入流,输出流和错误流。在java里面我们流就是对象,而在linux系统中,流就是一个个的文件。后面的4,5 就对应着我们的socket通信,分别对应着ipv4 和 ipv6

通过netstat命令查看

然后我们使用nc连接 8090端口
nc localhost 8090
我们执行完后,通过netstat命令查看 ,发现多了个连接的状态

然后在看文件里面,也多了一个socket

我们查看系统调用,发现通过系统调用接收了一个58181端口号的请求,在前面我们还能够看到5,这个5其实就是对应的上图里面的socket,走的是ipv4。

从这里其实我们就可以知道了,我们原来调用中写的代码
Socket client = server.accept();
对应到系统层面,也是调用了系统的方法。
同时关于系统调用,有以下几种方式
- bind
- connect
- listen
- select
- socket
首先我们需要知道,java其实是一种解释型语言,通过JVM 虚拟机将我们的.java文件转换为字节码文件,然后调用我们os中的syscall方法,我们必须明确的是,无论怎么调用,一定最后要通过调用内核的方法,然后调用我们的硬件。

上述的模型,就是BIO的通信,是这里面有很多阻塞,我们只能够通过多个线程来避免主线程的阻塞。
但是从上面我们可以知道,如果有大量的连接过来,那服务器需要创建很多个线程与之对应,并且线程的创建也是需要消耗资源的,因为线程使用的栈是独占的(栈大小默认1MB),同时CPU的资源调度也是需要浪费。
最根本的原因就是因为 BIO是阻塞的,才会造成上面的问题。
NIO
因为BIO存在线程阻塞的问题,后面就提出了NIO的概念,在NIO中,有C10K的问题,C10K = 10000个客户端。但是在和你连接的服务器中,其实没有多少给你发送数据了,所以我们需要做的就是,每当有人发送消息的时候,我才和它进行连接。

也就是每次都需要遍历10000个客户端,是非常耗费时间呢,因为很多客户端可能就没有请求的发送。
多路复用
这个时候,我们就不需要遍历10K个客户端了,而是把我们的fds文件发送给内核,然后内核去判断最后需要连接诶的客户端,这样就不用遍历全部的了。所以这里的Select就是多路复用器,通过多路复用返回的是状态,然后我们需要程序去判断这些状态。
说白了,就是通过一个多路复用器,来判断哪些路可以走通,然后不需要轮询全部的。

这个模型,是通过select,将fds文件交给内核来做了,也就是内核需要完成10K个文件的主动遍历,这个10K个调用,对比之前的10K次系统调用来说,是更省时间的,存在以下的问题
- 每次传递很多数据(重复劳动)
- 然后内核需要主动去遍历( 复杂度O(N) )
解决方法,通过在内核中,开辟一个空间,当每次来一个客户端,就把这个文件丢到内核中,这样不需要每次把10K个文件传递到内核了。
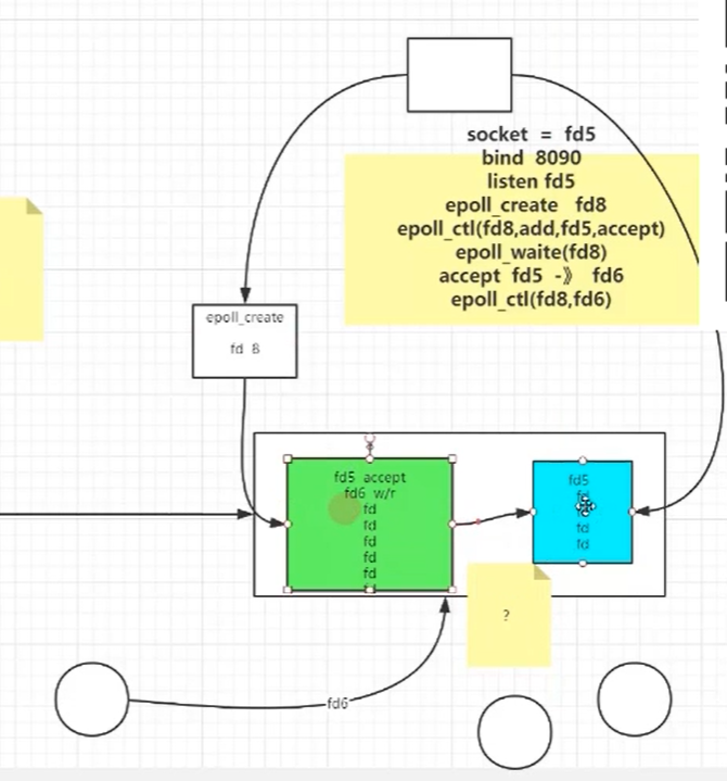
然后在使用一个基于事件驱动的模型,如下图所示就是一个异步事件驱动的流程

同样使用epoll,Redis是轮询,Nginx是阻塞?
我们通过strace命令,查看nginx 和 redis的运行流程,能够发现 同样是使用了 epoll,但是nginx是阻塞的,而redis它是轮询(非阻塞)的。
首先那是因为Redis只有一个线程,而这个线程要做很多事情,例如 接收客户端,LRU,LFU(淘汰过滤)、RDB/AOF(fork线程进行数据备份)。
也就是说对于Redis中的C10K问题,redis也是通过epoll的事件驱动来进行处理的,也就是通过epoll将每个需要读取的客户端的操作放在一个原子串行化的队列中,并且一个客户端包含以下的几个操作:read、计算、write等

在redis 6.X版本中,还有一个IO threads的概念,首先它为了留住串行化原子性的特点,也就是计算的时候还是串行化的处理,但是在读取数据的时候,使用的是多线程进行并发IO读取
为什么要多线程读呢?首先因为读操作需要发生CPU的系统调用,如果通过多个线程读取,能够充分发挥CPU的多核作用

而nginx只需要做一件事,就是等着客户端过来,不需要做其他的事情,所以也就设置成阻塞。
零拷贝
用kafka来讲,首先这里面有两个角色,一个是消息生产者,一个是消息消费者

也就是说,我们通过开辟了一个内存空间,能够直接抵达磁盘,能够减少kernel的系统调用。
在读取的时候,如果是原来的做法,就需要首先请求kernel,然后kernel发起一个read请求,读取磁盘的文件到内核中,然后kafka在读取kernel中的信息。
那么什么是零拷贝呢?零拷贝就是不发生拷贝的情况,零拷贝的前提就是数据不需要加工,在JVM中有一个RandomAccessFile,它能够直接开辟一个堆内空间,或者堆外空间。
浙公网安备 33010602011771号