会员
众包
新闻
博问
闪存
赞助商
HarmonyOS
Chat2DB
所有博客
当前博客
我的博客
我的园子
账号设置
会员中心
简洁模式
...
退出登录
注册
登录
哆啦美
博客园
::
首页
::
新随笔
::
联系
::
订阅
::
管理
公告
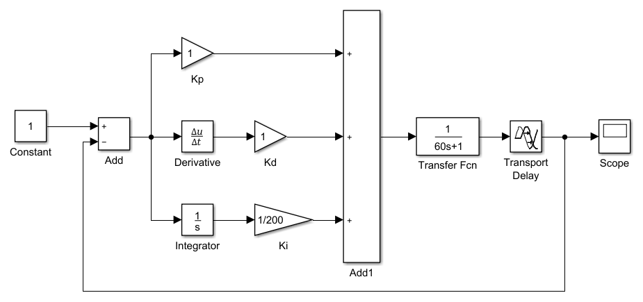
连续PID控制器
1 前言
2 Simulink
posted on
2022-03-21 16:24
哆啦美
阅读(
49
) 评论(
0
)
收藏
举报
刷新页面
返回顶部
博客园
© 2004-2025
浙公网安备 33010602011771号
浙ICP备2021040463号-3