canvas绘制出货单
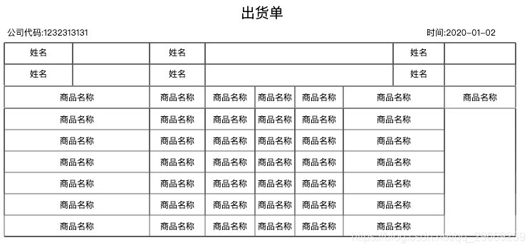
先上效果图 这里以a4纸为例

首先 创建一个canvas 定义宽、高
<canvas id="canvas" width="740" height="1100"></canvas>
然后 获取到canvas 获取到 绘图环境
const canvas = document.getElementById('canvas');
let ctx = canvas.getContext('2d');
画出货单上的线
for (let i = 0; i < n; i++) {
for (let y in list) {
if (y !== 0) {
const poi = list[y] - (list[y] - list[y - 1]) / 2;
writeTxt(tlist[i][y - 1], '12px', [poi, startHei + txtHei + 30 * i])
}
ctx.moveTo(list[y], startHei);
ctx.lineTo(list[y], startHei + 30 * (i + 1));
}
if (isTrue) {
const mtY = startHei + 30 * n;
if (i == 0) {
ctx.moveTo(8, startHei + 30 * i);
ctx.lineTo(726, startHei + 30 * i);
}
ctx.moveTo(8, mtY);
ctx.lineTo(726, mtY);
}
ctx.moveTo(8, startHei + 30 * i);
ctx.lineTo(lineWidth, startHei + 30 * i);
}
这里我封装了一个函数 n 为所需要画的横线的数量 list 为每个竖线的位置数组 当不是第一个竖线的时候 绘制文字 然后画线 当绘制的为商品列表的话 算出最后一条线位置 并绘制上
好了 废话这么多 还是直接上 全部代码吧
ctx.font = `${s} bold 黑体`;
ctx.fillStyle = c;
ctx.textAlign = a;
ctx.textBaseline = 'middle';
ctx.fillText(t, p[0], p[1]);
设置文字大小 颜色 位置等 完成绘制
全部代码
<!DOCTYPE html>
<html lang="en">
<head>
<meta charset="UTF-8">
<meta name="viewport" content="width=device-width, initial-scale=1.0">
<meta http-equiv="X-UA-Compatible" content="ie=edge">
<title>Canvas</title>
</head>
<style>
* {
margin: 0;
padding: 0;
}
html,
body {
width: 100%;
height: auto;
}
</style>
<body>
<canvas id="canvas" width="740" height="1100"></canvas>
<script>
const canvas = document.getElementById('canvas');
let ctx = canvas.getContext('2d');
/**
* @writeTxt: canvas 写入字内容
* @param {str} t 所需要写入的文字
* @param {str} s 写入文字的样式
* @param {arr} p 写入文字的位置
* @param {arr} a 写入文字对齐方式 默认 居中
* @param {obj} c 写入文字颜色 默认 #000
*/
const writeTxt = (t, s, p, a = 'center', c = '#000') => {
if (!t) {
return;
}
ctx.font = `${s} bold 黑体`;
ctx.fillStyle = c;
ctx.textAlign = a;
ctx.textBaseline = 'middle';
ctx.fillText(t, p[0], p[1]);
}
/**
* @drawTable: 画表格
*/
const drawTable = () => {
const headArr = [8, 104, 212, 290, 554, 626, 726]
const headTxtArr = [
['姓名', ' ', '姓名', ' ', '姓名', ' '],
['姓名', ' ', '姓名', '', '姓名', ' ']
]
const titleArr = [8, 212, 290, 360, 416, 484, 626, 726];
const titleTxtArr = [
['商品名称', '商品名称', '商品名称', '商品名称', '商品名称', '商品名称', '商品名称']
]
const goodsTxtArr = [
['商品名称', '商品名称', '商品名称', '商品名称', '商品名称', '商品名称', ''],
['商品名称', '商品名称', '商品名称', '商品名称', '商品名称', '商品名称', ''],
['商品名称', '商品名称', '商品名称', '商品名称', '商品名称', '商品名称', ''],
['商品名称', '商品名称', '商品名称', '商品名称', '商品名称', '商品名称', ''],
['商品名称', '商品名称', '商品名称', '商品名称', '商品名称', '商品名称', ''],
['商品名称', '商品名称', '商品名称', '商品名称', '商品名称', '商品名称', '']
]
drawLine(headArr, headTxtArr, 62, 726, 2)
drawLine(titleArr, titleTxtArr, 123, 726, 1, 16)
drawLine(titleArr, goodsTxtArr, 154, 626, goodsTxtArr.length, 16, true)
}
/**
* @drawLine: 画table线
* @param list {arr} 表格竖线x轴位置
* @param tlist {arr} 表格需要填写文字 无文字 填 ''
* @param startHei {num} 开始画线的高度
* @param lineWidth {num} 横线的长度
* @param n {num} 行数
* @param txtHei {num} 文字位置调整
* @param isTrue {boolean} 是否为物资列表
*/
const drawLine = (list, tlist, startHei, lineWidth, n, txtHei = 14, isTrue = false) => {
for (let i = 0; i < n; i++) {
for (let y in list) {
if (y !== 0) {
const poi = list[y] - (list[y] - list[y - 1]) / 2;
writeTxt(tlist[i][y - 1], '12px', [poi, startHei + txtHei + 30 * i])
}
ctx.moveTo(list[y], startHei);
ctx.lineTo(list[y], startHei + 30 * (i + 1));
}
if (isTrue) {
const mtY = startHei + 30 * n;
if (i == 0) {
ctx.moveTo(8, startHei + 30 * i);
ctx.lineTo(726, startHei + 30 * i);
}
ctx.moveTo(8, mtY);
ctx.lineTo(726, mtY);
}
ctx.moveTo(8, startHei + 30 * i);
ctx.lineTo(lineWidth, startHei + 30 * i);
}
if (isTrue) {
const mtY = startHei + 30 * n;
ctx.moveTo(8, mtY);
ctx.lineTo(726, mtY);
}
ctx.strokeStyle = '#5a5a59';
ctx.stroke();
}
writeTxt('出货单', '20px', [370, 20])
writeTxt('公司代码:1232313131', '12px', [12, 48], 'left')
writeTxt('时间:2020-01-02', '12px', [698, 48], 'right')
drawTable()
</script>
</body>
</html>
如有错误 请指出 谢谢!

浙公网安备 33010602011771号