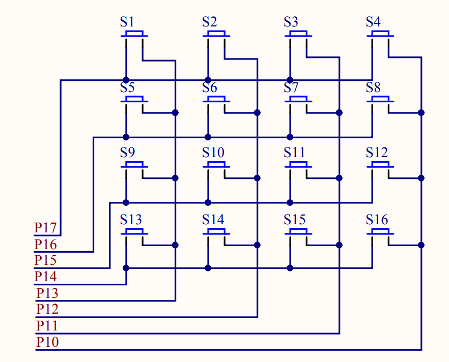
矩阵键盘
先看原理图

P1_7到P1_4控制行
P1_3到P1_0控制列
所以要检测按的是哪一个的话,就可以用逐行法或者逐列法来判断
我用的逐列法,因为这个板子用逐行法会冲突((
所谓逐列法
先把P1全部置为高电平
再把某一列接通(置为低电平),然后然后逐一判断这一列的每个是不是为低电平
如果出现了低电平即可得出对应的行和列
MatrixKey代码如下:
#include <REGX52.H>
#include "Delay.h"
/**
* @brief 矩阵键盘读取按键键码
* @param 无
* @retval KeyNumber 按下按键的键码值
如果按键按下不放,程序会停留在此函数,松手的一瞬间,返回按键键码,没有按键按下时,返回0
*/
unsigned char MatrixKey()
{
unsigned char KeyNumber=0;
P1=0xFF;
P1_3=0;
if(P1_7==0){Delay(20);while(P1_7==0);Delay(20);KeyNumber=1;}
if(P1_6==0){Delay(20);while(P1_6==0);Delay(20);KeyNumber=5;}
if(P1_5==0){Delay(20);while(P1_5==0);Delay(20);KeyNumber=9;}
if(P1_4==0){Delay(20);while(P1_4==0);Delay(20);KeyNumber=13;}
P1=0xFF;
P1_2=0;
if(P1_7==0){Delay(20);while(P1_7==0);Delay(20);KeyNumber=2;}
if(P1_6==0){Delay(20);while(P1_6==0);Delay(20);KeyNumber=6;}
if(P1_5==0){Delay(20);while(P1_5==0);Delay(20);KeyNumber=10;}
if(P1_4==0){Delay(20);while(P1_4==0);Delay(20);KeyNumber=14;}
P1=0xFF;
P1_1=0;
if(P1_7==0){Delay(20);while(P1_7==0);Delay(20);KeyNumber=3;}
if(P1_6==0){Delay(20);while(P1_6==0);Delay(20);KeyNumber=7;}
if(P1_5==0){Delay(20);while(P1_5==0);Delay(20);KeyNumber=11;}
if(P1_4==0){Delay(20);while(P1_4==0);Delay(20);KeyNumber=15;}
P1=0xFF;
P1_0=0;
if(P1_7==0){Delay(20);while(P1_7==0);Delay(20);KeyNumber=4;}
if(P1_6==0){Delay(20);while(P1_6==0);Delay(20);KeyNumber=8;}
if(P1_5==0){Delay(20);while(P1_5==0);Delay(20);KeyNumber=12;}
if(P1_4==0){Delay(20);while(P1_4==0);Delay(20);KeyNumber=16;}
return KeyNumber;
}
main函数如下:
#include <at89c51RC2.h>
#include "Delay.h"
#include "LCD1602.h"
#include "MatrixKey.h"
unsigned char KeyNum;
int main()
{
LCD_Init();
LCD_ShowString(1,1,"HelloWorld");
while(1)
{
KeyNum = MatrixKey();
if(KeyNum)
{
LCD_ShowNum(2,1,KeyNum,2);
}
}
}

浙公网安备 33010602011771号