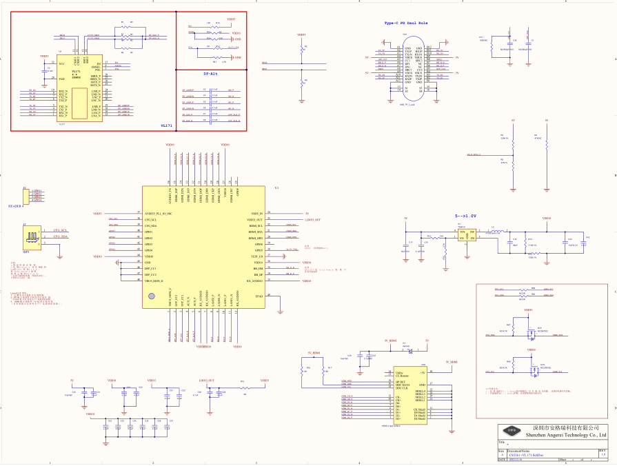
瑞昱RTD2171停产替代芯片CS5261 Type-C转HDMI单转方案 CS5261+VL171母座正反插方案原理图
在2021年末尾,瑞昱RTD2171已经停产,ASL集睿致远的单转Type-C转HDMI方案芯片,Capstone CS5261却可以完 全替代兼容RTD2171, CS5261芯片还可以实现对Type-C接口信号转换的同时实现投屏的慢充功能。另外如果使用芯片CS5261+VL171支持Type-C母座正反插设计转HDMI投屏方案,也是可以的。
详细讲解CS5261芯片的功能描述和参数特性:CS5261是一种 Type-C/DP1.4到HDMI2.0b转换 器,设计用于连接USB Type-C端或DP1.4源到HDMI2。0b转换。CS5261集成了DP1。4兼容接收,一个HDMI2.0b兼容发 射 机。此外,还可用于CC通信,可实现DP Alt模式和电源输送(5V慢速充电)功能,一个用在上游TYPEC端口,另一个下游端口。
typec转HDMI 转接线Type-C转HDMI 转换 器Type-C拓展坞显示系统,扩展底座其中Type-C显示系统的显示系统如(即显示器、电视、投影仪、标牌或流媒体盒等)
CS5261替代RTD2171应用途径:
CS5261+VL171支持Type-C母座正反插设计转HDMI电路原理图:


CS5261与RTD2171参数对比如下:
支持所有USB Type-C通道配置(CC)
嵌入式振荡 器,无需外部晶体
嵌入式MCU与串行flash
嵌入式EDID(如果终端设备没有,CS5261将响应EDID)
支持HDCP 1.4,带有支持HDCP发射机/接收机的片上键。
支持RGB 4:4:4 8/10位bpc和YCbCr 4:4:4、4:2:2、4:2:0 8/10位bpc
192KHz x8通道的音频采样率
LPCM和压缩音频编码格式
用于芯片控制的辅助通道、I2C主机接口
USB Type-C显示端口(DP)Alt模式输入(接收 器)
USB Type-C规范1.2和向后兼容Type-C规范1.0RTD2171参数如下:支持所有USB Type-C通道配置(CC)
薇136 9227 2075
嵌入式振荡 器,无需外部晶体
嵌入式线性压降调节 器(LDO)
嵌入式MCU与spiflash
嵌入式EDID(如果终端设备没有,RTD2171U将响应EDID)
支持HDCP1.4和HDCP2。2带有支持HDCP中继 器的片上键。
综上所示:
CS5261与RTD2171参数特性一致,且CS5261单芯片比RTD2171设计简单,外 围的器件较少,整体方案BOM 比RTD2171要低,CS5261芯片做TYPEC转HDMI 单转4K30HZ音视频转换方案PCB板图、整体方案设计BOM单如下:


浙公网安备 33010602011771号