【自学嵌入式:计算机组成原理】38. 构建内存单元格和内存地址 # 39. 内存条的堆叠工艺
38. 构建内存单元格和内存地址 39. 内存条的堆叠工艺
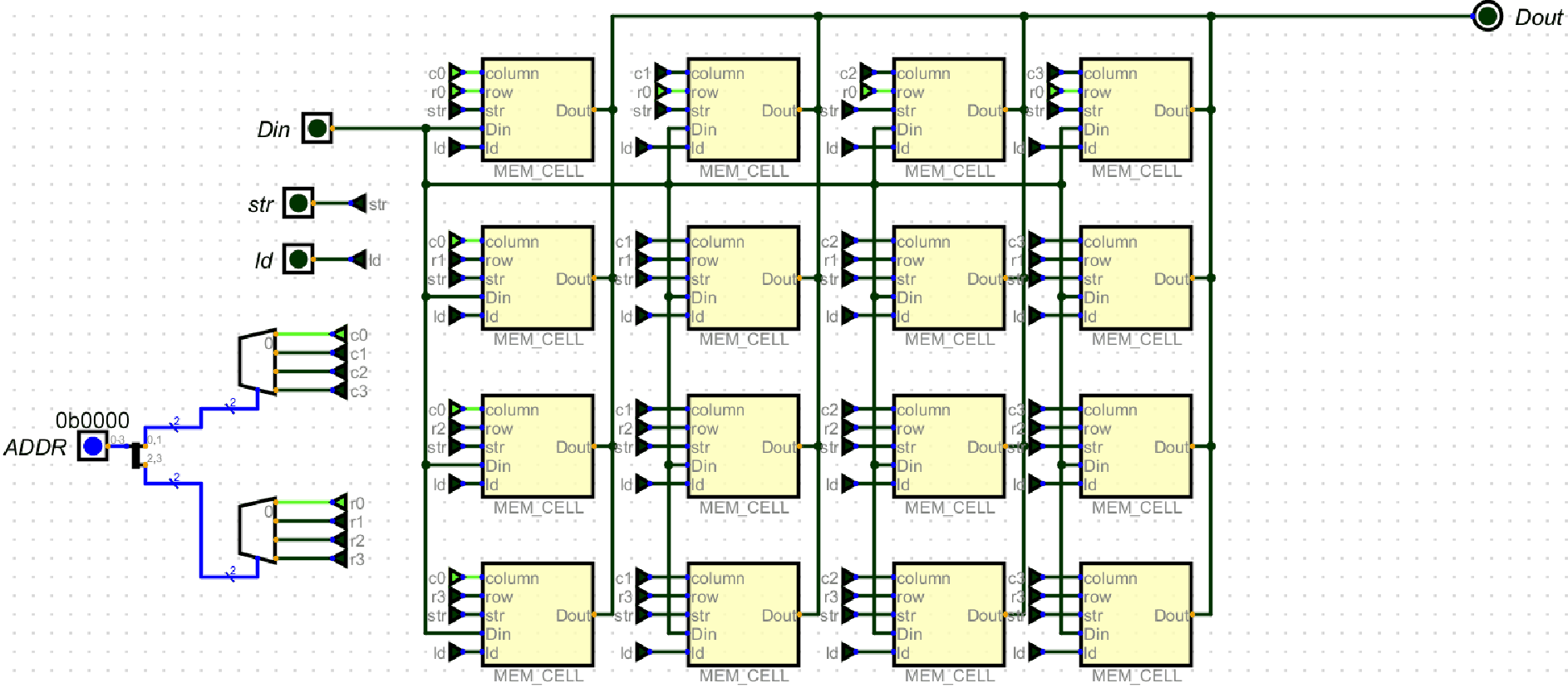
构建一个\(4\times 4\)的内存单元
用时间换空间,每个时刻只有一个元件干活,串行
用隧道连接str,隧道有点像MC的末影物流那种MOD哈哈哈
16个内存地址,4位二进制就够了
前两位地址代表行,后两位地址代表列

对应如下:

译码器是把0,1映射成4个(下图的译码器为例)

现在演示向0b0010内存单元存个1,然后在ld读取一下

如果读取0b0011则是0(初始化默认为0,没存数据)

刚才的电路可以抽象为:

那个按钮就是时钟,WE是是否允许写数据,OE是是否允许读数据
现在演示向地址1111写入0000 0011(一个bit),并且读取出来

行和列的位置就是内存地址
我们采用二进制去描述行和列的位置
从而定位到特定的内存单元格,
就可以完成内存的读写操作。

浙公网安备 33010602011771号