组合逻辑电路
组合逻辑电路的特点:任意时刻的输出只取决于该时刻的输入,与电路原来的状态无关
组合逻辑电路的分析方法
组合逻辑电路的设计方法
1.进行逻辑抽象
(1)分析事件的因果关系,确定输入输出。
(2)对输入输出变量进行二进制编码
(3)列出该事件的真值表,进行逻辑关系的描述
2.写出逻辑函数式
写出逻辑函数式便于进行化简,主要使用卡诺图。当然也可以由真值表直接一步到卡诺图,利用卡诺图化简
3.选定器件类型
比如与门,或门等等
4.画出逻辑电路图
画逻辑电路图时,可以先将所有出现的变量画好,再根据化简后的逻辑表达式进行连接,这样就会画的比较美观。
5.设计验证
对已经得到的原理图进行分析,或者借助计算机仿真软件进行功能和动态特性的仿真,验证设计是否符合要求
下面我们举几个例子来熟悉一下这个流程



这两种由于定义变量状态不一样,卡诺图也就不一样,但是最终的电路图是一样的
常用的组合逻辑电路模块
1.普通编码器
普通编码器:普通编码器任何时候只允许输入一个编码信号,否则就出错,从下面的普通8-3编码器就可以看出来,只有一个输入信号
对于普通编码器我们不需要做过多的学习,知道其特点就好,我们注重学习优先编码器
2.优先编码器
优先编码器:允许同时输入两个及两个以上的编码信号,但是在设计优先编码器时已经对这些信号按优先顺序排了队,,当多个输入信号同时出现时,只对其中优先权最高的一个进行编码

上图中,对输入信号的优先级进行排序,i7>i6>i5>i4>i3>i2>i1>i0,那这个优先级要怎么判断谁高谁低呢?
看X,哪个行所含的最多,其优先级就最高。
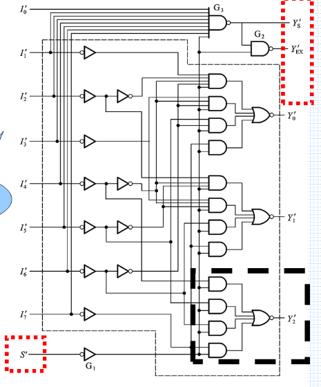
下面就是其电路图,我们要比较熟悉其电路图,多看电路。如图左侧输入信号所示,三角门左侧的圆圈强调低电平输入,而不是取非。
有一个规定:如孤傲要说明以低电平作为输入或输出信号时,要在输入或输出端画出小圆圈,并且在外部标注信号取非。

s'=0,编译器正常工作。ys' 的低电平信号表示电路正常工作,但是没编码输入。yex'的·低电平表示电路正常输入,而且有编码输入。

逻辑框图也需要记住

浙公网安备 33010602011771号