Spectrum 模拟数据采集卡--M2p.59xx-x4 多达8通道同步采集,5M~125MSPS 采样率,16bit
M2p.59xx-x4 - 高达125MS/s的16位数字转换器
该卡512MSample板载内存,并支持standard采集、FIFO采集、门采样,ABA等多种采集模式和时间戳。支持Windows/Linux 32位和64位的操作系统驱动程序,支持C/C++,LabVIEW(Windows),MATLAB(Windows和Linux),LabWindows/CVI,IVI,.NET,Delphi,Visual Basic,Java,Python等语言例程。也包括成熟的软件平台SBench 6。

更多信息请加weixin-pt890111获取
技术指标:
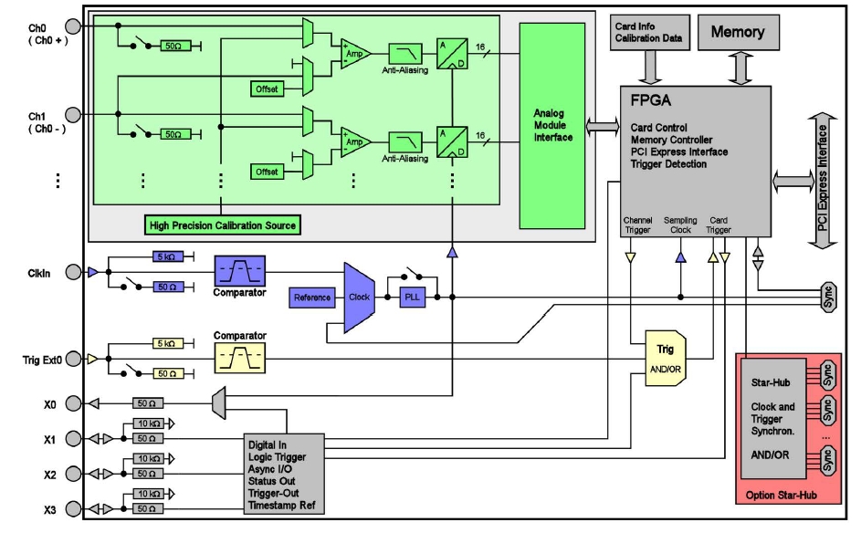
— 多支持8通道同步采集,每通道采样率5M、20M、40M、80M、125MS/s
— 超快速PCI Express x4接口传输
— 每个通道独立的专用16位ADC和放大器
— 6个输入范围:±200mV至±10V
— 512MSamples(1GByte)板载内存
— 每个系统多同步16张卡
— 1个宽度为1/2的PCIe卡
— PCI Express(PCIe)接口允许以超过600MB/s的速度连续传输数据
— 广泛的选项和优化的时钟和触发部分
— 支持Windows和Linux的驱动程序以及SBench 6软件
— 包含MATLAB和LabVIEW的驱动程序
M2p卡系列是全新设计的PCIe平台
这是众所周知的M2i和M3i系列PCI Express和PCI总线数字化仪的增强版。新系列提供佳质量的信号采集功能,提高了总线传输速度,标准产品上具有信号质量增强等多种功能。 M2p卡与现有的软件是100%兼容M2i,M3i,M4i,DN2或DN6平台的卡系列。这些卡数据传输速度已经经过优化,速度更快,并且允许读取数据进行离线分析,使用的是PCIe x4通道接口,在线速度超过600 MB / s。使用高采样率时,1 GB大的板载内存足以获得多个高速数据。 M2p卡经过精心设计,提供了优化的时钟部分,各种类型触发,新的功能和改进的功能,更易于使用和编程,软件支持也更出色。
软件兼容性:
所有目前用于PCI Express(PCIe),PXI Express(PXIe)和PCI / PCI-X的Spectrum卡级产品以及数字化仪NETBOX和generatorNETBOX产品系列使用相同的驱动程序API。因此,M2P,M2i,M3i,M4i,M4x系列,数字化仪的例程与软件和generatorNETBOX是完全软件兼容的,可以使用Windows和Linux的常见驱动程序,IVI,LabVIEW和MATLAB等多种例程。


浙公网安备 33010602011771号