高速数字化仪-M5i.33xx-x16系列
产品简介:
- 高精度、高采样率、高带宽;单通道6.4GS/s双通道3.2GS/s,精度12bit,带宽2GHz,DC耦合,可变量程;PCIex16 Gen3.0。

产品简述
高性能的M5i.33xx系列高速数据采集卡,提供了结合高精度、高采样率、高带宽和业内最快流盘速度的数字化仪指标。
一个高速采集系统可以选择6.4GS/s和12bit精度的连续数据流模式至CPU或GPU。M5i系列是基于Spectrum全系列通用的API和相同软件接口。
该系列包含2个型号,分别是单通道6.4GS/s 双通道3.2GS/s,以及单通道3.2GS/s,精度都是12bit,带宽2GHz。接口采用PCIe 3.0架构,实现12.8 GByte/s的传输速度,最大的满足数据采集存储的要求。同时也考虑到高速采集卡对散热的要求,也针对性的设计的散热接口,保证了该采集卡能长期稳定的运行。
灵活的触发模式以及前端的增益调整,使得该系列可以捕获最为复杂与稀有的事件。采集模式包括快速触发、带时间戳的分段存储模式。
更多信息请加weixin-pt890111获取
主要规格
-
6.4 GS/s 1通道
-
3.2 GS/s 2通道
-
高达 2 GHz带宽
-
PCI Expressx16 Gen3接口,传输速度12.8GByte/s
-
所有通道同步采集
-
4个输入范围: ±200 mV 到 ±2.5 V
-
4GByte板载内存,16GByte板载内存可选
-
窗口触发、预触发、OR/AND触发
-
特点: 单点采集、流模式、 多记录模式、门采样、ABA模式和时间戳
-
数据能直接到GPU
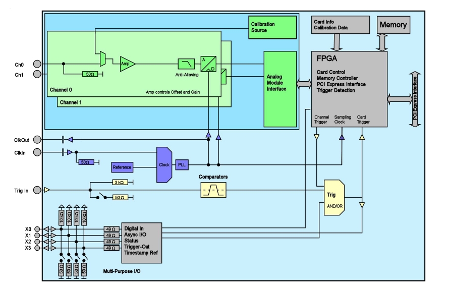
原理框图

软件界面


浙公网安备 33010602011771号