基于JESD204B的2路1GspsAD 2路1Gsps DA FMC子卡
一、板卡概述
更多信息请加weixin-pt890111获取
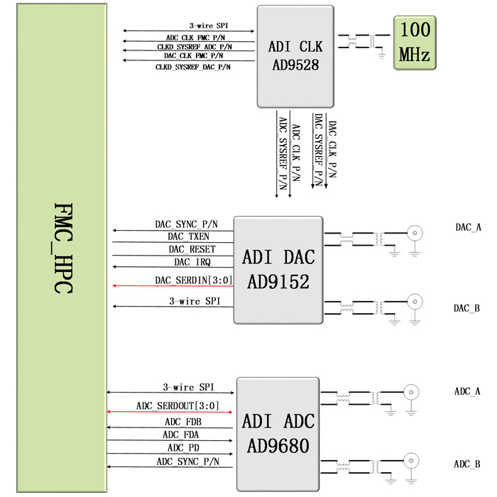
该子卡是高速AD9152 DAC和AD9680 ADC的FMC板。为客户提供高达2 GHz 的可用模拟带宽以及 JESD204B 接口,以快速地对各种宽带 RF 应用进行原型制作。
包括1片AD芯片AD9680,片内双通道、14位、1GSPS模数转换。该模数转换器进行1 GHz输入转换时,可实现80 dBc无杂散动态范围(SFDR)性能和61.4 dBFS信噪比(SNR),同时每通道总功耗为1.65 W。套件中的DAC是双通道、16位、2.25 GSPS AD9152, 其SFDR为82 dBc,最高采样速率达2.25 GSPS,可以生成高达奈奎斯特频率的多载波。AD9528,低抖动时钟发生器提供低功耗、多路输出时钟分配功能,具有低抖动性能,还配有片内PLL、VCO和两个VCO分频器。

二、性能指标
- FMC接口,支持2路AD输入,2路DA输出。
- 两路AD , AD采用AD9680芯片,该芯片集成了两个14位的高速ADC,采样速率高达1GSPS,物理接口为 SMA。
- 两路DA,DA采用AD9152芯片,该芯片为16位分辨率,最大输入数据速率为2.25Gsps,50欧姆阻抗,物理接口为 SSMB。
- 时钟采用温补晶振 256.25MHZ,1ppM, 芯片为AD9528 。
- 支持外时钟输入,通过SMA接口接入时钟芯片,倍频输入给AD,DA芯片。
- FMC卡大小为:69mmX90mm。安装孔大小为2.7mm。
板卡当前工作状态
|
参考时钟 |
AD9528输出时钟 |
AD采样速率 |
DA转换速率 |
JESD204B线速率 |
|
245.76MHz |
983.04MHz |
983.04MHz |
983.04MHz |
9830.4MHz |
备注,客户工作在不同频点自行修改时钟配置和FPGA IP配置
三、软件支持
AD DA基于 JESD204B 接口,支持公司K7,V7,KU,VU9P,Zynq,ZU板卡测试例子程序。
四、产品应用
电子测量、软件无线电、超宽带接收机、信号侦测、无线通信、多通道MIMO通信。

浙公网安备 33010602011771号