基于 Kintex-7 XC7K325T的半高PCIe x4双路万兆光纤收发卡
一、板卡概述
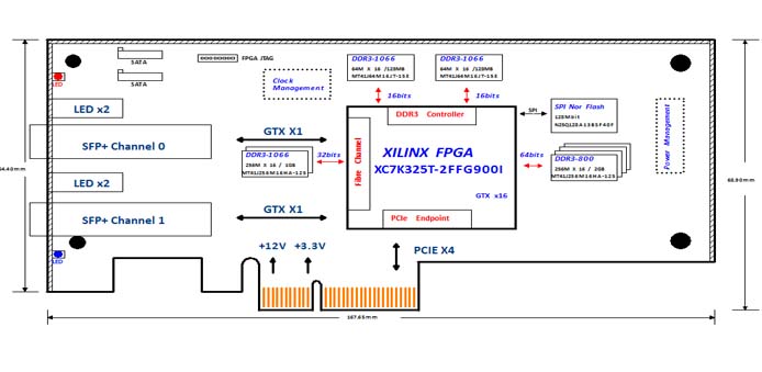
板卡采用Xilinx公司的XC7K325T-2FFG900I芯片作为主处理器,可应用于万兆网络、高速数据采集、存储;光纤隔离网闸等领域。
更多信息请加weixin-pt890111获取

二、功能和技术指标:
|
板卡功能 |
参数内容 |
|
主处理器 |
xilinx XC7K325T-2FFG900I |
|
板卡标准 |
PCI EXPRESS CARD REV. 1.1,半高,2/3长卡 |
|
电气规范 |
支持1路PCIe X4 支持PCI Express V1.1 V2.0标准 |
|
板载缓存 |
板载1组2GB 64bit DDR3内存颗粒,1组1GB 32bit DDR3内存颗粒和2组128MB 16bit DDR3 内存颗粒 |
|
加载Flash |
板载16MB SPI Flash,用于FPGA程序加载 |
|
高速接口 |
两路万兆光纤接口,最大支持10Gbps线速率。 两路GTX接口,使用SATA连接器 |
|
低速接口 |
|
|
板卡尺寸 |
170*68.9mm |
|
板卡重量 |
(含散热片) |
|
板卡供电 |
+12V@3A |
|
板卡功耗 |
36W |
|
工作温度 |
Industrial -20℃到+65℃ |
三、接口测试软件:
|
板卡功能 |
参数内容 |
|
主处理器 |
xilinx XC7K325T-2FFG900I |
|
软件版本 |
ISE14.7 |
|
编程语言 |
Verilog |
|
板卡接口测试程序 |
DDR测试、PCIe IO模式测试,光纤Aurora测试程序 |
|
板卡接口应用程序 |
PCIe V2.0 XDMA 测试FPGA程序, Windows 7,Linux驱动程序 |
四、应用领域
光纤数据收发,隔离,加速计算。

浙公网安备 33010602011771号