XC7K325T数据采集卡设计原理图:786-基于X86 CPU+XC7K325T的16路16bit 1M sps同步数据采集卡
一、板卡概述
板卡为紧凑型的X86+FPGA的工业监测处理平台,北京太速科技,高度集成的硬件和完整的labview开发软件,大大方便客户现场使用。
二、板卡功能
板卡功能
参数内容
X86 SOM核心板
主频 2.0GHz
内存 4GByte
硬盘 512GByte
外设: 1路USB3.0,1路千兆网,1路HDMI
FPGA
Xilinx XC7K325T-2FFG900I
DDR3
BPI配置
AD
2片 AD7606C 16路模拟输入;16路16bit 1M sps ;
±10V  交流耦合
软件
Win7/Win10也可以安装NI Linux RT实时系统
PCIe2.0X4 驱动
LabVIEW图形化开发
三、软件开发
      将LabVIEW My FPGA程序框图编译下载到FPGA里面之后,SOM识别到的PCIe总线设备。

  
图1完整的下位机FPGA芯片里面的LabVIEW程序框图(支持缩放)

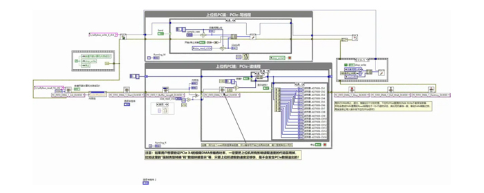
图2 完整的上位机LabVIEW PCIe数据采集显示程序框图

图3 上位机SOM里面运行的LabVIEW采集到的FPGA波形显示

图4:LabVIEW My FPGA完整的上位机SOM跟FPGA之间的PCIe回环实验

                    
                
                
            
        
浙公网安备 33010602011771号