终于集齐:GPIO/ADC/LED/I2C/SPI/USB…
一种是传统的AT指令;
一种是基于模组做Open开发。
传统AT指令的开发方式,合宙模组与行业内其它模组品牌在软件上区别不大,在硬件功耗上更有优势;
模组Open开发,合宙采用的是LuatOS方式,相对C-SDK入门更简单,开发更方便,开发时间上也更快。
上期我们介绍了GPIO设计指导,本期继续讲解ADC/LED/I2C/SPI/USB等硬件接口设计及其注意事项。


一、ADC接口设计指导
Air780E模组(LuatOS版本)支持2路通用ADC接口,管脚分布如下:

ADC接口主要特性:
- 分辨率:12bit
- 量程:0~1.1V
- 时钟频率(fc):1.625MHz~6.5MHz
- 采样频率:fc / 16
- 积分非线性:+-1.2mV
- 微分非线性:+-0.3mV
- 功耗:400μA
- ADC分压模式:ADC管脚可设置为外部分压模式、内部分压模式。
▼ 外部分压模式 ▼
此模式下ADC管为直通模式,量程0~1.1V。此模式下如果想要增加测量量程,可以采用外部电阻分压的方式。


▼ 内部分压模式 ▼
此模式下可以配置内部的分压电阻,但内部的电阻分压只有固定几组组合。
注意:在内部分压模式下,不建议再加外部的分压。

二、指示灯设计指导
状态指示灯功能仅在Air780E AT版本支持,作为网络状态指示灯使用;而对于LuatOS版本,此管脚仅作通用GPIO管脚使用。

网络指示灯功能逻辑:

注意:网络指示灯为AGPIO类型管脚,在休眠时可以保持电平。
网路指示灯参考设计:

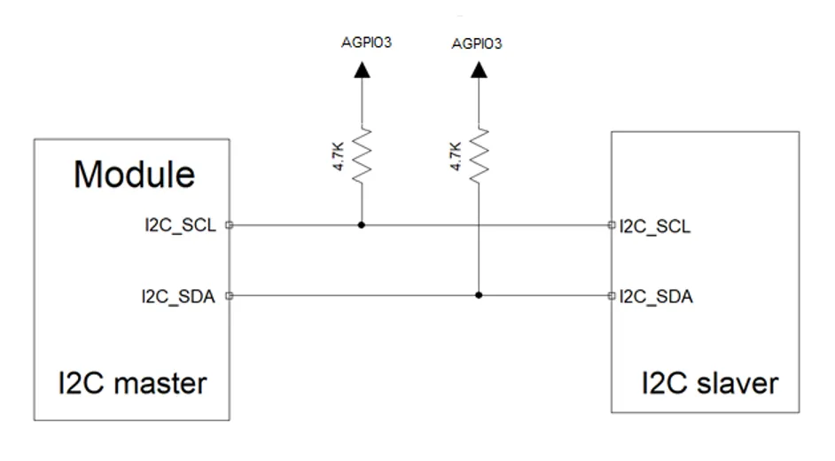
三、I2C接口设计指导
Air780E模组支持1路通用I2C接口(仅LuatOS版本支持),可以连接各类I2C外设。

I2C接口特性:
- 支持主/从模式
- 三种速率:100KHz/ 400KHz/1MHz
- 支持16B FIFO
- 支持DMA模式
注意:I2C接口为普通IO类型接口,在模组休眠状态下会掉电。
I2C参考设计:

四、SPI接口设计指导
Air780E支持一路标准4线SPI接口:

SPI接口特性:
- 支持主从模式
- 最大时钟频率:25.6MHz
- 独立的发送和接收FIFO
- 支持DMA模式
五、USB接口设计指导
Air780E支持1路USB2.0接口,支持下载、调试,以及RNDIS数传。

USB接口特性:
-支持快速(12Mbps);高速(480Mbps)模式。
USB接口参考设计:

设计注意事项:
-
USB走线需要严格按照差分线控制,做到平行和等长;
-
USB走线的阻抗需要控制到差分90欧姆;
-
需要尽可能的减少USB走线的短桩线stub,减少信号反射;USB信号的测试点最好直接放在走线上以减少短桩线stub;
-
尽可能的减少USB走线的过孔数量;
-
在靠近USB连接器或者测试点的地方添加TVS保护管,由于USB的速率较高,需要注意TVS管的选型,保证选用的TVS保护管的寄生电容小于1pF;
-
VBUS作为USB插入唤醒作用,并不直接参与USB插入检测,非必须,在不需要USB插入唤醒的场景也可以不接。
今天的内容就分享到这里了~
如果您在物联网开发选型中有任何疑问,欢迎随时联络合宙共同探讨!

浙公网安备 33010602011771号