Air724UG硬件设计手册(上)
1. 绪论
Air724UG是一款基于紫光展锐UIS8910DM平台设计的LTE Cat 1无线通信模组。支持FDD-LTE/TDD-LTE的4G远距离通讯和Bluetooth近距离无线传输技术,支持WiFi Scan 和WiFi 定位,支持VoLTE、Audio、Camera、LCD、Keypad等功能。另外,模组提供了USB/UART/SPI/I2C/SDIO等通用接口满足IoT行业的各种应用诉求。
Air724UG 支持Luat二次开发。下图为Air724UG模块功能框图:
2. 综述
2.1 型号信息
表格1:模块型号列表
2.2 主要性能
表格2:模块主要性能

3. 应用接口
模块采用LCC封装,117个SMT焊盘管脚,以下章节将详细阐述Air724UG各接口的功能
3.1. 管脚描述













3.2. 工作模式
下表简要的叙述了接下来几章提到的各种工作模式。
表格5:工作模式
3.3. 电源供电

3.3.1. 模块电源工作特性
在模块应用设计中,电源设计是很重要的一部分。由于LTE射频工作在最大发射功率时会有约700mA的持续 工作电流,电源必须能够提供足够的电流,不然有可能会引起供电电压的跌落甚至模块直接掉电重启。
3.3.2. 减小电压跌落

模块电源VBAT电压输入范围为3.3V~4.3V,但是模块在射频发射时通常会在VBAT电源上产生电源电压跌落现象,这是由于电源或者走线路径上的阻抗导致,一般难以避免。因此在设计上要特别注意模块的电源设计, 在VBAT输入端,建议并联一个低ESR(ESR=0.7Ω)的100uF的钽电容,以及100nF、33pF、10pF滤波电容,VBAT输入 端参考电路如图4所示。并且建议VBAT的PCB走线尽量短且足够宽,减小VBAT走线的等效阻抗,确保在最大发射 功率时大电流下不会产生太大的电压跌落。建议VBAT走线宽度不少于1mm,并且走线越长,线宽越宽。
图表3:VBAT 输入参考电路
3.1.2. 供电参考电路
电源设计对模块的供电至关重要,必须选择能够提供至少1A电流能力的电源。若输入电压跟模块的供电电 压的压差小于2V,建议选择LDO作为供电电源。若输入输出之间存在的压差大于2V,则推荐使用开关电源转换器以提高电源转换效率。
LDO供电:
下图是5V供电的参考设计,采用了Micrel公司的LDO,型号为MIC29302WU。它的输出电压是4.16V,负载电 流峰值到3A。为确保输出电源的稳定,建议在输出端预留一个稳压管,并且靠近模块VBAT管脚摆放。建议选择 反向击穿电压为5.1V,耗散功率为1W以上的稳压管。
图表4:供电输入参考设计
DC-DC 供电:
下图是DC-DC 开关电源的参考设计,采用的是杰华特公司的JW5033S 开关电源芯片,它的最大输出电流是2A,输入电压范围3.7V~18V。注意C25 的选型要根据输入电压来选择合适的耐压值。
图表6:DCDC 供电输入参考设计
由于DC-DC 芯片对布局和走线有要求,为了简化设计,也可以采用合宙推出的JW5033S 电源模块:
Air5033S 来给4G 模块供电,只需要外加两颗滤波电容即可,参考电路如下:

图表6:Air5033S 供电输入参考设计
3.1. 开关机
3.1.1. 开机
| 管脚名 | 类型 | 序号 | 描述 |
|---|---|---|---|
| PWRKEY | DI | 68 | 模块开机/关机控制脚,内部上拉到VBAT |
| VBUS | DI | 14 | USB插入检测,Vmax=5.25V Vmin=3.3V Vnorm=5.0V Luat固件可触发充电开机 |
在VBAT供电后,可以通过如下三种方式来触发Air724UG开机:
- 把PWRKEY 拉低1.2秒以上
- 给VBUS 管脚供电,来触发充电开机(AT固件不支持)
- RTC 定时开机(AT固件不支持)
3.4.1.1 PWRKEY****管脚开机
VBAT上电后,可以通过PWRKEY管脚启动模块,把PWRKEY管脚拉低1.2秒以上之后模块会进入开机流程,软 件会检测VBAT管脚电压,若VBAT管脚电压大于软件设置的开机电压(3.1V),会继续开机动作直至系统开机完 成;否则,会停止执行开机动作,系统会关机,开机成功后PWRKEY管脚可以释放。可以通过检测 V_GLOBAL_1V8 管脚的电平来判别模块是否开机。推荐使用开集驱动电路来控制PWRKEY管脚。下图为参考电路:
另一种控制PWRKEY管脚的方法是直接使用一个按钮开关。按钮附近需放置一个TVS管用以ESD保护。下图 为参考电路:
按键开机时序图:
3.4.1.1 上电开机
将模块的PWRKEY 直接接地可以实现上电自动开机功能。需要注意,在上电开机模式下,将无法关机,只要 VBAT 管脚的电压大于开机电压即使软件调用关机接口,模块仍然会再开机起来。另外,在此模式下,要想成功开机起来 VBAT 管脚电压仍然要大于软件设定的开机电压值(3.1V),如果不满足,模块会关闭,就会出现反复开关机的情况。
对于用锂电池或其他可充电电池供电的应用场景,推荐优先采用按键开机的方式。
如果要上电开机,除了要把PWRKEY 拉低以外,还必须把VBUS 管脚接到充电器上来触发充电开机,或者在VBUS 和VBAT 之间加一个肖特基二极管来触发充电开机,否则在锂电池过放导致模块低电压关机后,在给锂电池重新充电时因为电压还不稳,而模块只会检测到一次PWRKEY 拉低的中断,会导致概率性无法开机。
增加这颗肖特基二极管后会增加约0.6mA 的待机电流。
参考电路如下:
3.1.1. 关机
以下的方式可以关闭模块:
¨ 正常关机:使用PWRKEY管脚关机
¨ 正常关机:通过AT指令AT+CPOWD关机
¨ 低压自动关机:模块检测到低电压时关机,可以通过AT指令AT+CBC 来设置低电压的门限值;
3.4.2.1 PWRKEY****管脚关机
PWRKEY 管脚拉低1.5s 以上时间,模块会执行关机动作。
关机过程中,模块需要注销网络,注销时间与当前网络状态有关,经测定用时约2s~12s,因此建议延长12s 后再进行断电或重启,以确保在完全断电之前让软件保存好重要数据。
3.4.2.1 低电压自动关机
模块在运行状态时当VBAT 管脚电压低于软件设定的关机电压时(默认设置3.1V),软件会执行关机动作关闭模块,以防低电压状态下运行出现各种异常。
3.4.3 复位
| 管脚名 | 类型 | 序号 | 电压域 | 描述 |
|---|---|---|---|---|
| RESET_IN_N | DI | 1 | VBAT | 模块复位输入,低有效;内部上拉到VBAT |
RESET_IN_N 引脚可用于使模块复位。拉低RESET_IN_N 引脚100ms 以上可使模块复位。RESET_IN_N 信号对干扰比较敏感,因此建议在模块接口板上的走线应尽量的短,且需包地处理。
参考电路:
3.1. 串口
模块提供了五个通用异步收发器:主串口UART1、校准串口UART2、通用串口UART3、调试串口HOST UART
和ZSP UART。
3.1.1. UART1
表格6:UART1 管脚定义
| 管脚名 | 类型 | 序号 | 电压域 | 描述 |
|---|---|---|---|---|
| UART1_TXD | DO | 36 | V_GLOBAL_1V8 | UART1 发送数据 |
| UART1_RXD | DI | 35 | V_GLOBAL_1V8 | UART1 接收数据 |
| UART1_RTS | DO | 37 | V_GLOBAL_1V8 | 流控管脚,UART1 请求发送数据 |
| UART1_CTS | DI | 38 | V_GLOBAL_1V8 | 流控管脚,UART1 清除发送 |
对于Luat 开发方式,UART1 可以用作一个通用的串口来连接其他的串口设备。
对于AT 开发方式,UART1 用来进行AT 指令通讯。UART1 支持固定波特率和自适应波特率。自适应波特率支持范围9600bps 到115200bps。
在默认情况下,模块的硬件流控是关闭的。当客户需要硬件流控时,管脚 RTS,CTS 必须连接到客户端,AT 命令 “AT+IFC=2,2” 可以用来打开硬件流控。AT 命令 “AT+IFC=0,0” 可以用来关闭流控。具体请参考《AirM2M 无线模块AT 命令手册》。
UART1 的特点如下:
¨ 包括数据线TXD和RXD,硬件流控控制线RTS和CTS。
¨ 8个数据位,无奇偶校验,一个停止位。
¨ 硬件流控默认关闭。
¨ 用以AT命令传送,数传等。
¨ 支持波特率如下:1200,2400,4800,9600,14400,19200,28800,38400,57600,115200,230400,460800,921600bps
¨ AT指令版本默认情况下模块是自适应波特率(AT+IPR=0),在自适应波特率模式下,开机后初始化信息(开头是“RDY”)不会回发给主控机。在模块开机2-3秒后,可以给模块发送AT命令。主控机需首先发送“AT”字符给模块来训练主控机的波特率,此时模块会上报初始化信息,表明训练成功。用户可以发送一个“AT+IPR=x :&W”命令给模块(x是波特率,比如9600),此命令的作用是设置一个固定的波特率并保存,在完成这些配置之后,每次模块开机以后,会自动串口返回URC初始化信息(开头是“RDY”)。
为了更好的使用自适应波特率功能,以下的使用条件需要注意:
模块和上位机之间同步:
自适应波特率功能开启情况下,当模块上电,在发送“AT”字符前最好等待2~3 秒钟。当模块上报开机初始化信息,表明波特率训练成功,和上位机完成了同步。
在自适应波特率模式下,主控器如果需要开机信息,必须首先进行同步。否则开机初始化信息将不会上报。
自适应波特率操作配置:
¨ 串口配置为8位数据位,无奇偶校验位,1位停止位(出厂配置)
¨ 模块开机时只有字符串“AT”可以训练波特率。(“at”、“At”或者“aT”无法被识别)
¨ 波特率训练成功后,可以识别大写、小写或大小写组合的AT命令。
¨ 不推荐在固定波特率模式时切换到自适应波特率模式。
¨ 在自适应波特率模式下,不推荐切换到软件多路复用模式。
3.1.1. UART2
表格7:UART2 管脚定义
| 管脚名 | 类型 | 序号 | 电压域 | 描述 |
|---|---|---|---|---|
| UART2_TXD | DO | 4 | V_GLOBAL_1V8 | UART2 发送数据 |
| UART2_RXD | DI | 3 | V_GLOBAL_1V8 | UART2 接收数据 |
UART2 可以用来射频校准,同时UART2 还用来和内部的蓝牙进行通讯,如果用到了蓝牙功能,则UART2 不可再用作其他用途。
注意:UART2 在开机后会自动打印一段log,波特率921600,这段log不能通过修改软件来关闭,推荐优先使用
UART1 和UART3
UART2打印的Log如下:
RDA8910m Boot_ROM V1.0-17b887ec HW_CFG: 36
SW_CFG: 0
SE_CFG: 0
check flash img
load complete! checking......
Security Disabled Check uImage Done Run ...
3.1.1. UART3
| 管脚名 | 类型 | 序号 | 电压域 | 描述 |
|---|---|---|---|---|
| UART3_TXD | DO | 90 | V_GLOBAL_1V8 | UART3 发送数据 |
| UART3_RXD | DI | 89 | V_GLOBAL_1V8 | UART3 接收数据 |
UART3 是一个通用串口,可以用作外接GPS等外设。
3.1.2. HOSTUART
| 管脚名 | 类型 | 序号 | 电压域 | 描述 |
|---|---|---|---|---|
| HOST_TXD | DO | 5 | V_GLOBAL_1V8 | 调试串口,输出AP log,波特率921600bps |
| HOST_RXD | DI | 6 | V_GLOBAL_1V8 | 调试串口,接收调试指令 |
HOST UART 用来软件调试时输出AP trace,建议预留测试点。
3.1.3. ZSPUART
| 管脚名 | 类型 | 序号 | 电压域 | 描述 |
|---|---|---|---|---|
| ZSP_UART_TXD | DO | 7 | V_GLOBAL_1V8 | 调试串口,输出CP log,波特率8Mbps |
ZSP UART 用来软件调试时输出CP trace
3.1.4. 串口连接方式
串口的连接方式较为灵活,如下是三种常用的连接方式。 三线制的串口请参考如下的连接方式:
带流控的串口连接请参考如下电路连接,此连接方式可提高大数据量传输的可靠性,防止数据丢失。
3.1.1. 串口电压转换
Air724UG 模块的串口电平都是1.8V 的,如果要和3.3V/5V 的MCU 或其他串口外设通信,必须要加电平转换电路:
电平转换参考电路如下:
注意此电平转换电路不适用波特率高于460800 bps 的应用;
图中V_GLOBAL_1V8 是模块输出的I/O 参考电压。VDD_MCU 是客户端的I/O 参考电压。
D2 必须选用低导通压降的肖特基二极管。
肖特基二极管以及NPN 三极管的推荐型号如下:
| 物料名称 | 型号 | 厂商 | 描述 |
|---|---|---|---|
| 肖特基二极管 | RB521S-30 | 江苏长电 | Schottky Diode;30V;200mA;SOD523;1.60.80.6mm |
| PSB521S-30 | 上海智晶 | Schottky Diode;30V;200mA;SOD523;1.60.80.6mm | |
| LRB521S-30T1 G | LRC | Schottky Diode;30V;200mA;SOD523;1.60.80.6mm | |
| PSBD521S-30 | Prisemi | Schottky Diode;30V;200mA;SOD523;1.60.80.6mm | |
| NPN三极管 | MMBT3904 | 江苏长电 | Transistor;NPN;40V;200mA;SOT23;1.1mm;ROHS |
| MMBT3904 | 上海智晶 | Transistor;NPN;40V;200mA;SOT23;1.1mm;ROHS | |
| LMBT3904LT1G | LRC | Transistor;NPN;40V;200mA;SOT23;1.1mm;ROHS |
对于波特率高于460800bps 的应用,可以通过外加电平转换芯片来实现电压转换,参考电路如下:
3.1. USB****接口
Air724UG 的USB 符合USB2.0 规范,支持高速(480Mbps)、全速(12Mbps)模式和低速(1.2Mbps) 模式。USB 接口可用于AT 命令传送,数据传输,软件调试和软件升级。
表格8:USB 管脚定义


图表9:USB 接口参考设计
- USB 走线需要严格按照差分线控制,做到平行和等长;
- USB 走线的阻抗需要控制到差分90 欧姆;
- 需要尽可能的减少USB 走线的stubs,减少信号反射;USB 信号的测试点最好直接放在走线上以减少stub;
- 尽可能的减少USB 走线的过孔数量;
- 在靠近USB 连接器或者测试点的地方添加TVS 保护管,由于USB 的速率较高,需要注意TVS 管的选型,保证选用的TVS 保护管的寄生电容小于1pF
- VBUS 作为USB 插入检测,必须连接USB 电源或者外接电源,否则USB 无法被检测到,VBUS 的检测电压要大于3.3V
3.1. USB下载模式
| 管脚名 | 类型 | 序号 | 电压域 | 描述 |
|---|---|---|---|---|
| USB_BOOT****KEYIN0 | DI | 66 | V_GLOBAL_1V8 | 在开机之前上拉到 V_GLOBAL_1V8,模块会强行进入USB 下载模式 ,USB_BOOT 和 V_GLOBAL_1V8 须留测试点,方便后续升级软件 |
| V_GLOBAL_1V8 | PO | 65 | V_GLOBAL_1V8 | 输出1.8V,IOmax=50mA |
| KEYOUT0 | DO | 96 | V_GLOBAL_1V8 | 扫描键盘输出0 |
| KEYIN1 | DI | 91 | V_GLOBAL_1V8 | 扫描键盘输入1 |
Air724UG 模块有两种方式可以进入USB 下载模式:
- 在开机之前,把USB_BOOT/KEYIN0 上拉到V_GLOBAL_1V8
- 在开机之前,把USB_BOOT/KEYIN0 和KEYOUT0 短接在一起
建议给USB_BOOT/KEYIN0 和V_GLOBAL_1V8 预留测试点,方便下载调试使用。
在带有矩阵扫描键盘的应用中,建议把USB_BOOT/KEYIN0 和KEYOUT0 组成的按键接出来,以方便进行整机烧录的操作。
模块进入USB 下载模式后会枚举出下图所示的端口:
Air724UG 还有一种方式会进入调试模式:在开机之前,把KEYIN1 上拉到V_GLOBAL_1V8;进入调试模式后USB 枚举出来的端口和USB 下载模式的端口是一样的。
进入调试模式后将无法正常开机,故正常开机请不要把KEYIN1 上拉到V_GLOBAL_1V8
3.1. I2C
| 管脚名 | 类型 | 序号 | 电压域 | 描述 |
|---|---|---|---|---|
| I2C2_SCL | IO | 32 | V_GLOBAL_1V8 | I2C2 时钟信号,用作I2C 时需外加1.8V 上拉 |
| I2C2_SDA | IO | 31 | V_GLOBAL_1V8 | I2C2 数据信号,用作I2C 时需外加1.8V 上拉 |
| CAMI2C_SCL1 | IO | 51 | V_GLOBAL_1V8 | Camera I2C 时钟信号,也可用作通用I2C 接口 |
| CAMI2C_SDA1 | IO | 50 | V_GLOBAL_1V8 | Camera I2C 数据信号,也可用作通用I2C 接口 |
Air724UG 可支持两路I2C 接口:
u 兼容Philips I2C 标准协议
u 支持Fast mode (400Kbps)和Slow mode(100Kbps)
u 只支持master 模式,不支持slaver 模式
u 可通过软件来配置内部的上拉电阻,1.8K 或者20K
u 理论上最多可支持127 个从设备
I2C 的参考电路如下:
Air724UG 的I2C 接口电压是1.8V,如果要接3.3V/5V 的I2C 设备,则需要加电平转换电路,参考电路如下:

3.9. 标准****SPI
| 管脚名 | 类型 | 序号 | 电压域 | 描述 |
|---|---|---|---|---|
| SPI1_CS | DO | 54 | V_GLOBAL_1V8 | SPI1 片选信号 |
| SPI1_CLK | DO | 52 | V_GLOBAL_1V8 | SPI1 时钟信号输出 |
| SPI1_DIN | DI | 53 | V_GLOBAL_1V8 | SPI1 数据输入 |
| SPI1_DOUT | DO | 55 | V_GLOBAL_1V8 | SPI1 数据输出 |
| SPI2_CS | DO | 74 | V_GLOBAL_1V8 | SPI2 片选信号 |
|---|---|---|---|---|
| SPI2_CLK | DO | 75 | V_GLOBAL_1V8 | SPI2 时钟信号输出 |
| SPI2_DIN | DI | 76 | V_GLOBAL_1V8 | SPI2 数据输入 |
| SPI2_DOUT | DO | 83 | V_GLOBAL_1V8 | SPI2 数据输出 |
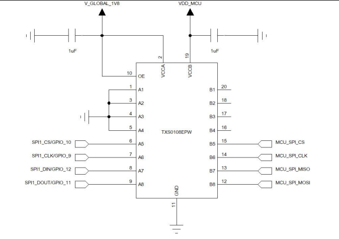
Air724UG 的SPI 只支持master 模式,参考电路如下:
Air724UG 的SPI 接口电压是1.8V,如果需要外接3.3V/5V 的外设,需要加电平转换芯片,推荐采用TI
的TXS0108E,8 位双向电压电平转换器,适用于漏极开路和推挽应用,最大支持速率: 推挽:110Mbps
开漏:1.2Mbps
SPI 电平转换参考电路如下:
3.10. SPI****LCD


Air724UG 支持一路LCD 专用SPI 接口,用于驱动SPI LCD 屏幕:
u 最大支持320*240 分辨率,30 帧
u 内置图像处理单元GOUDA
u 支持格式:YUV4 : 2 : 0,YUV4 : 2 : 2,RGB565,ARGB8888
u 目前只支持4 线8bit 一通道类型的LCD
u 支持1.8V /2.8V LCD 屏幕
3.11. SPI****CAMERA
| 管脚名 | 类型 | 序号 | 电压域 | 描述 |
|---|---|---|---|---|
| VCC_CAMA | PO | 79 | VCC_CAMA | 输出1.6-3.2V,给Camera 提供模拟电压,默认是1.8V, IOmax=100mA |
| VCC_CAMD | PO | 80 | VCC_CAMD | 输出1.4-2.1V,给Camera 提供数字电压,默认是1.8V, IOmax=100mA |
| CAM_PWDN | DO | 78 | V_GLOBAL_1V8 | 关闭Camera |
| CAM_RST | DO | 84 | V_GLOBAL_1V8 | 重启Camera |
| CAM_REFCLK | DO | 85 | V_GLOBAL_1V8 | Camera MCLK 时钟输出 |
| CAM_SCK | DI | 86 | V_GLOBAL_1V8 | SPI Camera 时钟输入 |
| CAM_SI0 | DI | 87 | V_GLOBAL_1V8 | SPI Camera 数据输入0 |
| CAM_SI1 | DI | 88 | V_GLOBAL_1V8 | SPI Camera 数据输入1 |
| CAMI2C_SCL1 | IO | 51 | V_GLOBAL_1V8 | Camera I2C 时钟信号,内部可配置上拉电阻 |
| CAMI2C_SDA1 | IO | 50 | V_GLOBAL_1V8 | Camera I2C 数据信号,内部可配置上拉电阻 |
Air724UG 支持一路SPI camera 输入接口,可用于扫码、拍照等应用,不支持视频。
u 最高像素30W 像素
u 支持数据格式YUV422, Y420, RAW8, RAW10
u 集成GC0310 驱动参考电路如下:
3.12. KEYPAD
| 管脚名 | 类型 | 序号 | 电压域 | 描述 |
|---|---|---|---|---|
| USB_BOOT****KEYIN0 | DI | 66 | V_GLOBAL_1V8 | 在开机之前上拉到V_GLOBAL_1V8,模块会强行进入USB 下载模式,USB_BOOT 和V_GLOBAL_1V8 须留测试点, 方便后续升级软件 |
| KEYIN1 | DI | 91 | V_GLOBAL_1V8 | 扫描键盘输入1,上电的时候不要上拉到1.8V,否则会进入调试模式,无法正常开机 |
| KEYIN2 | DI | 92 | V_GLOBAL_1V8 | 扫描键盘输入2 |
| KEYIN3 | DI | 93 | V_GLOBAL_1V8 | 扫描键盘输入3 |
| KEYIN4 | DI | 94 | V_GLOBAL_1V8 | 扫描键盘输入4 |
| KEYIN5 | DI | 95 | V_GLOBAL_1V8 | 扫描键盘输入5 |
|---|---|---|---|---|
| KEYOUT0 | DO | 96 | V_GLOBAL_1V8 | 扫描键盘输出0 |
| KEYOUT1 | DO | 97 | V_GLOBAL_1V8 | 扫描键盘输出1 |
| KEYOUT2 | DO | 98 | V_GLOBAL_1V8 | 扫描键盘输出2 |
| KEYOUT3 | DO | 99 | V_GLOBAL_1V8 | 扫描键盘输出3 |
| KEYOUT4 | DO | 89 | V_GLOBAL_1V8 | 扫描键盘输出4 |
| KEYOUT5 | DO | 90 | V_GLOBAL_1V8 | 扫描键盘输出5 |
Air724UG 最多可支持6 x 6 扫描键盘,参考电路如下:
注意:
- KEYIN0 复用为USB_BOOT ,开机前如果把KEYIN0 上拉到1.8V 会进入USB 下载模式; 开机前把KEYIN0 和KEYOUT0 短接也会进入下载模式;
- 开机前不要把KEYIN1 拉高,否则会进入调试模式;
- KEYPAD 接口的所有管脚都不能复用为GPIO;
- 键盘走线请尽量远离天线,以免对天线造成干扰;
- 键盘走线串联1K 电阻来做ESD 防护。
- TVS 预留用作ESD 防护,可以根据实际测试情况来决定是否要贴片1. KEYIN0 复用为USB_BOOT ,开机前如果把KEYIN0 上拉到1.8V 会进入USB 下载模式; 开机前把KEYIN0 和KEYOUT0 短接也会进入下载模式;
- 开机前不要把KEYIN1 拉高,否则会进入调试模式;
- KEYPAD 接口的所有管脚都不能复用为GPIO;
- 键盘走线请尽量远离天线,以免对天线造成干扰;
- 键盘走线串联1K 电阻来做ESD 防护。
- TVS 预留用作ESD 防护,可以根据实际测试情况来决定是否要贴片
3.1. SDIO
| 管脚名 | 类型 | 序号 | 电压域 | 描述 |
|---|---|---|---|---|
| VMMC | PO | 24 | VMMC | LDO 输出,1.6-3.2V 之间可调,默认电压是3.1V,IOmax=150mA ,开机后默认是打开状态,通常用来给MMC 供电 |
| MMC1_DAT2 | IO | 25 | VMMC | SDIO 数据线2 |
| MMC1_DAT3 | IO | 26 | VMMC | SDIO 数据线3 |
| MMC1_CMD | IO | 27 | VMMC | SDIO 命令信号 |
| MMC1_CLK | IO | 28 | VMMC | SDIO 时钟信号 |
| MMC1_DAT0 | IO | 29 | VMMC | SDIO 数据线0 |
| MMC1_DAT1 | IO | 30 | VMMC | SDIO 数据线1 |
Air724UG 支持一路SDIO 接口,可以用来外接T-Flash 卡; 参考电路如下:
3.1. SIM****卡接口
SIM 卡接口支持ETSI 和IMT-2000 卡规范,支持1.8V 和3.0V USIM 卡。支持双卡单待。
3.14.1. SIM 接口
下表介绍了SIM 接口的管脚定义。
表格9:SIM 卡接口管脚定义
| 接口SIM0 | 管脚名 | 序号 | 描述 |
|---|---|---|---|
| USIM_VDD | 12 | SIM0 供电电源,最大供电电流10mA。模块可以自动识别1.8V 或者3V(U)SIM 卡。 | |
| USIM_RST_N | 11 | SIM0 复位信号 | |
| USIM_DATA | 10 | SIM0 数据信号 | |
| USIM_CLK | 9 | SIM0 时钟信号 | |
| USIM_CD | 8 | SIM0插拔检测 | |
| SIM1 | VSIM1 | 72 | SIM1 供电电源,最大供电电流10mA。模块可以自动识别1.8V 或者3V(U)SIM 卡 |
| SIM1_RST | 71 | SIM1 复位信号 | |
| SIM1_DATA | 70 | SIM1 数据信号 | |
| SIM1_CLK | 69 | SIM1 时钟信号· |
3.14.2. SIM0 和内置贴片SIM 卡切换逻辑
Air724UG-NFM 和Air724UG-NFC 支持SIM0 和SIM1 双卡单待;
Air724UG-MFM 和Air724UG-MFC 由于模块内部已经在SIM1 接口上内置了贴片SIM 卡,故SIM1 接口不可再外接SIM 卡,也不可用作GPIO;
模块开机后首先会去查询SIM0 接口上是否有插入SIM 卡,如果检测到SIM0 接口上的SIM 卡,就会读取SIM0 接口的卡信息去连接网络;如果SIM0 接口上没有检测到SIM 卡,则会再去检测SIM1 接口上是否有SIM 卡(或者是内置贴片SIM 卡),如果检测到SIM1 接口上的SIM 卡(或者是内置贴片SIM 卡),就会读取SIM1 接口的卡信息去连接网络;如果SIM1 接口上也没有检测到SIM 卡,则会报错,未插入SIM 卡;
SIM0 接口和SIM1 接口如果同时插入了SIM 卡,默认会使用SIM0 接口上的SIM 卡,同时也可以通过
AT+SIMCROSS 这个指令来切换;
| SIM0 | SIM1 | 默认使用 | |
|---|---|---|---|
| Air724UG-NFM | 插入SIM 卡0 | 没有内置贴片SIM 卡 | SIM0 |
| 未插入SIM 卡 | 报错,未插入SIM 卡 | ||
| Air724UG-NFC | |||
| Air724UG-MFM | 插入SIM 卡0 | 有内置贴片SIM 卡 | SIM0 |
| 未插入SIM 卡 | 内部贴片SIM 卡 | ||
| Air724UG-MFC |
注意:在SIM0,SIM1 都没有插卡的情况下,不要在开机后马上把SIM1 信号线复用的GPIO29,GPIO30, GPIO31 配置成GPIO 来使用,因为在模块开机后会自动去查询SIM 卡是否插入,即使Luat 脚本把这3 个管脚配置成了GPIO,也会因为模块底层软件在查询SIM 卡的时候又配置成了SIM 卡信号功能,导致在操作这3 个GPIO 时操作失败。如果在这种情况下要使用这3 个GPIO,请在开机后延迟10 秒钟再去配置这3 个GPIO;如果SIM0 插入了SIM 卡则不存在这个问题,因为模块查询到SIM0 接口的SIM 卡已插入的情况下,会优先使用这个SIM 卡,不再会去查询SIM1 接口的SIM 卡是否已插入。
3.14.3. SIM 接口参考电路
下图是SIM 接口的参考电路,使用6pin 的SIM 卡座。
图表10:使用6pin SIM

3.1. 音频接口
模块提供了两路模拟音频输入通道和三路模拟输出通道,支持通话、录音和播放等功能。
3.1.1. 防止TDD 噪声和其它噪声
手持话柄及免提的麦克风建议采用内置射频滤波双电容(如10pF和33pF)的驻极体麦克风,从干扰源头滤除射频干扰,会很大程度改善耦合TDD噪音。33pF电容用于滤除模块工作在900MHz频率时的高频干扰。如果不加该电容,在通话时候有可能会听到TDD噪声。同时10pF的电容是用以滤除工作在1800MHz频率时的高频干扰。 需要注意的是,由于电容的谐振点很大程度上取决于电容的材料以及制造工艺,因此选择电容时,需要咨询电容的供应商,选择最合适的容值来滤除高频噪声。
PCB 板上的射频滤波电容摆放位置要尽量靠近音频器件或音频接口,走线尽量短,要先经过滤波电容再到其他点。
天线的位置离音频元件和音频走线尽量远,减少辐射干扰,电源走线和音频走线不能平行,电源线尽量远 离音频线。
差分音频走线必须遵循差分信号的Layout规则。
3.1.1. 麦克风接口
| 管脚名 | 类型 | 序号 | 描述 |
|---|---|---|---|
| MIC+ | AI | 22 | 麦克差分输入通道 1,模块已内置麦克偏置电路 |
| MIC- | AI | 21 |
AIN1通道已内置驻极体麦克风偏置电压。参考电路下图所示:
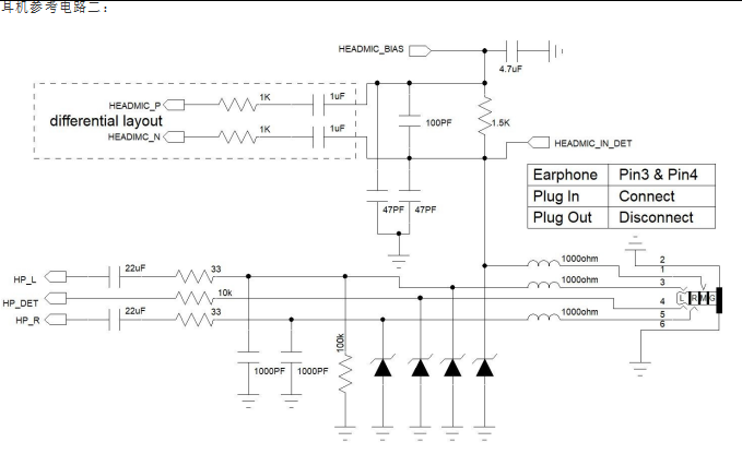
3.1.1. 耳机接口
| 管脚名 | 类型 | 序号 | 描述 |
|---|---|---|---|
| HEADMIC_P | AI | 113 | 耳机麦克差分输入通道,需要外加麦克偏置电路 |
| HEADMIC_N | AI | 104 | |
| HP_R | AO | 103 | 耳机右声道输出,可驱动32 欧姆的单端耳机 |
| HP_L | AO | 112 | 耳机左声道输出,可驱动32 欧姆的单端耳机 |
| HEADMIC_BIAS | PO | 114 | 给耳机麦克提供偏置电压 |
| HP_DET | AI | 106 | 耳机插入检测 |
| HEADMIC_IN_DET | AI | 105 | 耳机按键检测 |
耳机参考电路一:


更换了耳机插座的型号,换成检测管脚是常开类型的耳机插座;
Ø 未插入耳机时,耳机插座的Pin3 和Pin4 之间处于断开状态,HP_DET 由内部拉高,为高电平;
Ø 插入耳机后,耳机插座的Pin3 和Pin4 之间导通,并连接到左声道的耳机喇叭,左声道的耳机喇叭等效于32 欧姆的接地电阻,故HP_DET 被拉低变成低电平;
Ø 拔出耳机后,耳机插座的Pin3 和Pin4 之间断开,因为不需要给22uF 的电容充电,HP_DET 马上变成了高电平,不会出现耳机拔出检测过慢的问题。
耳机根据第3 段和第4 段的接线定义不同可以分为国标OMTP 和美标CTIA 两种,在设计耳机插座的电路后需要选择相应的耳机。
上面的两个耳机参考电路是按照国标OMTP 设计的,故只能使用OMTP 标准的耳机。如果要使用美标CTIA
的耳机,则需要把第3 段、第4 段的接线对换一下。
表格 10:耳机输出性能参数,测试条件:25°C,VBAT=4.2V
| 参数 | 条件 | 最小值 | 典型值 | 最大值 | 单位 |
|---|---|---|---|---|---|
| Full-scale output voltageFull-scaleoutputpowerSNR | 0 dB gain, 32Ω load | 2.4 | 2.8 | Vpp | |
| 0 dB gain, 32Ω load | 20 | 25 | mW | ||
| 0 dB gain | 96 | dB | |||
| THD | 0 dB gain @ 50mW | -70 | -60 | dB | |
| PSRR | 20Hz~2kHz | 60 | dB | ||
| Idle****noise | 0 dB gain | 15 | 30 | uV |
3.1.1. 听筒输出接口
| 管脚名 | 类型 | 序号 | 描述 |
|---|---|---|---|
| EAR_P | AO | 101 | 听筒差分输出,可驱动32 欧姆的差分听筒 |
| EAR_N | AO | 102 |
听筒输出可以驱动32 欧姆的差分听筒,参考电路如下:
表格 11:听筒输出性能参数,测试条件:25°C,VBAT=4.2V
| 参数 | 条件 | 最小值 | 典型值 | 最大值 | 单位 |
|---|---|---|---|---|---|
| Full-scale output voltageFull-scaleoutputpowerSNR | 0 dB gain, 32Ω load | 4 | 5.6 | Vpp | |
| 0 dB gain, 32Ω load | 80 | 100 | mW | ||
| 0 dB gain | 100 | dB | |||
| THD | 0 dB gain @ 50mW | -70 | -60 | dB | |
| PSRR | 20Hz~2kHz | 80 | dB | ||
| Idle****noise | 0 dB gain | 20 | uV |
3.1.1. 喇叭输出接口
| 管脚名 | 类型 | 序号 | 描述 |
|---|---|---|---|
| SPK+ | AO | 19 | 喇叭差分输出,可驱动8 欧姆的喇叭,内置音频PA 可配置为Class-AB 模式或Class-D 模式 |
| SPK- | AO | 18 |
喇叭输出通道可以直接驱动8欧姆喇叭,参考电路如下:
u Speaker 的走线需要走成差分形式,平行并等长;
u Speaker 走线宽度建议在0.5mm 以上;
u 模块内置音频PA 可配置为Class-AB 模式或Class-D 模式,工作在Class-D 模式下时,Speaker 走线对外的干扰特别大,Layout 时要注意远离敏感信号线;
u 10pF 和33pF 的滤波电容需要靠近speaker 放置;
u 建议预留TVS 保护管,靠近speaker 放置;
u 如果因为内置PA 的输出功率不够大,可以再外加一个音频功放,注意一定要选支持差分输入的音频功放,并把模块内置PA 的工作模式配置成Class-AB
表格12:喇叭输出性能参数(Class-AB 模式),测试条件:25°C,VBAT=4.2V
| 参数 | 条件 | 最小值 | 典型值 | 最大值 | 单位 |
|---|---|---|---|---|---|
| Full-scaleoutputvoltage | 0 dB gain, 8Ω load | 5 | 6 | Vpp | |
| Output power | 0 dB gain, 8Ω load THD+N=0.1% | 300 | 500 | mW | |
| 0 dB gain, 8Ω load THD+N=1% | 400 | 600 | mW | ||
| 0 dB gain, 8Ω load THD+N=10% | 600 | 900 | mW | ||
| SNR | 0 dB gain, 8Ω load, Po=200mW | 90 | 100 | dB | |
| THD | 0 dB gain, 8Ω load, Po=200mW | 0.01% | 0.02% | dB | |
| Idle****noise | 0 dB gain, 8Ω load | 17 | 20 | uV |
表格13:喇叭输出性能参数(Class-D 模式),测试条件:25°C,VBAT=4.2V
| 参数 | 条件 | 最小值 | 典型值 | 最大值 | 单位 |
|---|---|---|---|---|---|
| Full-scale output voltageOutputpower | 0 dB gain, 8Ω load | 7 | 8 | Vpp | |
| 0 dB gain, 8Ω load THD+N=0.1% | 350 | 500 | mW | ||
| 0 dB gain, 8Ω load | 600 | 800 | mW |
| SNR****THD | THD+N=1% | ||||
|---|---|---|---|---|---|
| 0 dB gain, 8Ω load THD+N=10% | 700 | 900 | mW | ||
| 0 dB gain, 8Ω load, Po=300mW | 90 | 98 | dB | ||
| 0 dB gain, 8Ω load, Po=300mW | 0.02% | 0.1% | dB | ||
| Idle****noise | 0 dB gain, 8Ω load | 25 | 30 | uV |

浙公网安备 33010602011771号