合宙低功耗4G模组Air780EX——硬件设计手册01
Air780EX是一款基于移芯EC618平台设计的LTECat1无线通信模组。
支持FDD-LTE/TDD-LTE的4G远距离无线 传输技术。
另外,模组提供了USB/UART/I2C等通用接口满足IoT行业的各种应用诉求。
一、主要性能
1.1 模块功能框图

1.2 模块型号列表

1.3 模块主要性能


*注: 模组工作在-40°C~-35°C或+75°C~+85°C温度范围时,模组可以正常工作,但部分射频指标不保证 能满足3GPP标准。
二、 应用接口
模块采用LCC封装,54个SMT焊盘管脚,以下章节将详细阐述Air780EX各接口的功能
2.1. 管脚描述
Air780EX 管脚排列图(正视图)





*注:
1. 二次开发GPIO复用功能详见对应《_GPIO_table》
2.LDOAON 为芯片内部部分GPIO供电电源,由此电源供电的IO口休眠状态下能够保持。
3.所有io 都支持中断;
可以复用为wakeup的io支持双边沿或者高低电平中断,休眠以及唤醒状态下都能使用;
**其余io仅支持单边沿或者单电平中断,唤醒状态下可用,休眠状态下不能使用。 **
IO参数定义:

2.2.工作模式
下表简要的叙述了接下来几章提到的各种工作模式。

注意: 模块进入休眠状态后只能通过以下管脚中断唤醒退出休眠模式。

2.3.电源供电

2.3.1. 模块电源工作特性
在模块应用设计中,电源设计是很重要的一部分。
由于LTE射频工作时最大峰值电流高达1.5A,在最大发 射功率时会有约700mA的持续工作电流,电源必须能够提供足够的电流,不然有可能会引起供电电压的跌落甚 至模块直接掉电重启。
2.3.2. 减小电压跌落
模块电源VBAT电压输入范围为3.3V~4.3V,但是模块在射频发射时通常会在VBAT电源上产生电源电压跌落 现象,这是由于电源或者走线路径上的阻抗导致,一般难以避免。
因此在设计上要特别注意模块的电源设计, 在VBAT输入端,建议并联一个低ESR(ESR=0.7Ω)的100uF的钽电容,以及100nF、33pF、10pF滤波电容。
VBAT输入端参考电路如图所示。

并且建议VBAT的PCB走线尽量短且足够宽,减小VBAT走线的等效阻抗,确保在最大 发射功率时大电流下不会产生太大的电压跌落。建议VBAT走线宽度不少于1mm,并且走线越长,线宽越宽。
2.3.3.供电参考电路
电源设计对模块的供电至关重要,必须选择能够提供至少1A电流能力的电源。
若输入电压跟模块的供电 电压的压差小于2V,建议选择LDO作为供电电源。
若输入输出之间存在的压差大于2V,则推荐使用开关电源转 换器以提高电源转换效率。
LDO供电:
下图是5V供电的参考设计,采用了Micrel公司的LDO,型号为MIC29302WU。
它的输出电压是4.16V,负载 电流峰值到3A。
为确保输出电源的稳定,建议在输出端预留一个稳压管,并且靠近模块VBAT管脚摆放。
建议选择反向击穿电压为5.1V,耗散功率为1W以上的稳压管。
供电输入参考设计:

DC-DC 供电:
下图是DC-DC开关电源的参考设计,采用的是杰华特公司的JW5359M开关电源芯片,它的最大输出电流 是2A,输入电压范围3.7V~18V。
注意C25的选型要根据输入电压来选择合适的耐压值。
DCDC供电输入参考设计:

2.4. 开关机
2.4.1. 开机

在VBAT供电后,可以通过如下两种方式来触发Air780EX开机:
-
按键开机: PWRKEY管脚通过轻触按键连接到地,按键按下1秒以上实现开机。
-
上电开机:将PWRKEY管脚直接短接到地,VBAT上电后就可以实现开机。
2.4.1.1 PWRKEY 管脚开机
VBAT上电后,可以通过PWRKEY管脚启动模块,把PWRKEY管脚拉低1秒以上之后模块会进入开机流程,软 件会检测VBAT管脚电压,
若VBAT管脚电压大于软件设置的开机电压(3.3V),会继续开机动作直至系统开机 完成;
否则,会停止执行开机动作,系统会关机,开机成功后PWRKEY管脚可以释放。
可以通过检测VDD_EXT 管脚的电平来判别模块是否开机。
推荐使用开集驱动电路来控制PWRKEY管脚。
下图为开集驱动参考开机电路:

另一种控制PWRKEY管脚的方法是直接使用一个按钮开关。
按钮附近需放置一个TVS管用以ESD保护。
下图 为按键开机参考电路:

2.4.1.2 上电开机
将模块的PWRKEY直接接地可以实现上电自动开机功能。
需要注意,在上电开机模式下,将无法关机, 只要VBAT管脚的电压大于开机电压即使软件调用关机接口,模块仍然会再开机起来。
另外,在此模式下,要 想成功开机起来VBAT管脚电压仍然要大于软件设定的开机电压值(3.3V),如果不满足,模块会关闭,就会 出现反复开关机的情况。
对于用电池供电的应用场景不建议用PWRKEY接地的上电自动开机方式。
2.4.2. 关机
以下的方式可以关闭模块:
- 正常关机:使用PWRKEY管脚关机
- 正常关机:通过AT指令AT+CPOWD关机
- 低压自动关机:模块检测到低电压时关机,可以通过AT指令AT+CBC来设置低电压的门限值;
2.4.2.1 PWRKEY 管脚关机
PWRKEY 管脚拉低1.5s以上时间,模块会执行关机动作。
关机过程中,模块需要注销网络,注销时间与当前网络状态有关,经测定用时约2s~12s,因此建议延长 12s后再进行断电或重启,以确保在完全断电之前让软件保存好重要数据。
时序图如下:

2.4.2.2低电压自动关机
模块在运行状态时当VBAT管脚电压低于软件设定的关机电压时(默认设置3.3V),软件会执行关机动作 关闭模块,以防低电压状态下运行出现各种异常。
2.4.3复位

RESET_N引脚可用于使模块复位。拉低RESET_N引脚100ms以上可使模块复位。
RESET_N信号对干扰比较敏感,因此建议在模块接口板上的走线应尽量的短,且需包地处理。
参考电路:

注意:
1.复位功能建议仅在AT+CPOWD和PWRKEY关机失败后使用。
2.RESET_N复位管脚拉低释放后,模块会处于硬件关机状态,如果想要重启功能,需要在RESET_N 复位后重新拉低POWERKEY关机进行开机动作。
2.5.串口
模块提供了三个通用异步收发器:主串口MAIN_UART、AUX_UART、DBG_UART。
2.5.1. MAIN_UART
MAIN_UART管脚定义:

对于AT开发方式,MAIN_UART用来进行AT指令通讯。
MAIN_UART支持固定波特率,不支持自适 应波特率 在默认情况下,模块的硬件流控是关闭的。
当客户需要硬件流控时,管脚RTS,CTS必须连接到客户端,
AT 命令“AT+IFC=2,2”可以用来打开硬件流控。
AT命令“AT+IFC=0,0”可以用来关闭流控。
具体请参考《AirM2M无线 模块AT命令手册》。
MAIN_UART在休眠状态下保持的功能,能够唤醒模块 MAIN_UART的特点如下:
包括数据线TXD和RXD,硬件流控控制线RTS和CTS。
8个数据位,无奇偶校验,一个停止位。 硬件流控默认关闭。
用以AT命令传送,数传等。
支持波特率如下:600,1200,2400,4800,14400,9600,19200,38400,57600,115200,230400,460800,921600bps
注意:
MAIN_UART在开机过程中短时会输出固定调试信息
2.5.2. AUX_UART
AUX_UART管脚定义:

AUX_UART为辅助串口,不支持AT指令交互,用于某些外设通信,如对接GNSS等。
AUX_UART休眠后会关闭,无法通过给AUX_UART发送数据进行唤醒。
2.5.3. DBG_UART

DBG_UART用来软件调试时输出APtrace,建议预留测试点。
DBG_UART在开机过程中短时会输出固定调试信息。
DBG_TX、DBG_RX默认功能为系统底层日志口,进行模块硬件设计时,在剩余功能引脚充足的前提 下,避免使用DBG_TX和DBG_RX。
如果将此引脚复用为其他功能,则无法从DBG_TX和DBG_RX抓取系统日志。
在某些场景下,如果模块出现异常,无法抓到问题日志,只能通过硬件改版,引出DBG_TX、 DBG_RX,抓取日志再进行分析。
包括但不限于以下两种场景:
1、低功耗场景:
在低功耗场景下,USB无法使用,只能通过DBG_TX、DBG_RX来抓取日志。
2、非低功耗场景:
模块接入USB时,工作正常,未接入USB时,工作异常的情况,只能通过DBG_TX、DBG_RX来抓取 日志。
2.5.4. 串口连接方式
串口的连接方式较为灵活,如下是三种常用的连接方式。
三线制的串口请参考如下的连接方式:

带流控的串口连接请参考如下电路连接,此连接方式可提高大数据量传输的可靠性,防止数据丢失。
带流控的串口连接方式示意图:

2.5.5. 串口电压转换
Air780EX 模块的串口电平为固定1.8V或3.3V,能够满足大部分MCU主控的串口直接需求,
但是如 果要和3.3V/5V或者以上的MCU或其他串口外设通信,那就必须要加电平转换电路。
电平转换参考电路如下:

注意 :
此电平转换电路不适用波特率高于460800bps的应用。
D2必须选用低导通压降的肖特基二极管。
肖特基二极管以及NPN三极管的推荐型号如下:

对于波特率高于460800bps的应用,可以通过外加电平转换芯片来实现电压转换,参考电路如下:

此电路采用的是电平转换芯片是TI的TXS0108E,8位双向电压电平转换器,
适用于漏极开路和推挽应用,
最大支持速率:
推挽:110Mbps
开漏:1.2Mbps
2.6. USB 接口
Air780EX 的 USB 符合USB2.0规范,支持高速(480Mbps)、全速(12Mbps)模式和低速(1.2Mbps) 模式。
USB接口可用于AT命令传送,数据传输,软件调试和软件升级。
USB管脚定义:

USB接口参考设计电路如下:

注意事项如下:
-
USB走线需要严格按照差分线控制,做到平行和等长;
-
USB走线的阻抗需要控制到差分90欧姆;
-
需要尽可能的减少USB走线的stubs,减少信号反射;USB信号的测试点最好直接放在走线上以 减少stub;
-
尽可能的减少USB走线的过孔数量;
-
在靠近USB连接器或者测试点的地方添加TVS保护管,由于USB的速率较高,需要注意TVS管 的选型,保证选用的TVS保护管的寄生电容小于1pF
-
VBUS作为USB插入唤醒作用,并不直接参与USB插入检测,非必须,在不需要USB插入唤醒的 场景也可以不接
2.7. USB 下载模式

Air780EX 模块进入USB下载模式:
在开机之前,把BOOT通过51K电阻上拉到VBAT电源.
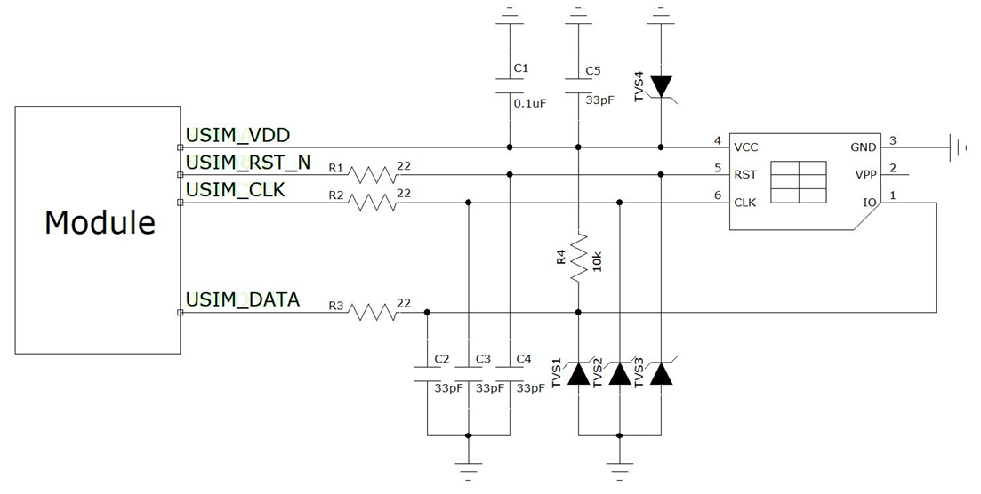
2.8. SIM卡接口
Air780EX支持1路SIM卡接口,支持ETSI和IMT-2000卡规范,支持1.8V和3.0VUSIM卡。
2.8.1. SIM接口
下表介绍了SIM接口的管脚定义。

2.8.2. SIM接口参考电路
下图是SIM接口的参考电路,使用6pin的SIM卡座。

在SIM卡接口的电路设计中,为了确保SIM卡的良好的功能性能和不被损坏,
在电路设计中建议遵循以下设计 原则:
-
SIM卡座与模块距离摆件不能太远,越近越好,尽量保证SIM卡信号线布线不超过20cm。
-
SIM卡信号线布线远离RF线和VBAT电源线。
3.为了防止可能存在的USIM_CLK信号对USIM_DATA信号的串扰,两者布线不要太靠近,在两条走线之间增 加地屏蔽。且对USIM_RST_N信号也需要地保护。
4.为了保证良好的ESD保护,建议加TVS管,并靠近SIM卡座摆放。选择的ESD器件寄生电容不大于50pF。在 模块和SIM卡之间也可以串联22欧姆的电阻用以抑制杂散EMI,增强ESD防护。SIM卡的外围电路必须尽量 靠近SIM卡座。
2.9. LDO输出

注意:
VDD_EXT不建议给外设供电,仅能做外部上拉用.
2.10. 功能管脚
2.10.1. MAIN_RI

MAIN_RI 信号动作:

如果模块用作主叫方,MAIN_RI会保持高电平,收到URC信息或者短信时除外。
而模块用作被叫方时, MAIN_RI 的时序如下所示。
语音呼叫时模块用作被叫方MAIN_RI时序:

数据呼叫时模块用作被叫方MAIN_RI时序:

模块主叫时MAIN_RI时序:

收到URC信息或者短信时MAIN_RI时序:

2.10.2. MAIN_DTR

模块支持两种睡眠模式:
睡眠模式1:发送AT+CSCLK=1,通过MAIN_DTR管脚电平控制模块是否进入睡眠
睡眠模式2:发送AT+CSCLK=2,模块在串口空闲一段时间后自动进入睡眠
具体参阅2.11.2睡眠模式
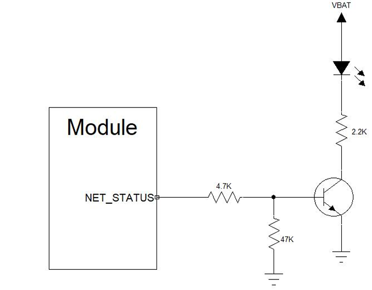
2.10.3.状态指示灯
Air780EX用一个管脚信号来指示网络的状态。
如下两表分别描述了管脚定义和不同网络状态下的逻辑电平 变化:
网络指示管脚定义:

指示网络管脚的工作状态:

指示灯参考电路如下图所示:

2.11. 省电功能
根据系统需求,有两种方式可以使模块进入到低功耗的状态。
对于AT版本使用“AT+CFUN”命令可以使模块 进入最少功能状态。
2.11.1. 最少功能模式/飞行模式
最少功能模式可以将模块功能减少到最小程度,此模式可以通过发送“AT+CFUN=”命令来设置。
参数可以选择0,1,4。
0:最少功能(关闭RF和SIM卡);
1:全功能(默认);
4:关闭RF发送和接收功能;
如果使用“AT+CFUN=0”将模块设置为最少功能模式,射频部分和SIM卡部分的功能将会关闭。
而串口依然 有效,但是与射频部分以及SIM卡部分相关的AT命令则不可用。
如果使用“AT+CFUN=4”设置模块,RF部分功能将会关闭,而串口依然有效。所有与RF部分相关的AT命令不 可用。
模块通过“AT+CFUN=0”或者“AT+CFUN=4”设置以后,可以通过“AT+CFUN=1”命令设置返回到全功能状态。
2.11.2. 睡眠模式(慢时钟模式)
2.11.2.1 串口应用
串口应用下支持两种睡眠模式:
睡眠模式1:通过MAIN_DTR管脚电平控制模块是否进入睡眠
睡眠模式2:模块在串口空闲一段时间后自动进入睡眠
2.11.2.1.1 睡眠模式 1
开启条件:
发送AT指令AT+CSCLK=1
模块进入睡眠: 控制MAIN_DTR脚拉高,模块会进入睡眠模式1
模块退出睡眠: 拉低MAIN_DTR脚50ms以上,模块会退出睡眠模式可以接受AT指令
模块在睡眠模式1时的软件功能: 不响应AT指令,但是收到数据/短信/来电会有URC上报
HOST 睡眠时,模块收到数据/短信/来电如何唤醒HOST: MAIN_RI 信号
2.11.2.1.2 睡眠模式 2
开启条件:
发送AT指令AT+CSLCK=2
模块进入睡眠: 串口空闲超过AT+WAKETIM配置的时间(默认5s),模块自动进入睡眠模式2
模块退出睡眠: 串口连续发送AT直到模块回应时即退出睡眠模式2。不响应DTR管脚中断唤醒
模块在睡眠模式2时的软件功能: 不响应AT指令,但是收到数据/短信/来电会有URC上报
HOST 睡眠时,模块收到数据/短信/来电如何唤醒HOST: MAIN_RI 信号
2.11.2.2 USB应用
开启条件:
USBHOST必须支持USBsuspend/resume
模块进入睡眠: HOST发起USBsuspend
模块退出睡眠: HOST发起USBresume
HOST睡眠时,模块收到数据/短信/来电如何唤醒HOST: MAIN_RI信号
2.12.模式切换汇总

本文主要介绍了Air780EX的主要性能和应用接口,由于文章篇幅原因,
射频接口,电气特性,实网功耗数据,结构规格等内容将在下篇文章介绍。
未完待续。。。
完整资料获取: www.openluat.com



浙公网安备 33010602011771号