合宙低功耗4G模组Air780EP——硬件设计01
Air780EP是一款基于移芯EC718P平台设计的LTECat1无线通信模组。
支持FDD-LTE/TDD-LTE的4G远距离无线 传输技术。
另外,模组提供了USB/UART/I2C等通用接口满足IoT行业的各种应用诉求。
一、主要性能
1.1 Air780EP模块功能框图

1.2 型号信息
模块型号列表 :

###1.3 主要性能


##二、应用接口
模块采用LGA封装,109个SMT焊盘管脚,
以下章节将详细阐述Air780EP各接口的功能
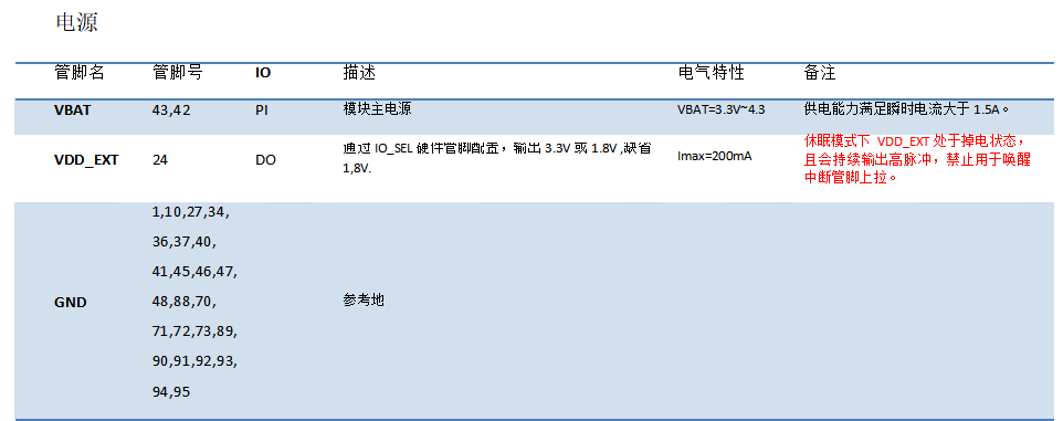
2.1. 管脚描述









特别注意:
-
AT 指令集暂不支持GPIO及特除功能进行操作,具体标注为上表中带“*”的管脚。
-
二次开发GPIO复用功能详见对应《_GPIO_table》
3.LDOAON 为芯片内部部分GPIO供电电源,由此电源供电的IO口休眠状态下能够保持。
4.所有GPIO 和wakeuppad 都支持双边沿中断; 可以复用为wakeup的io,休眠以及唤醒状态下都能使用; 其余io唤醒状态下可用,休眠状态下不能使用; wakeup io 可以唤醒休眠,其余GPIO都不可以。
IO参数定义:

###2.2 工作模式
下表简要的叙述了接下来几章提到的各种工作模式。

注意:
- 当模块进入休眠模式或深度休眠模式后,VDD_EXT电源会掉电,相应电压域的GPIO以及串口 (MAIN_UART除外)均会处于掉电关闭状态,掉电IO口均无法响应中断,无法唤醒模块退出休眠模 式。
- 模块进入休眠状态后只能通过以下管脚中断唤醒退出休眠模式。
![]()
![]()
2.3 电源供电

2.3.1.模块电源工作特性
在模块应用设计中,电源设计是很重要的一部分。
由于LTE射频工作时最大峰值电流高达1.5A,在最大发 射功率时会有约700mA的持续工作电流,电源必须能够提供足够的电流,不然有可能会引起供电电压的跌落甚 至模块直接掉电重启。
2.3.2.减小电压跌落
模块电源VBAT电压输入范围为3.3V~4.3V,但是模块在射频发射时通常会在VBAT电源上产生电源电压跌落 现象,
这是由于电源或者走线路径上的阻抗导致,一般难以避免。
因此在设计上要特别注意模块的电源设计.
在VBAT输入端,建议并联一个低ESR(ESR=0.7Ω)的100uF的钽电容,以及100nF、33pF、10pF滤波电容,
VBAT输 入端参考电路如图所示。

并且建议VBAT的PCB走线尽量短且足够宽,减小VBAT走线的等效阻抗,确保在最大 发射功率时大电流下不会产生太大的电压跌落。建议VBAT走线宽度不少于1mm,并且走线越长,线宽越宽。
2 .3.3. 供电参考电路
电源设计对模块的供电至关重要,必须选择能够提供至少1A电流能力的电源。
若输入电压跟模块的供电 电压的压差小于2V,建议选择LDO作为供电电源。
若输入输出之间存在的压差大于2V,则推荐使用开关电源转 换器以提高电源转换效率。
LDO供电:
下图是5V供电的参考设计,采用了Micrel公司的LDO,型号为MIC29302WU。
它的输出电压是4.16V,负载 电流峰值到3A。
为确保输出电源的稳定,建议在输出端预留一个稳压管,并且靠近模块VBAT管脚摆放。
建议 选择反向击穿电压为5.1V,耗散功率为1W以上的稳压管。
LDO供电输入参考设计:

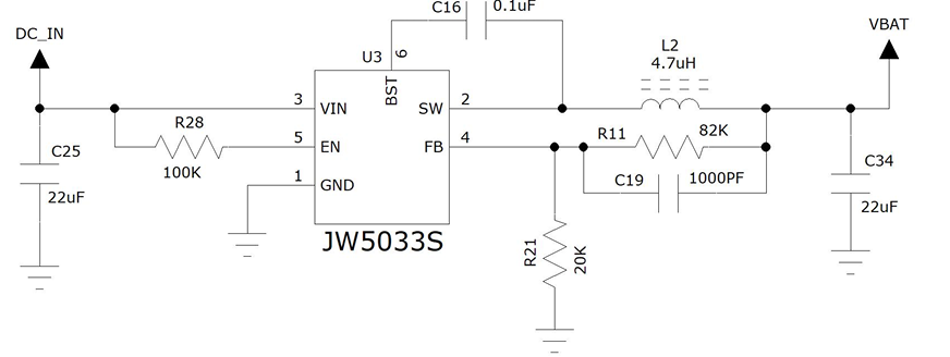
DC-DC 供电:
下图是DC-DC开关电源的参考设计,采用的是杰华特公司的JW5033S开关电源芯片,它的最大输出电流 是2A,输入电压范围3.7V~18V。
注意C25的选型要根据输入电压来选择合适的耐压值。
DCDC供电输入参考设计:

2.4. 开关机
2.4.1. 开机

在VBAT供电后,可以通过如下两种方式来触发Air780EP开机:
-
按键开机: PWRKEY管脚通过轻触按键连接到地,按键按下1秒以上实现开机。
-
上电开机:将PWRKEY管脚直接短接到地,VBAT上电后就可以实现开机。
2.4.1.1 PWRKEY 管脚开机
VBAT上电后,可以通过PWRKEY管脚启动模块,把PWRKEY管脚拉低1秒以上之后模块会进入开机流程,软件会检测VBAT管脚电压,
若VBAT管脚电压大于软件设置的开机电压(3.3V),会继续开机动作直至系统开机完成;
否则,会停止执行开机动作,系统会关机,开机成功后PWRKEY管脚可以释放。
可以通过检测VDD_EXT 管脚的电平来判别模块是否开机。
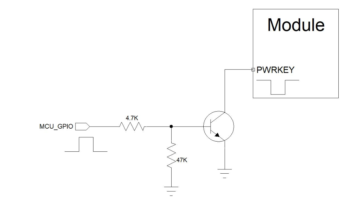
推荐使用开集驱动电路来控制PWRKEY管脚。
下图为开集驱动参考开机电路:

另一种控制PWRKEY管脚的方法是直接使用一个按钮开关。
按钮附近需放置一个TVS管用以ESD保护。
下图为按键开机参考电路 :

2.4.1.2 上电开机
将模块的PWRKEY直接接地可以实现上电自动开机功能。
需要注意,在上电开机模式下,将无法关机。
对于用电池供电的应用场景不建议用PWRKEY接地的上电自动开机方式。
2.4.2. 关机
以下的方式可以关闭模块:
正常关机:使用PWRKEY管脚关机
正常关机:通过AT指令AT+CPOWD关机
2.4.2.1 PWRKEY 管脚关机
PWRKEY 管脚拉低1.5s以上时间,模块会执行关机动作。
关机过程中,模块需要注销网络,注销时间与当前网络状态有关,经测定用时约2s~12s,因此建议延长 12s后再进行断电或重启,以确保在完全断电之前让软件保存好重要数据。
时序图如下:

2.4.2.2 低电压自动关机
模块在运行状态时当VBAT管脚电压低于模块工作的最低工作电压时(默认设置3.3V),软件会执行关机 动作关闭模块,以防低电压状态下运行出现各种异常。
2.4.3.复位

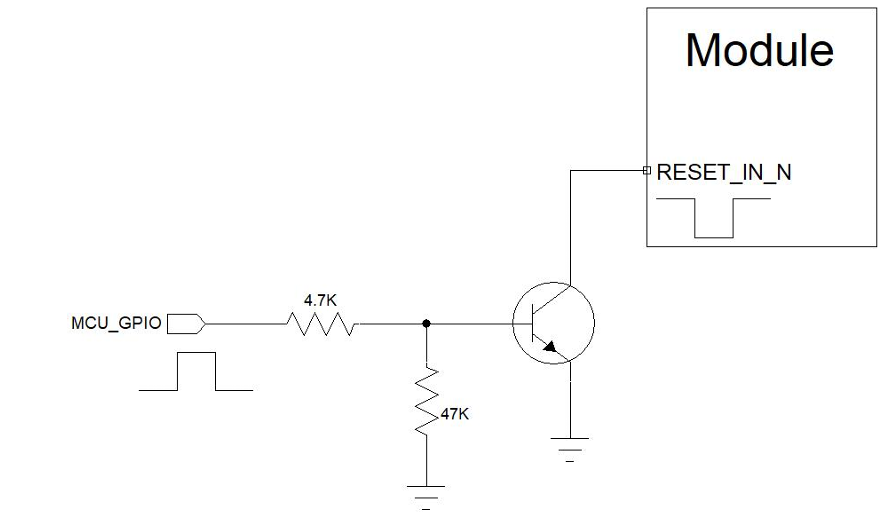
RESET_N 引脚可用于使模块复位。
拉低RESET_N引脚100ms以上可使模块复位。
RESET_N信号对干 扰比较敏感,因此建议在模块接口板上的走线应尽量的短,且需包地处理。
参考电路:

注意:
- 复位功能建议仅在AT+CPOWD和PWRKEY关机失败后使用。
2.5. 串口
模块提供了4个通用异步收发器:主串口MAIN_UART、AUX_UART、DBG_UART、UART3。
2.5.1. MAIN_UART
MAIN_UART 管脚定义:

对于AT开发方式, MAIN_UART用来进行AT指令通讯。
MAIN_UART支持固定波特率,不支持自适 应波特率 在默认情况下,模块的硬件流控是关闭的。
当客户需要硬件流控时,管脚RTS,CTS必须连接到客户端,AT 命令“AT+IFC=2,2”可以用来打开硬件流控。AT命令“AT+IFC=0,0”可以用来关闭流控。具体请参考《AirM2M无线 模块AT命令手册》。
MAIN_UART在休眠状态下保持的功能,能够唤醒模块 。
MAIN_UART的特点如下:
-
包括数据线TXD和RXD,硬件流控控制线RTS和CTS。
-
8个数据位,无奇偶校验,一个停止位。
-
硬件流控默认关闭。
-
用以AT命令传送,数传等。 支持波特率如下:600,1200,2400,4800,14400,9600,19200,38400,57600,115200,230400,460800,921600bps
注意: MAIN_UART在开机过程中短时会输出固定调试信息
2.5.2. AUX_UART

AUX_UART为辅助串口,不支持AT指令交互,用于某些外设通信,如对接GNSS等。
AUX_UART休眠后会关闭,无法通过给AUX_UART发送数据进行唤醒。
2.5.3. DBG_UART

DBG_UART用来软件调试时输出APtrace,建议预留测试点。
DBG_UART在开机过程中短时会输出固定调试信息。
DBG_TX、DBG_RX默认功能为系统底层日志口,进行模块硬件设计时,在剩余功能引脚充足的前提 下,避免使用DBG_TX和DBG_RX。
如果将此引脚复用为其他功能,则无法从DBG_TX和DBG_RX抓取系统日志。
在某些场景下,如果模块出现异常,无法抓到问题日志,只能通过硬件改版,引出DBG_TX、 DBG_RX,抓取日志再进行分析。
**包括但不限于以下两种场景: **
1、低功耗场景: 在低功耗场景下,USB无法使用,只能通过DBG_TX、DBG_RX来抓取日志。
2、非低功耗场景: 模块接入USB时,工作正常,未接入USB时,工作异常的情况,只能通过DBG_TX、DBG_RX来抓取 日志。
2.5.4. UART3

如果使用不到LCD功能,可以再复用一组UART3
2.5.5. 串口连接方式
串口的连接方式较为灵活,如下是三种常用的连接方式。
三线制的串口请参考如下的连接方式:

带流控的串口连接请参考如下电路连接,此连接方式可提高大数据量传输的可靠性,防止数据丢失。
带流控的串口连接方式示意图 :

2.5.6. 串口电压转换
Air780EP 模块的串口电平为1.8V或3.3V,通过PIN100IO_SEL配置IO口电平,能够满足大部分外设, 主控的串口直接需求,但是如果要和5V或者以上的MCU或其他串口外设通信,那就必须要加电平转换 电路:
电平转换参考电路如下:

注意:
- 此电平转换电路不适用波特率高于460800bps的应用。
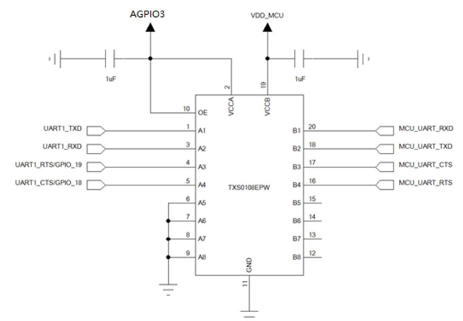
- 由于休眠状态下VDD_EXT会掉电,因此如果在需要休眠的应用场景用VDD_EXT做串口电平转换上拉的话, 会导致模块无法休眠的情况。因此在需要进入休眠的场景下,建议用AGPIO3进行上拉。
- D2必须选用低导通压降的肖特基二极管。
肖特基二极管以及NPN三极管的推荐型号如下:

对于波特率高于460800bps的应用,可以通过外加电平转换芯片来实现电压转换,参考电路如下:

此电路采用的是电平转换芯片是TI的TXS0108E,8位双向电压电平转换器,
适用于漏极开路和推挽应用,
最大支持速率:
推挽:110Mbps
开漏:1.2Mbps
**未完待续。。。 **
下文会继续介绍Air780EP的硬件设计,包括应用接口部分的I2C,SIM卡接口,功能管脚和射频接口,电气特性等内容。
完整资料获取点击: www.openluat.com





浙公网安备 33010602011771号